GM Service Manual Online
For 1990-2009 cars only
Makes
🢒
HUMMER
🢒
2008
🢒
H3
🢒
Transmission/Transaxle
🢒
Transfer Case - BW 4493/4494
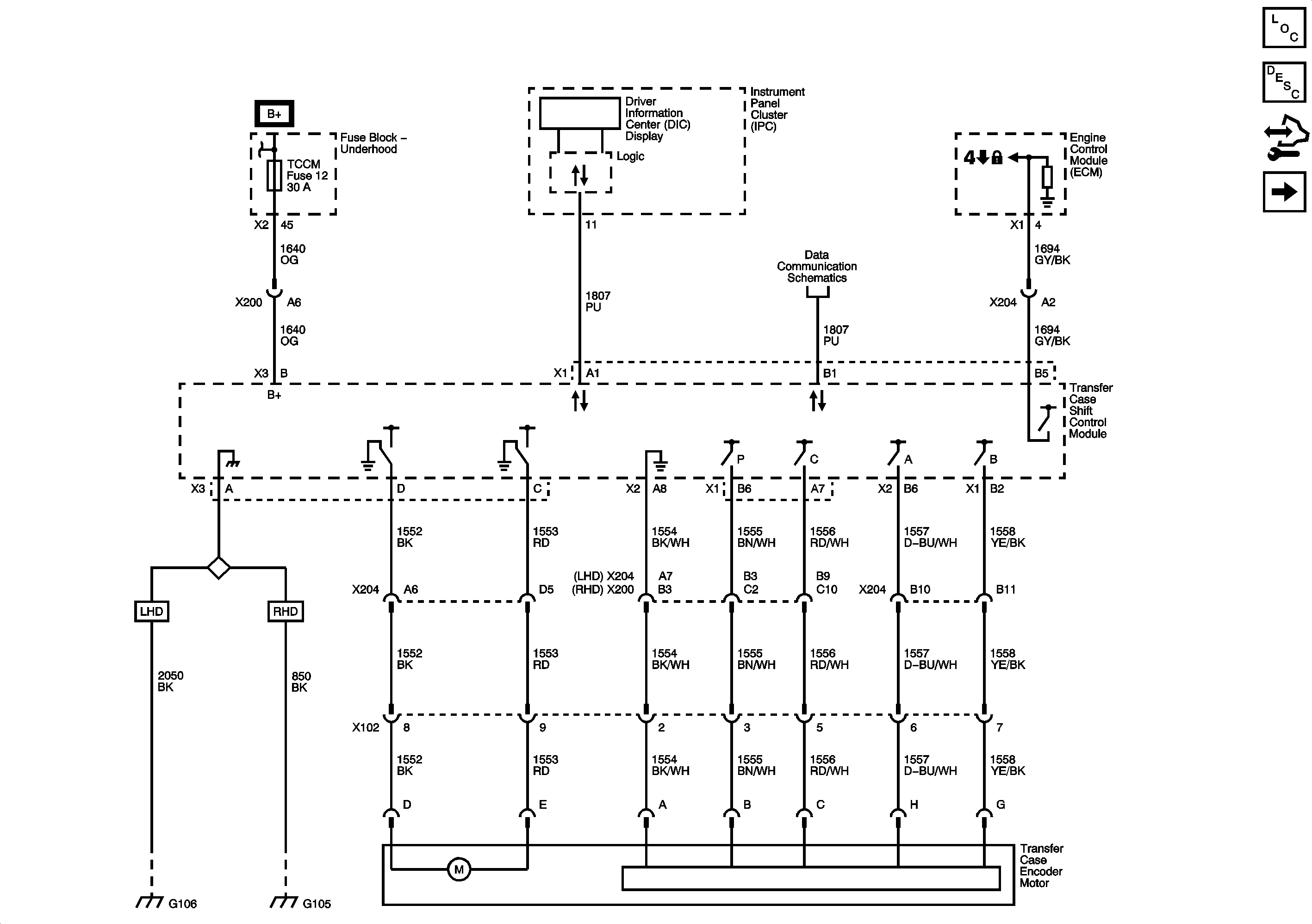
🢒 Transfer Case Control Schematics
Figure
1:
Power, Ground, Serial Data, and Front Axle Controls
Master Electrical Component List
Transfer Case Description and Operation
Control Module References
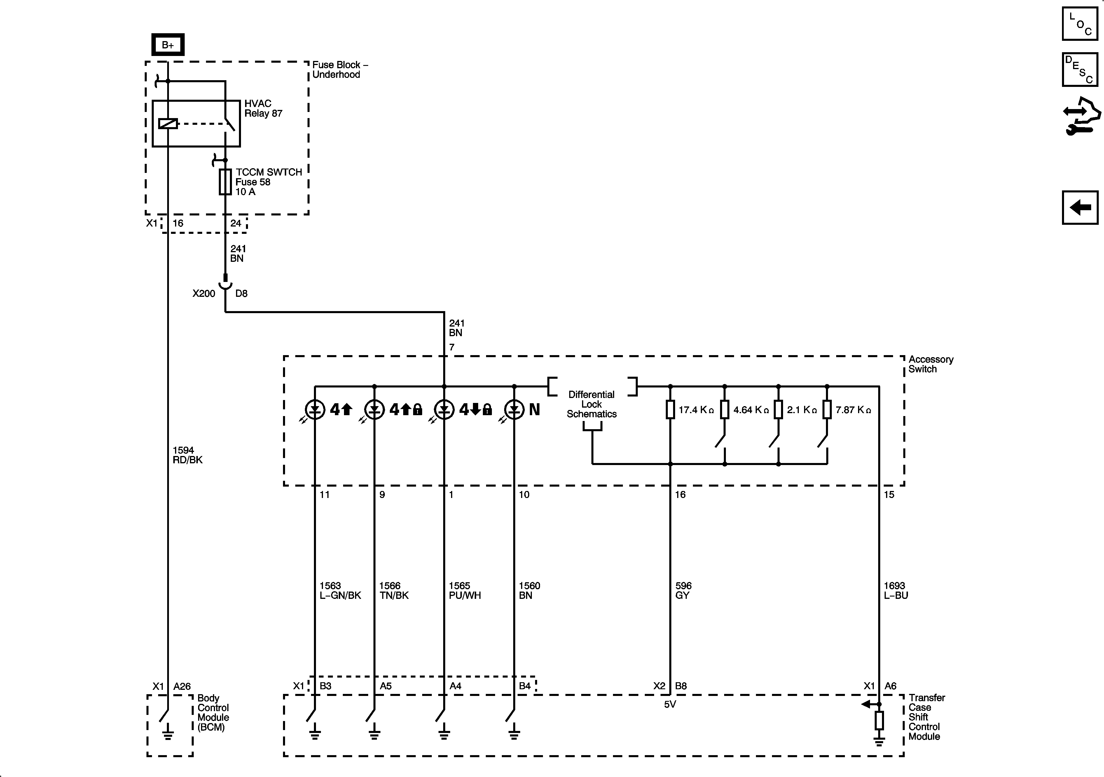
Shift Controls
Figure
2:
Shift Controls
Master Electrical Component List
Transfer Case Description and Operation
Control Module References
Power, Ground, Serial Data, and Front Axle Control