GM Service Manual Online
For 1990-2009 cars only
  1. Raise the vehicle. Refer to Lifting and Jacking the Vehicle .

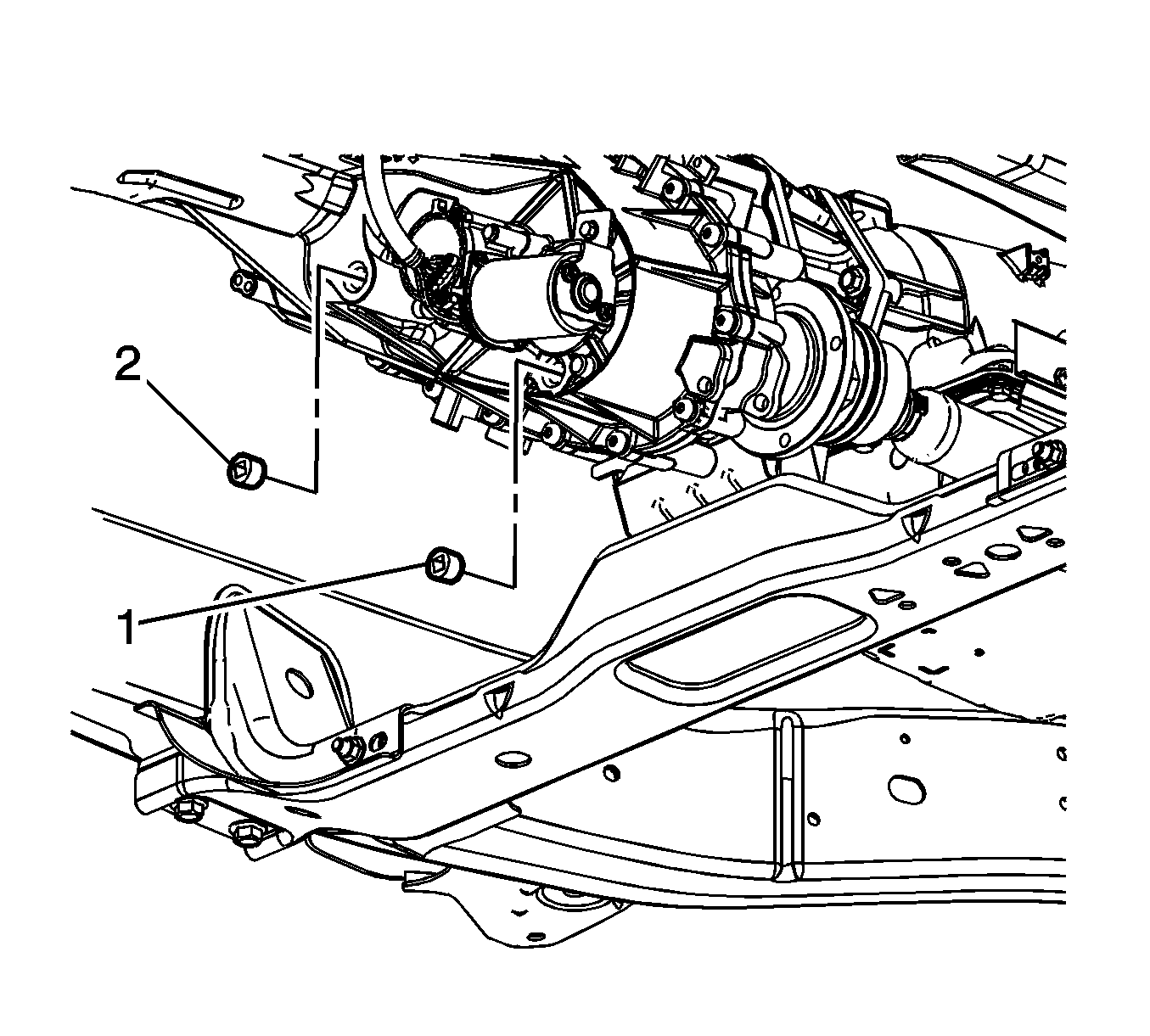
  2. Object Number: 1913261  Size: SH
  3. Remove the transfer case drain plug (1) and drain the fluid.
  4. Apply pipe sealant GM P/N 12346004 (Canadian P/N 10953480) to the threads of the transfer case drain plug.
  5. Notice: Refer to Fastener Notice in the Preface section.

  6. Install the transfer case drain plug (1).
  7. Tighten
    Tighten the transfer case drain plug to 25 N·m (18 lb ft).

  8. Remove the transfer case fill plug (2).
  9. Fill the transfer case to the bottom of the fill hole with manual transmission and transfer case fluid. Refer to Adhesives, Fluids, Lubricants, and Sealers.
  10. Apply pipe sealant G/M P/N 12346004 (Canadian P/N 10953480) to the threads of the transfer case plug.
  11. Install the transfer case fill plug.
  12. Tighten
    Tighten the transfer case fill plug to 25 N·m (18 lb ft).

  13. Lower the vehicle.