GM Service Manual Online
For 1990-2009 cars only

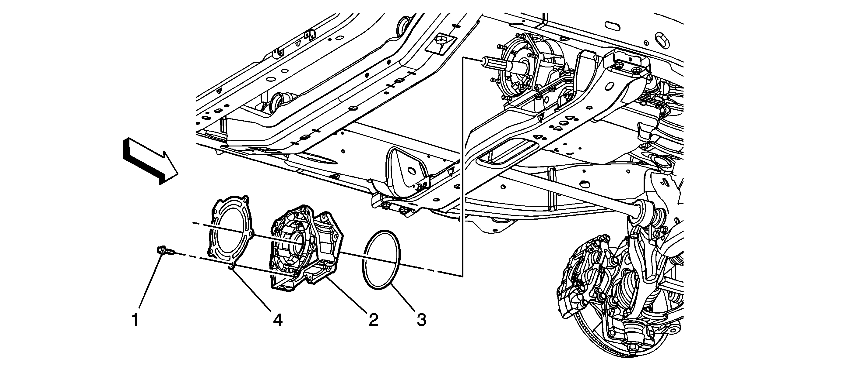
Object Number: 1560741  Size: SF

Callout

Component Name

Notice: Refer to Fastener Notice in the Preface section.

Fastener Tightening Specifications: Refer to Fastener Tightening Specifications .

Preliminary Procedure

Remove the transfer case. Refer to Transfer Case Assembly Replacement .

1

Bolt, Transfer Case Adapter (Qty: 6)

Tighten
50 N·m (37 lb ft)

2

Adapter, Transfer Case to Transmission

3

O-ring, Transfer Case Adapter

Tip
DO NOT reuse the O-ring. Replace it.

4

Gasket, Transfer Case Adapter

Tip
DO NOT reuse the gasket. Replace it.