GM Service Manual Online
For 1990-2009 cars only

Power Steering Gear Inlet and Outlet Hose Replacement LLR

Tools Required

J 44586 Power Steering Gear Oil Seal Remover/Installer

Removal Procedure

  1. Remove as much power steering fluid from the power steering fluid reservoir as possible.
  2. Place drain pans under the vehicle as needed.
  3. Notice: Do not start the vehicle with any power steering gear inlet or outlet hoses disconnected. When disconnected, plug or cap all openings of components. Failure to do so could result in contamination or loss of power steering fluid and damage to the system.


    Object Number: 1207233  Size: SH
  4. Disconnect the power steering gear inlet and outlet hose from the power steering pump and power steering fluid reservoir assembly.

  5. Object Number: 1207235  Size: SH
  6. Remove the power steering gear inlet and outlet hose bracket bolts.
  7. Remove the power steering gear inlet and outlet hose retaining plate bolt.
  8. Disconnect the power steering gear inlet and outlet hose from the steering gear.
  9. Remove the power steering gear inlet and outlet hose from the vehicle.
  10. Notice: Clean the power steering gear inlet and outlet ports thoroughly of any debris. Failure to do so could result in contamination and damage to the power steering system components.

  11. Clean the power steering gear inlet and outlet hose ports at the steering gear of any debris.
  12. Transfer any parts as needed.

Installation Procedure


    Object Number: 1207235  Size: SH
  1. Install the power steering gear inlet and outlet hose to the vehicle.
  2. 1.1. If power steering gear inlet and outlet hose seal replacement is needed, remove the steering gear from the vehicle. Refer to Steering Gear Replacement .
    1.2. Remove the power steering gear inlet and outlet hose seals from the steering gear using remover J 44586 .
    1.3. Clean the power steering gear inlet and outlet hose ports at the steering gear of any debris.
    1.4. Install the power steering gear inlet and outlet hose seals to the steering gear using installer J 44586 .
    1.5. Install the steering gear. Refer to Steering Gear Replacement .

    Notice: Refer to Fastener Notice in the Preface section.

  3. Install the power steering gear inlet and outlet hose retaining plate bolt.
  4. Tighten
    Tighten the bolt to 12 N·m (106 lb in).

  5. Install the power steering gear inlet and outlet hose bracket bolts.
  6. Tighten
    Tighten the bolts to 9 N·m (79 lb in).


    Object Number: 1207233  Size: SH
  7. Connect the power steering gear inlet and outlet hose to the power steering pump and power steering fluid reservoir assembly.
  8. Tighten
    Tighten the fitting to 25 N·m (18 lb ft).

  9. Clean any excess power steering fluid from the vehicle and remove the drain pans.
  10. Fill and bleed the power steering system. Refer to Power Steering System Bleeding .

Power Steering Gear Inlet and Outlet Hose Replacement LH8

Removal Procedure

  1. Remove as much power steering fluid from the power steering fluid reservoir as possible.
  2. Remove the engine shield. Refer to Engine Shield Replacement .
  3. Remove the oil pan skid plate. Refer to Oil Pan Skid Plate Replacement .
  4. Place drain pans under the vehicle as needed.

  5. Object Number: 1911284  Size: SH
  6. Disconnect the power steering gear inlet and outlet hose (1) from the power steering pump and power steering fluid reservoir assembly.

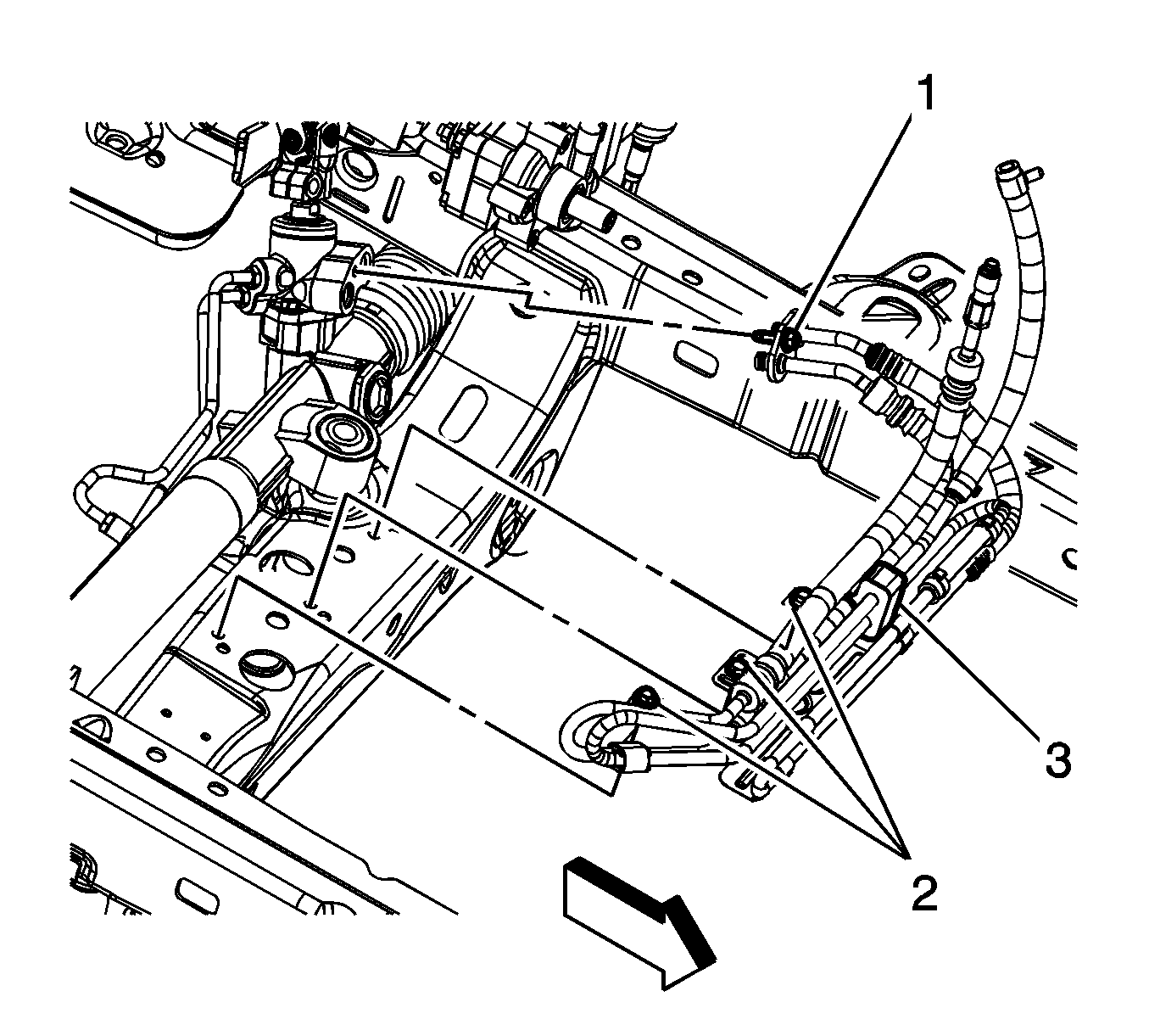
  7. Object Number: 1911286  Size: SH
  8. Remove the power steering gear inlet and outlet hose bracket bolts (2).
  9. Remove the power steering gear inlet and outlet hose retaining plate bolt (1).
  10. Disconnect the power steering gear inlet and outlet hose (3) from the steering gear and remove it from the vehicle.
  11. Clean the power steering gear inlet and outlet hose ports at the steering gear of any debris.
  12. Transfer any parts as needed.

Installation Procedure


    Object Number: 1911286  Size: SH
  1. Install the power steering gear inlet and outlet hose (3) to the vehicle and connect it to the steering gear.
  2. Notice: Refer to Fastener Notice in the Preface section.

  3. Install the power steering gear inlet and outlet hose retaining plate bolt (1).
  4. Tighten
    Tighten the bolt to 12 N·m (106 lb in).

  5. Install the power steering gear inlet and outlet hose bracket bolts (2).
  6. Tighten
    Tighten the bolts to 9 N·m (80 lb in).


    Object Number: 1911284  Size: SH
  7. Connect the power steering gear inlet and outlet hose (1) to the power steering pump and power steering fluid reservoir assembly.
  8. Clean any excess power steering fluid from the vehicle and remove the drain pans.
  9. Install the oil pan skid plate. Refer to Oil Pan Skid Plate Replacement .
  10. Install the engine shield. Refer to Engine Shield Replacement .
  11. Fill and bleed the power steering system. Refer to Power Steering System Bleeding .