GM Service Manual Online
For 1990-2009 cars only
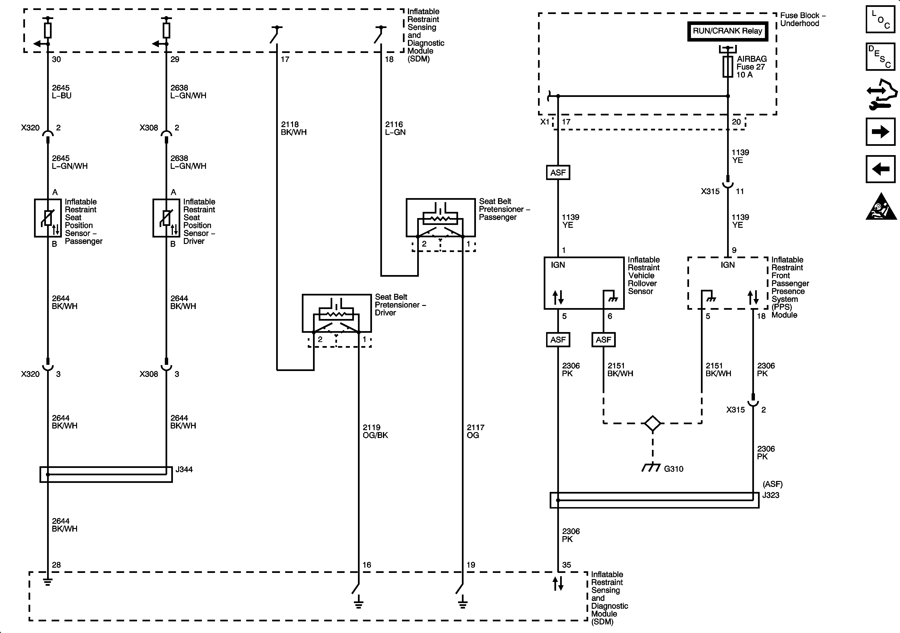
Figure 1:

Module Power, Ground, Serial Data, Impact Sensors, and Indicators


Object Number: 1912002  Size: FS
Master Electrical Component List
SIR System Description and Operation
Control Module References
Inflator Modules
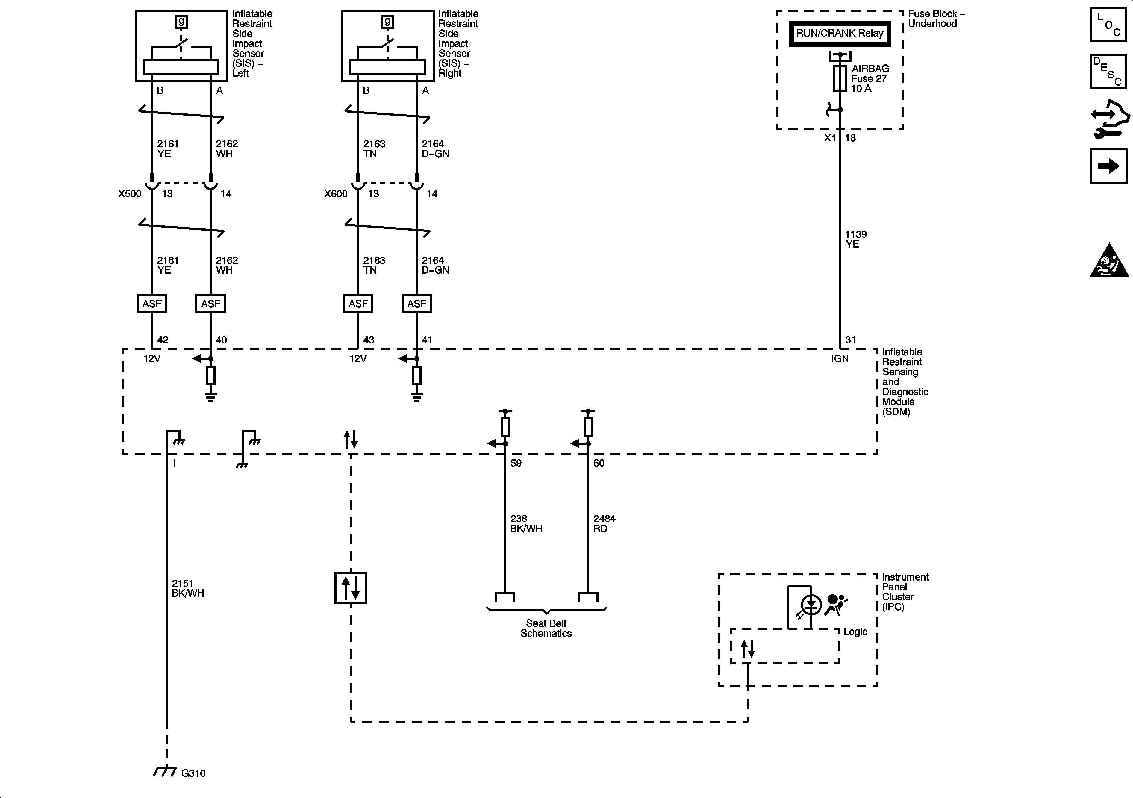
Figure 2:

Inflator Modules


Object Number: 1912003  Size: FS
Master Electrical Component List
SIR System Description and Operation
Control Module References
Seat Position Sensors and Passenger Presence - 1 of 2
Module Power, Ground, Serial Data, Impact Sensors, and Indicators
Figure 3:

Seat Position and Passenger Presence - 1 of 2


Object Number: 1962231  Size: FS
Master Electrical Component List
SIR System Description and Operation
Control Module References
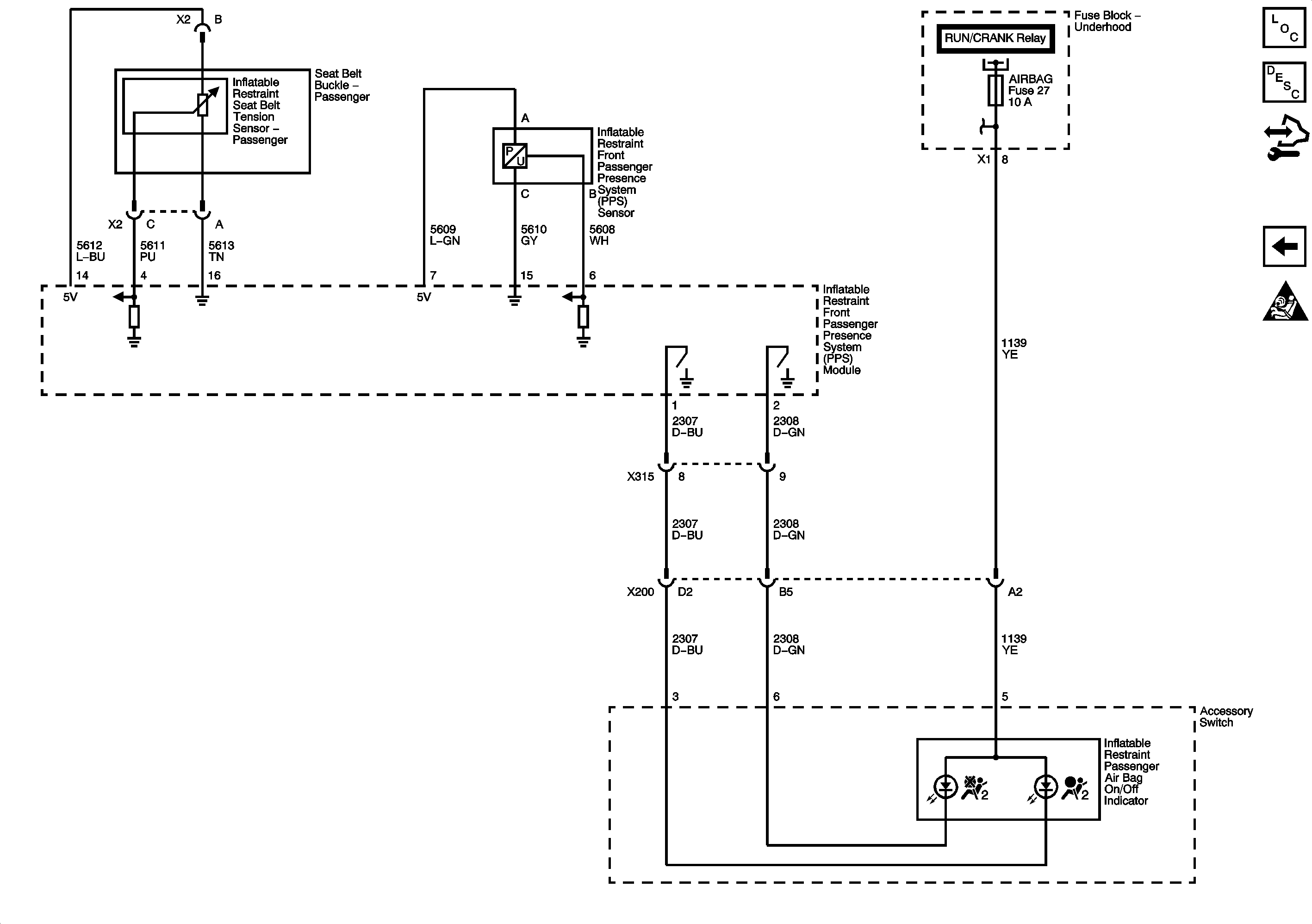
Passenger Presence - 2 of 2
Inflator Modules
Figure 4:

Passenger Presence - 2 of 2


Object Number: 1912004  Size: FS
Master Electrical Component List
SIR System Description and Operation
Control Module References
Seat Position Sensors and Passenger Presence - 1 of 2