GM Service Manual Online
For 1990-2009 cars only

Catalytic Converter Replacement - Right Side LH8

Removal Procedure

Caution: Refer to Exhaust Service Caution in the Preface section.


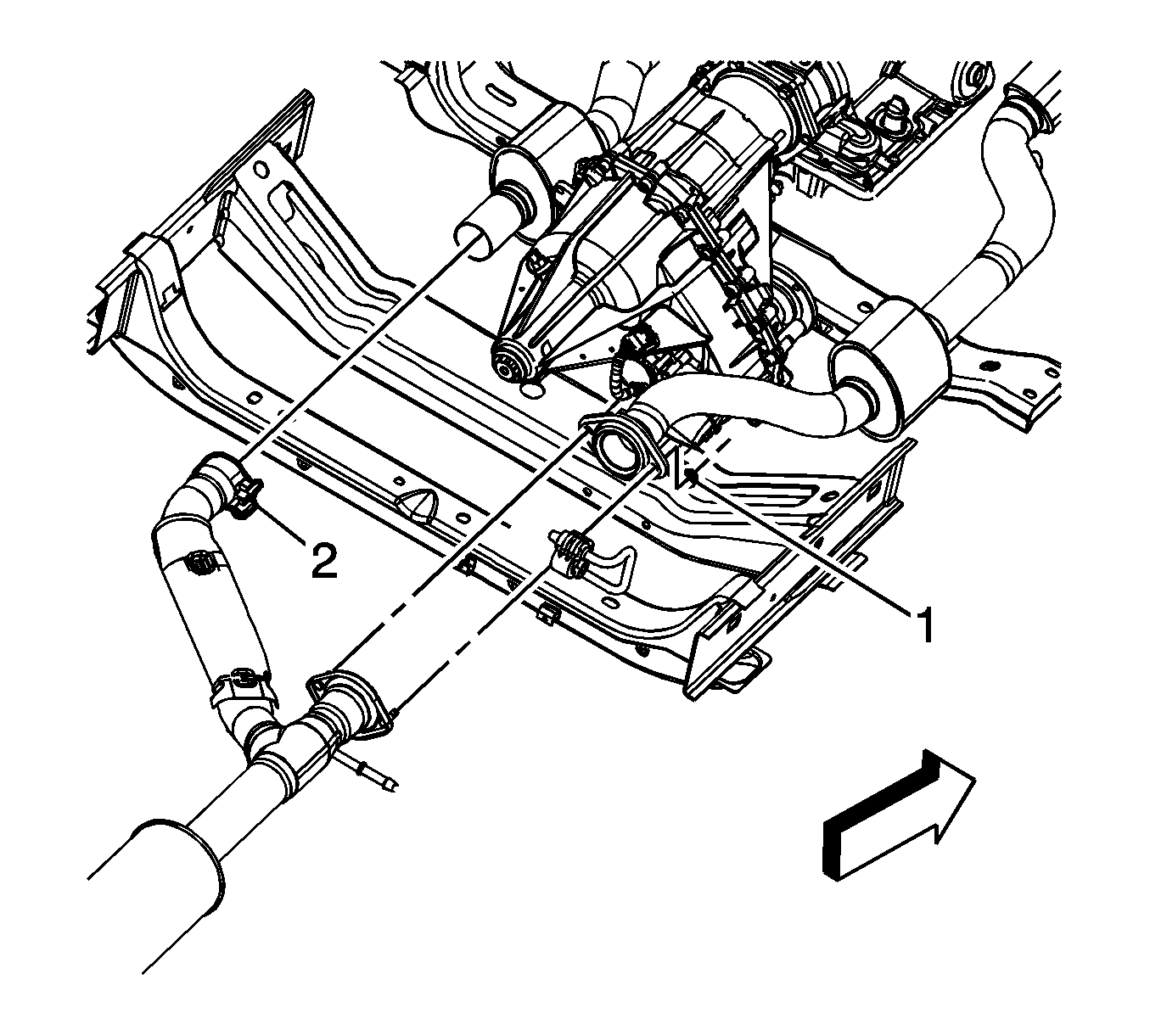
    Object Number: 1902479  Size: SH
  1. Remove the right torsion bar. Refer to Torsion Bar Replacement .
  2. Remove the heated oxygen sensors (HO2S). Refer to Heated Oxygen Sensor Replacement - Bank 2 Sensor 1 and Heated Oxygen Sensor Replacement - Bank 2 Sensor 2 .
  3. Remove the transmission support crossmember. Refer to Transmission Support Crossmember Replacement .
  4. Remove the catalytic converter to muffler nuts (1).
  5. Loosen the muffler to catalytic converter clamp (2).

  6. Object Number: 1902480  Size: SH
  7. With the aid of an assistant, separate the muffler hangers from the insulators (1).
  8. Separate the muffler from the catalytic converters.
  9. Reposition the muffler (2) rearward as far as possible, and support using the rear axle and jack stands.

  10. Object Number: 1903040  Size: SH
  11. Remove front propellor shaft. Refer to Front Propeller Shaft Replacement .
  12. Remove the catalytic converter to exhaust manifold nuts (2).
  13. With the aid of an assistant, remove the catalytic converter (3) and seal (1).

Installation Procedure


    Object Number: 1903040  Size: SH
  1. With the aid of an assistant, install the catalytic converter (3) and seal (1).
  2. Install front propellor shaft. Refer to Front Propeller Shaft Replacement .
  3. Notice: Refer to Fastener Notice in the Preface section.

    Important: Ensure at least 7 mm of clearance between the bell housing and the catalytic convertor. Use an assistant to hold and rotate the pipe counterclockwise while tightening the nuts.

  4. Install the catalytic converter to exhaust manifold nuts (2).
  5. Tighten
    Tighten the nuts to 50 N·m (37 lb ft).


    Object Number: 1902480  Size: SH
  6. With the aid of an assistant, remove the muffler (2) from the jack stands.
  7. Install the muffler to the catalytic converters.
  8. Install the muffler hangers to the insulators (1).

  9. Object Number: 1902479  Size: SH
  10. Install the catalytic converter to muffler nuts (1).
  11. Tighten
    Tighten the nuts to 45 N·m (33 lb ft).

  12. Tighten the muffler to catalytic converter clamp (2).
  13. Tighten
    Tighten the clamp to 43 N·m (32 lb ft).

  14. Install the transmission support crossmember. Refer to Transmission Support Crossmember Replacement .
  15. Install the HO2S. Refer to Heated Oxygen Sensor Replacement - Bank 2 Sensor 1 and Heated Oxygen Sensor Replacement - Bank 2 Sensor 2 .
  16. Install the right torsion bar. Refer to Torsion Bar Replacement .