GM Service Manual Online
For 1990-2009 cars only

Removal Procedure

Note:  An 8-digit identification number is located on the fuel rail. Refer to this model identification number if servicing or part replacement is required.


    Object Number: 1897166  Size: SH
  1. Relieve the fuel system pressure. Refer to Fuel Pressure Relief.
  2. Remove the air cleaner outlet duct. Refer to Air Cleaner Resonator Outlet Duct Replacement.
  3. Disconnect the engine wiring harness electrical connector (1) from the manifold absolute pressure (MAP) sensor.

  4. Object Number: 1897777  Size: SH
  5. Remove the positive crankcase ventilation (PCV) foul air hose (1).

  6. Object Number: 1897773  Size: SH
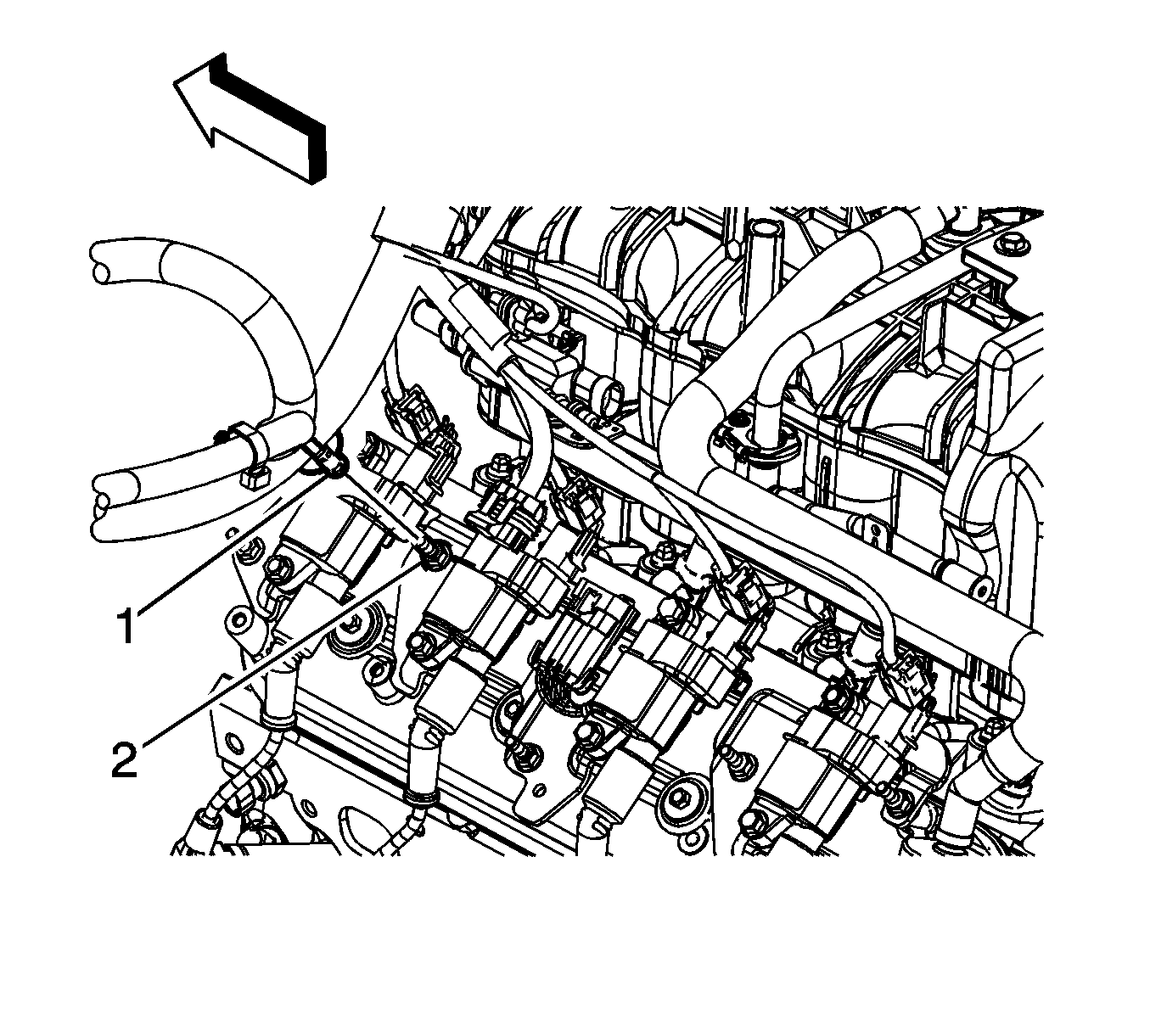
  7. Remove the engine wiring harness clip (1) from the ignition coil bracket stud (2).

  8. Object Number: 1897774  Size: SH
  9. Remove the engine wiring harness clip (1) from the ignition coil bracket stud (2).

  10. Object Number: 1897252  Size: SH
  11. Disconnect the engine wiring harness electrical connector (2) from the throttle body.
  12. Disconnect the engine wiring harness electrical connectors (1) from the fuel injectors.
  13. Disconnect the engine wiring harness electrical connector (3) from the ignition coil harness.

  14. Object Number: 1897776  Size: SH
  15. Disconnect the engine wiring harness electrical connector (1) from the generator.
  16. Disconnect the engine wiring harness electrical connector (3) from the evaporative emission (EVAP) canister purge solenoid valve.
  17. Disconnect the engine wiring harness electrical connector (4) from the ignition coil harness.

  18. Object Number: 1897775  Size: SH
  19. Disconnect the engine wiring harness electrical connectors (3) from the fuel injectors.
  20. Remove the engine wiring harness bracket nut (1).
  21. Remove the engine wiring harness bracket (2) from the stud and reposition the harness as needed.
  22. Remove the EVAP canister purge solenoid valve. Refer to Evaporative Emission Canister Purge Solenoid Valve Replacement.

  23. Object Number: 1897742  Size: SH
  24. Disconnect the chassis fuel feed line quick connect fitting (2) from the fuel rail. Refer to Metal Collar Quick Connect Fitting Service.

  25. Object Number: 1898207  Size: SH
  26. Remove the fuel rail bolts (1).
  27. Loosen but do not remove the fuel rail crossover pipe retainer clip screws.
  28. Caution: 

       • Remove the fuel rail assembly carefully in order to prevent damage to the injector electrical connector terminals and the injector spray tips. Support the fuel rail after the fuel rail is removed in order to avoid damaging the fuel rail components.
       • Cap the fittings and plug the holes when servicing the fuel system in order to prevent dirt and other contaminants from entering open pipes and passages.

    Note: Before removal, clean the fuel rail with a spray type engine cleaner, GM X-30A or equivalent, if necessary. Follow the package instructions. Do not soak the fuel rail in liquid cleaning solvent.

  29. Remove the fuel rail assembly (2).
  30. Remove and discard the fuel injector lower O-ring seals (3).
  31. If the fuel rail is not being replaced, proceed to the installation procedure.

Disassembly Procedure

  1. Remove the fuel injectors from the fuel rail. Refer to Fuel Injector Replacement.
  2. Remove the service port cap and valve from the fuel rail.

Assembly Procedure

  1. Install the service port cap and valve to the fuel rail.
  2. Install the fuel injectors to the fuel rail. Refer to Fuel Injector Replacement.

Installation Procedure


Object Number: 260098  Size: SH

Warning: The fuel rail stop bracket must be installed onto the engine assembly. The stop bracket serves as a protective shield for the fuel rail in the event of a vehicle frontal crash. If the fuel rail stop bracket is not installed and the vehicle is involved in a frontal crash, fuel could be sprayed possibly causing a fire and personal injury from burns.


    Object Number: 1898207  Size: SH
  1. Lubricate NEW lower injector O-ring seals with clean engine oil.
  2. Install the NEW O-ring seals (3) onto each injector.
  3. Install the fuel rail (2) to the intake manifold.
  4. Apply a 5 mm (0.2 in) band of threadlock GM P/N 12345382 (Canadian P/N 10953489) or equivalent, to the threads of the fuel rail bolts (1).
  5. Caution: Refer to Fastener Caution in the Preface section.

  6. Install the fuel rail bolts (1) and tighten to 10 N·m (89 lb in).
  7. Tighten the fuel rail retainer clip screws to 3.8 N·m (34 lb in).

  8. Object Number: 1897742  Size: SH
  9. Connect the chassis fuel feed line quick connect fitting (2) to the fuel rail. Refer to Metal Collar Quick Connect Fitting Service.

  10. Object Number: 1897775  Size: SH
  11. Install the EVAP canister purge solenoid valve. Refer to Evaporative Emission Canister Purge Solenoid Valve Replacement.
  12. Position the engine wiring harness as needed, and install the engine wiring harness bracket (2) to the stud.
  13. Install the engine wiring harness bracket nut (1) and tighten to 9 N·m (80 lb in).
  14. Connect the engine wiring harness electrical connectors (3) to the fuel injectors.

  15. Object Number: 1897776  Size: SH
  16. Connect the engine wiring harness electrical connector (4) to the ignition coil harness.
  17. Connect the engine wiring harness electrical connector (3) to the EVAP canister purge solenoid valve.
  18. Connect the engine wiring harness electrical connector (1) to the generator.

  19. Object Number: 1897252  Size: SH
  20. Connect the engine wiring harness electrical connector (3) to the ignition coil harness.
  21. Connect the engine wiring harness electrical connectors (1) to the fuel injectors.
  22. Connect the engine wiring harness electrical connector (2) to the throttle body.

  23. Object Number: 1897774  Size: SH
  24. Install the engine wiring harness clip (1) to the ignition coil bracket stud (2).

  25. Object Number: 1897773  Size: SH
  26. Install the engine wiring harness clip (1) to the ignition coil bracket stud (2).

  27. Object Number: 1897777  Size: SH
  28. Install the PCV foul air hose (1).

  29. Object Number: 1897166  Size: SH
  30. Connect the engine wiring harness electrical connector (1) to the MAP sensor.
  31. Install the air cleaner outlet duct. Refer to Air Cleaner Resonator Outlet Duct Replacement.
  32. Install the fuel fill cap.
  33. Connect the negative battery cable. Refer to Battery Negative Cable Disconnection and Connection.
  34. Use the following procedure in order to inspect for leaks:
  35. 25.1. Turn the ignition ON, with the engine OFF, for 2 seconds.
    25.2. Turn the ignition OFF for 10 seconds.
    25.3. Turn the ignition ON, with the engine OFF.
    25.4. Inspect for fuel leaks.