GM Service Manual Online
For 1990-2009 cars only

Special Tools

J 34028 Inner Tie Rod Wrench

Removal Procedure

    Note: After removing the boot, inspect the inner tie rod for evidence of corrosion or contamination. If none is evident, continue with the repair. If corrosion or contamination is evident, replace the steering gear.

  1. Remove the steering gear boot. Refer to Steering Gear Boot Replacement - On Vehicle.

  2. Object Number: 470310  Size: SH

    Caution: Do not change the rack bearing preload adjustment before removing the inner tie rod from the steering rack. This could cause damage to the pinion or the steering rack or both.

  3. Remove the rack and pinion inner tie rod (5) from the steering gear (1) as follows:
  4. 2.1. Place a wrench on the flats of the rack and pinion inner tie rod housing (4).
    2.2. Rotate the rack and pinion inner tie rod housing (4) counterclockwise until the rack and pinion inner tie rod (5) separates from the steering gear rack (3).

Installation Procedure


    Object Number: 297389  Size: SH
  1. Clean the rack and pinion inner tie rod threads (2)
  2. Install the rack and pinion inner tie rod (3) to the steering gear rack (1).
  3. Caution: Refer to Fastener Caution in the Preface section.


    Object Number: 297392  Size: SH
  4. Install a torque wrench (5) and wrench J 34028 to the rack and pinion inner tie rod housing (4).
  5. Hold the steering gear rack (3) while tightening the rack and pinion inner tie rod as shown (6).

    Tighten
    Tighten the rack and pinion inner tie rod to 88 N·m (65 lb ft).


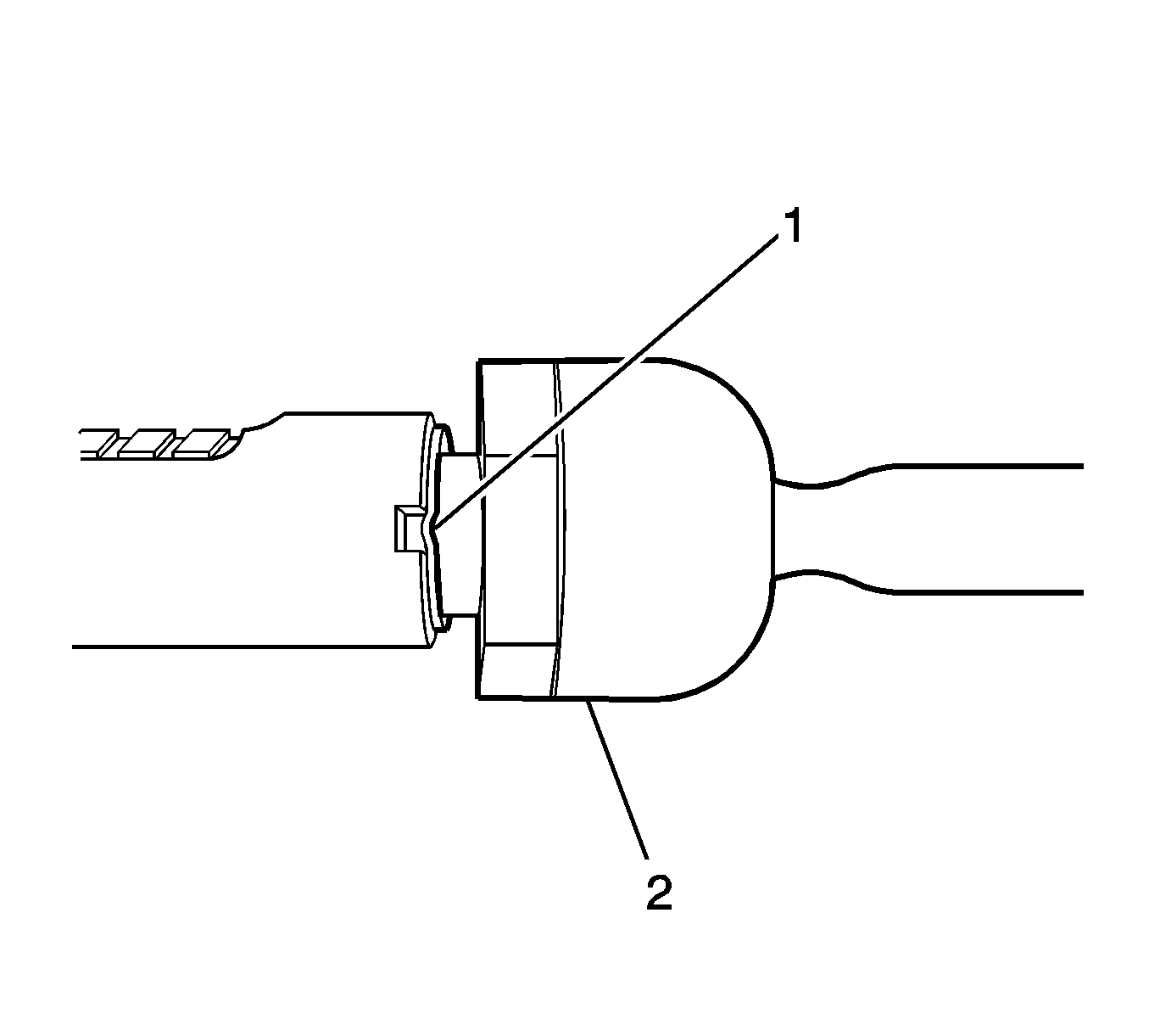
    Object Number: 1646497  Size: SH
  6. Stake the rack and pinion inner tie rod (2) at the location shown (1) with a hammer and punch.
  7. Install the steering gear boot. Refer to Steering Gear Boot Replacement - On Vehicle.
  8. Adjust the front toe. Refer to Front Toe Adjustment.