GM Service Manual Online
For 1990-2009 cars only

Removal Procedure

    Danger: To avoid any vehicle damage, serious personal injury or death when major components are removed from the vehicle and the vehicle is supported by a hoist, support the vehicle with jack stands at the opposite end from which the components are being removed and strap the vehicle to the hoist.

  1. Raise and support the vehicle.

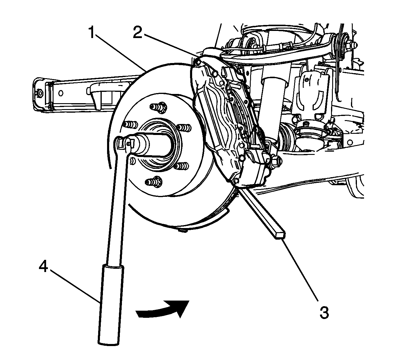
  2. Object Number: 2070578  Size: SH
  3. Insert a screw driver or drift (3)  in the brake rotor (1).
  4. Rotate the wheel drive shaft until the screw driver or drift (3) is resting against the brake caliper (2).
  5. Note: DO NOT reuse the wheel drive shaft nut. Replace with new.

  6. Using a breaker bar and the proper size socket (4), loosen the wheel driver shaft nut.

  7. Object Number: 2070597  Size: SH
  8. Remove the wheel drive shaft nut (1) and the washer (2).
  9. Remove the steering knuckle assembly from the vehicle. Refer to Steering Knuckle Replacement.

  10. Object Number: 751412  Size: SH

    Note: When removing the wheel drive shaft from the differential housing, place the brass drift on the tripod housing.

  11. Using a hammer and a brass drift, remove the wheel drive shaft from the differential housing.

Installation Procedure


    Object Number: 1339815  Size: SH

    Note: When installing the front wheel drive shaft, a snap or pop should be heard and felt when the front wheel drive shaft is properly seated in the differential case.

  1. Install the front wheel drive shaft in the front differential.
  2. Install the steering knuckle assembly. Refer to Steering Knuckle Replacement.

  3. Object Number: 2070597  Size: SH
  4. Install the NEW wheel drive shaft nut (1)  and the washer (2).

  5. Object Number: 2070579  Size: SH
  6. Insert a screwdriver or drift (2) in the brake rotor (1).
  7. Rotate the brake rotor (1) until the screwdriver or drift (2)  rest against the brake caliper (3).
  8. Caution: Refer to Fastener Caution in the Preface section.

  9. Using a torque wrench and the proper size socket (4), tighten the wheel drive shaft nut to 260 N·m 191 lb ft).
  10. Check the fluid level of the front differential. Add fluid if necessary. Refer to Front Axle Lubricant Replacement.
  11. Install the tire and wheel assembly. Refer to Tire and Wheel Removal and Installation.
  12. Remove the support and lower the vehicle.