GM Service Manual Online
For 1990-2009 cars only
Makes
🢒
HUMMER
🢒
2009
🢒
H3
🢒
Body Systems
🢒
Horns
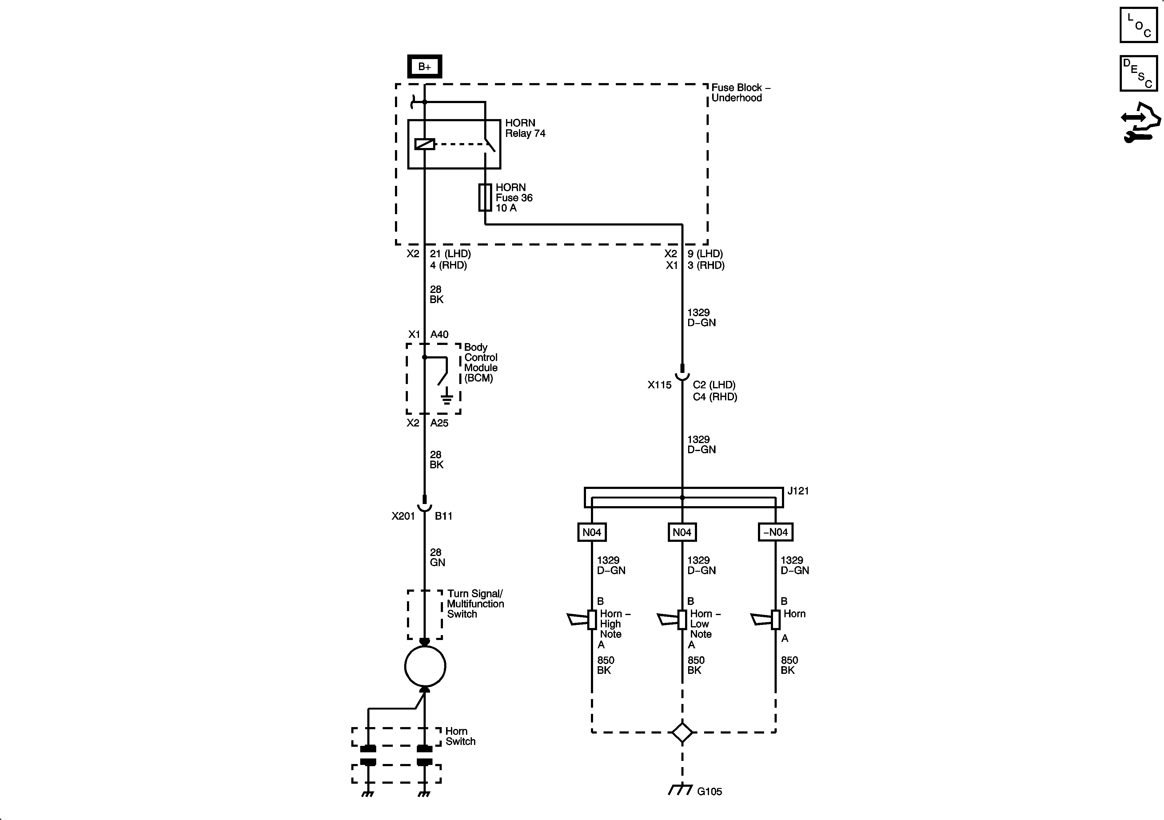
🢒 Horn Schematics