GM Service Manual Online
For 1990-2009 cars only

2-4 Servo 3.7L

Special Tools

J 29714-A Servo Cover Depressor

Removal Procedure

  1. Raise and support the vehicle. Refer to Lifting and Jacking the Vehicle.
  2. Remove the front propeller shaft. Refer to Front Propeller Shaft Replacement.
  3. Clean away all dirt and debris from the 2-4 servo cover area.
  4. Remove a single transmission oil pan bolt.

  5. Object Number: 14478  Size: SH
  6. Install the J 29714-A in place of the transmission oil pan bolt.
  7. Tighten the bolt in order to compress the servo cover.

  8. Object Number: 642680  Size: SH
  9. Remove the servo cover retaining ring.
  10. Remove the J 29714-A .

  11. Object Number: 645364  Size: SH
  12. Remove the servo cover and the O-ring seal. If the cover is hung up on the seal, use a pick (2) to pull and stretch the seal (1) out of the groove. Cut and remove the O-ring seal before removing the cover.

  13. Object Number: 642523  Size: SH
  14. Remove the 2-4 servo from the transmission.
  15. Inspect the 4th apply piston, 2-4 servo converter, 2nd apply piston, and the servo piston inner housing for the following defects.
  16. • Cracks
    • Scoring
    • Burrs and nicks
  17. Disassemble the 2-4 servo if necessary. Refer to 2-4 Band Servo 2nd Apply Piston Disassemble.
  18. Clean and inspect the 2-4 servo. Refer to 2-4 Band Servo Piston Pin Length Check.

Installation Procedure

  1. Assemble the 2-4 servo if previously disassembled. Refer to 2-4 Servo Assembly Installation.
  2. Lightly lubricate the seals with clean transmission fluid.
  3. Install new seals on the servo pistons and the servo cover.

  4. Object Number: 642523  Size: SH
  5. Install the 2-4 servo assembly into the transmission.
  6. Install the J 29714-A to the transmission oil pan flange.

  7. Object Number: 14478  Size: SH
  8. Tighten the bolt in order to compress the servo cover.
  9. Install the servo cover retaining ring.
  10. Remove the J 29714-A .
  11. Caution: Refer to Fastener Caution in the Preface section.

  12. Install the oil pan bolt.
  13. Tighten
    Tighten the oil pan bolt to 11 N·m (97 lb in).

  14. Install the front propeller shaft. Refer to Front Propeller Shaft Replacement.
  15. Lower the vehicle.
  16. Fill the transmission to the proper level. Refer to Transmission Fluid Check.
  17. Note: It is recommended that transmission adaptive pressure (TAP) information be reset.

    Resetting the TAP values using a scan tool will erase all learned values in all cells. As a result, The ECM, PCM or TCM will need to relearn TAP values. Transmission performance may be affected as new TAP values are learned.

  18. Reset the TAP values. Refer to Transmission Adaptive Functions.

2-4 Servo 5.3L

Special Tools

J 29714-A Servo Cover Depressor

Removal Procedure

  1. Raise and support the vehicle. Refer to Lifting and Jacking the Vehicle.
  2. Remove the front propeller shaft. Refer to Front Propeller Shaft Replacement.
  3. Remove the right catalytic converter. Refer to Catalytic Converter Replacement - Right Side.

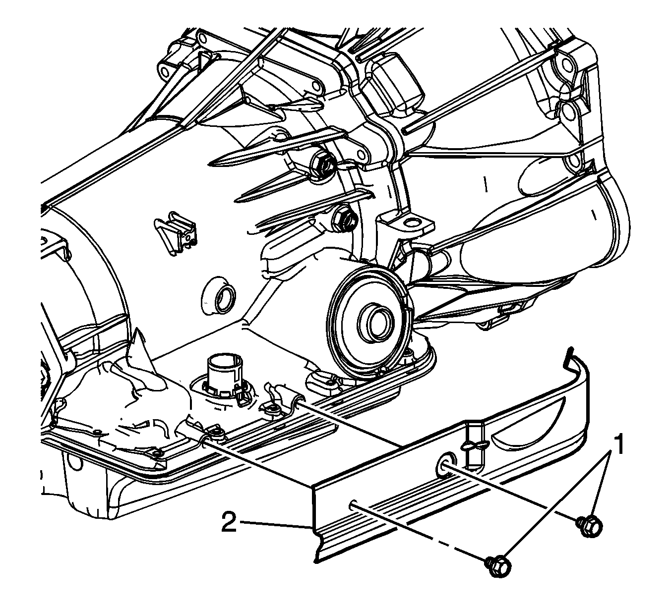
  4. Object Number: 1900886  Size: SH
  5. Remove the heat shield bolts (1).
  6. Remove the heat shield (2).
  7. Clean away all dirt and debris from the 2-4 servo cover area.
  8. Remove a single transmission oil pan bolt.

  9. Object Number: 14478  Size: SH
  10. Install the J 29714-A in place of the transmission oil pan bolt.
  11. Tighten the bolt in order to compress the servo cover.

  12. Object Number: 642680  Size: SH
  13. Remove the servo cover retaining ring.
  14. Remove the J 29714-A .

  15. Object Number: 645364  Size: SH
  16. Remove the servo cover and the O-ring seal. If the cover is hung up on the seal, use a pick (2) to pull and stretch the seal (1) out of the groove. Cut and remove the O-ring seal before removing the cover.

  17. Object Number: 642523  Size: SH
  18. Remove the 2-4 servo from the transmission.
  19. Inspect the 4th apply piston, 2-4 servo converter, 2nd apply piston, and the servo piston inner housing for the following defects.
  20. • Cracks
    • Scoring
    • Burrs and nicks
  21. Disassemble the 2-4 servo if necessary. Refer to 2-4 Band Servo 2nd Apply Piston Disassemble.
  22. Clean and inspect the 2-4 servo. Refer to 2-4 Band Servo Piston Pin Length Check.

Installation Procedure

  1. Assemble the 2-4 servo if previously disassembled. Refer to 2-4 Servo Assembly Installation.
  2. Lightly lubricate the seals with clean transmission fluid.
  3. Install new seals on the servo pistons and the servo cover.

  4. Object Number: 642523  Size: SH
  5. Install the 2-4 servo assembly into the transmission.
  6. Install the J 29714-A to the transmission oil pan flange.

  7. Object Number: 14478  Size: SH
  8. Tighten the bolt in order to compress the servo cover.
  9. Install the servo cover retaining ring.
  10. Remove the J 29714-A .
  11. Caution: Refer to Fastener Caution in the Preface section.

  12. Install the oil pan bolt.
  13. Tighten
    Tighten the oil pan bolt to 11 N·m (97 lb in).


    Object Number: 1900886  Size: SH
  14. Install the heat shield (2).
  15. Install the heat shield bolts (1).
  16. Tighten
    Tighten the bolts to 10 N·m (89 lb in).

  17. Install the left catalytic converter. Refer to Catalytic Converter Replacement - Left Side.
  18. Install the front propeller shaft. Refer to Front Propeller Shaft Replacement.
  19. Lower the vehicle.
  20. Fill the transmission to the proper level. Refer to Transmission Fluid Check.
  21. Note: It is recommended that transmission adaptive pressure (TAP) information be reset.

    Resetting the TAP values using a scan tool will erase all learned values in all cells. As a result, The ECM, PCM or TCM will need to relearn TAP values. Transmission performance may be affected as new TAP values are learned.

  22. Reset the TAP values. Refer to Transmission Adaptive Functions.