GM Service Manual Online
For 1990-2009 cars only
Makes
🢒
Holden
🢒
2008
🢒
VE Ute
🢒
Diagnostic Navigation
🢒
Vehicle Diagnostic Information
🢒 Body Control System Schematics
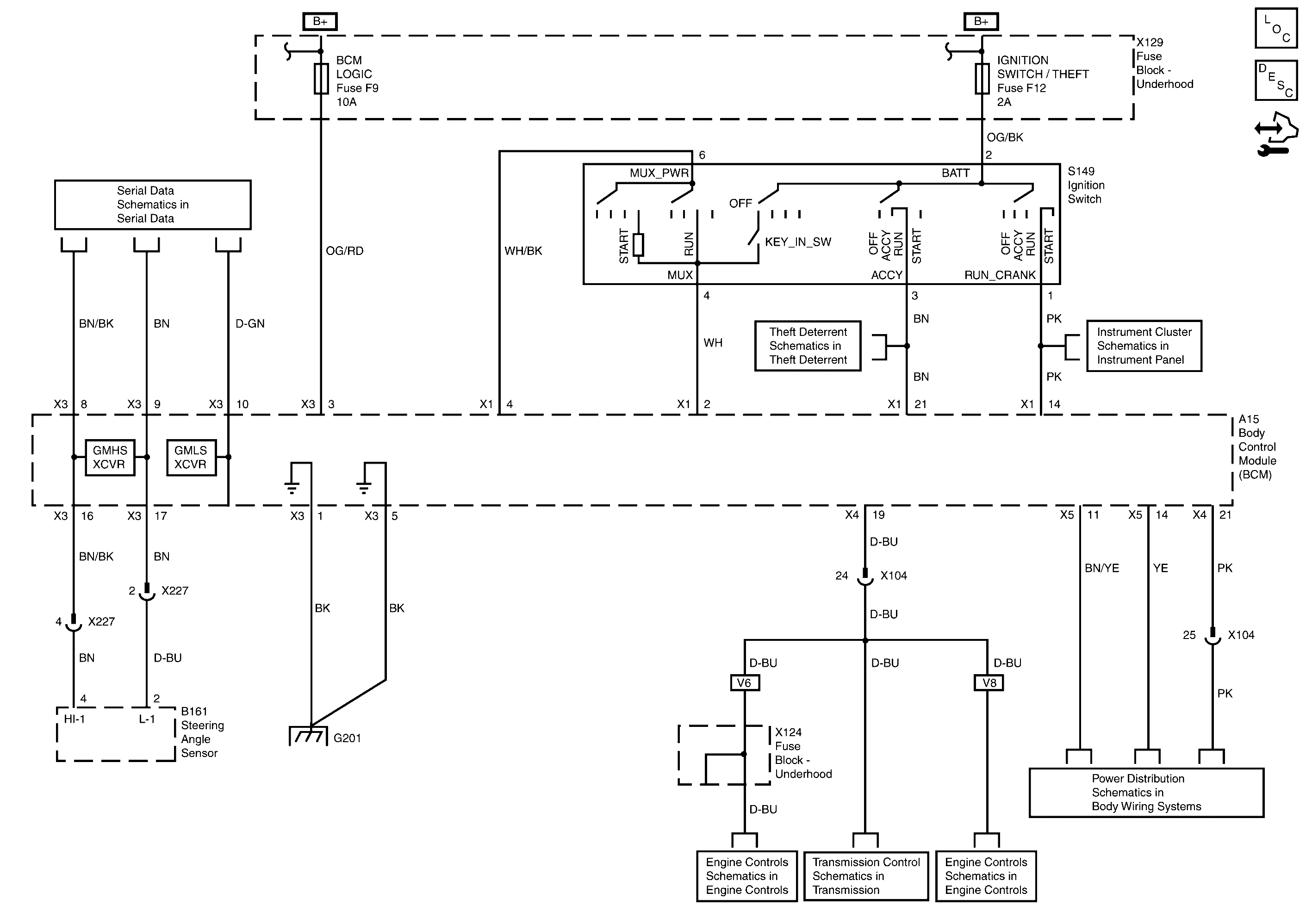
Body Control Module and Ignition Switch, Power, Ground, Inputs and Outputs
Master Electrical Component List
Body Control System Description and Operation
Control Module References
Batt Main 2, Console Lighting, BCM Logic, Stop Lamps/Park Assist and IGNSW/Theft Fuses and Ignition Switch
Batt Main 2, Console Lighting, BCM Logic, Stop Lamps/Park Assist and IGNSW/Theft Fuses and Ignition Switch
Pin Allocation
Theft Deterrent Module, Power, Ground, Serial Data
Instrument Cluster Power, Ground, Serial Data, Inputs and Outputs
ECM Inputs and Outputs
TCM and Transmission, Power, Ground, Serial Data, Inputs and Outputs
ECM Inputs and Outputs
B+ Bus - 2 of 2
G201