GM Service Manual Online
For 1990-2009 cars only
Figure 1:

B+ Bus - 1 of 2


Object Number: 2012549  Size: FS
Master Electrical Component List
Control Module References
B+ Bus - 2 of 2
B+ Bus - 2 of 2
Figure 2:

B+ Bus - 2 of 2


Object Number: 2012550  Size: FS
Master Electrical Component List
Control Module References
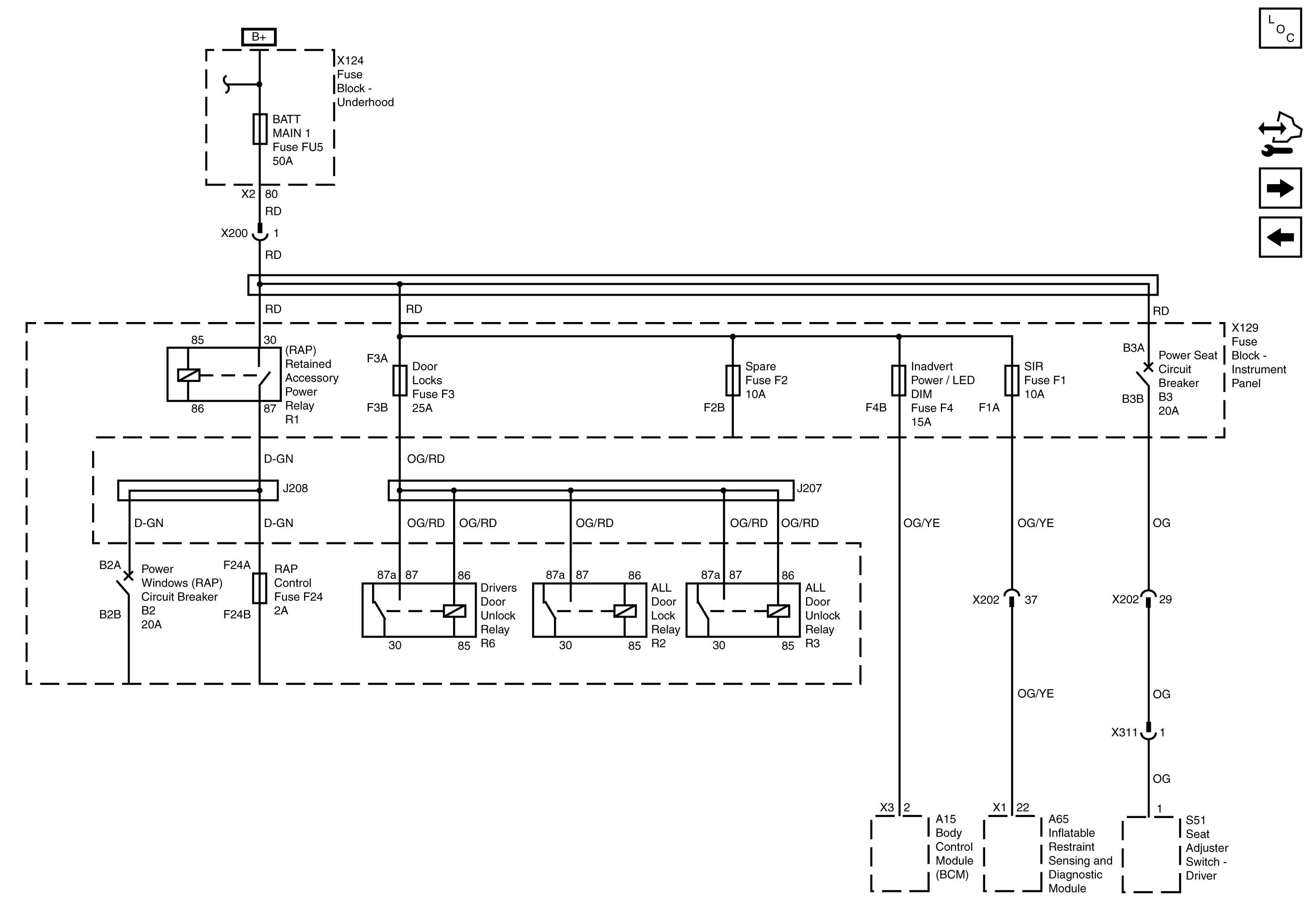
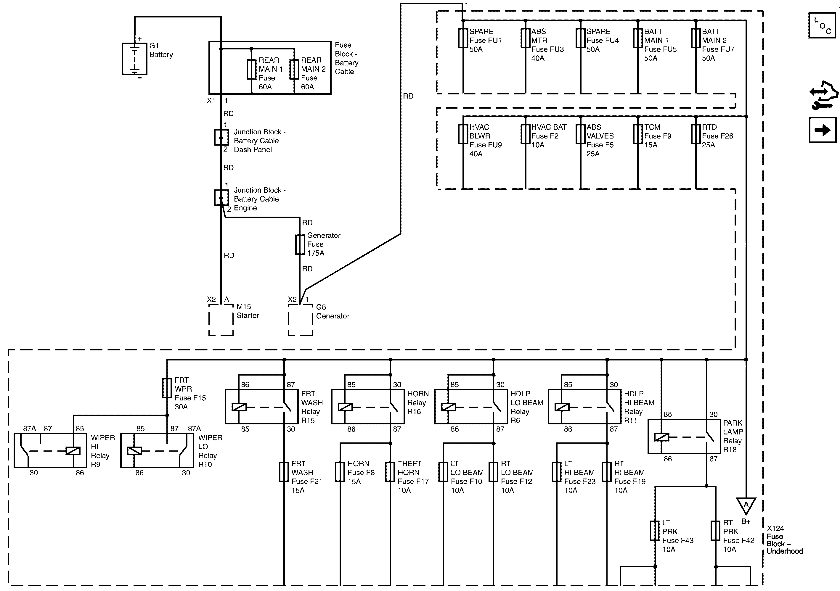
Batt Main 1, Door Locks, Inadvert Power/LED DIM and SIR Fuses and Power Seat Circuit Breaker
B+ Bus - 1 of 2
B+ Bus - 1 of 2
Figure 3:

Batt Main 1, Door Locks, Inadvert Power/LED DIM and SIR Fuses and Power Seat Circuit Breaker


Object Number: 2012553  Size: FS
Master Electrical Component List
Control Module References
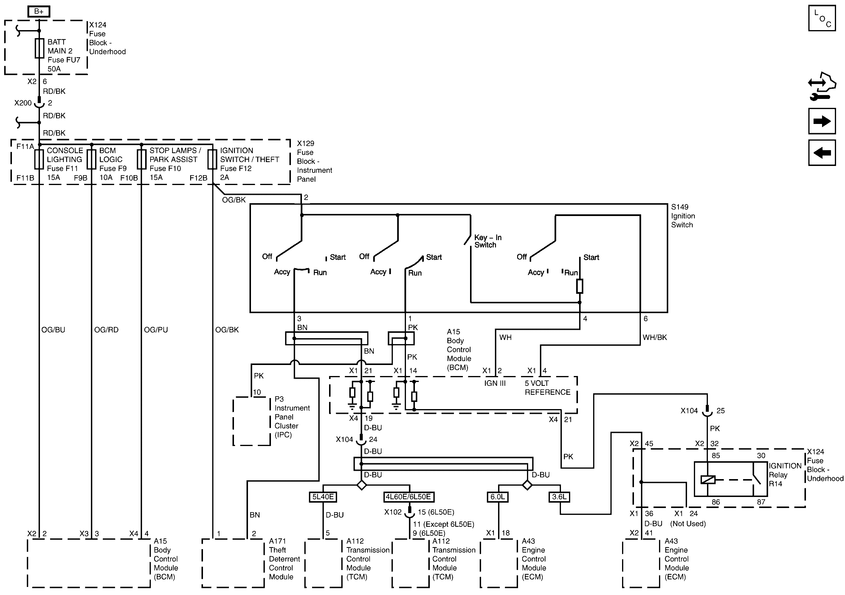
Batt Main 2, Console Lighting, BCM Logic, Stop Lamps/Park Assist and IGNSW/Theft Fuses and Ignition Switch
B+ Bus - 2 of 2
B+ Bus - 1 of 2
Figure 4:

Batt Main 2, Console Lighting, BCM Logic, Stop Lamps/Park Assist and IGNSW/Theft Fuses and Ignition Switch


Object Number: 2012552  Size: FS
Master Electrical Component List
Control Module References
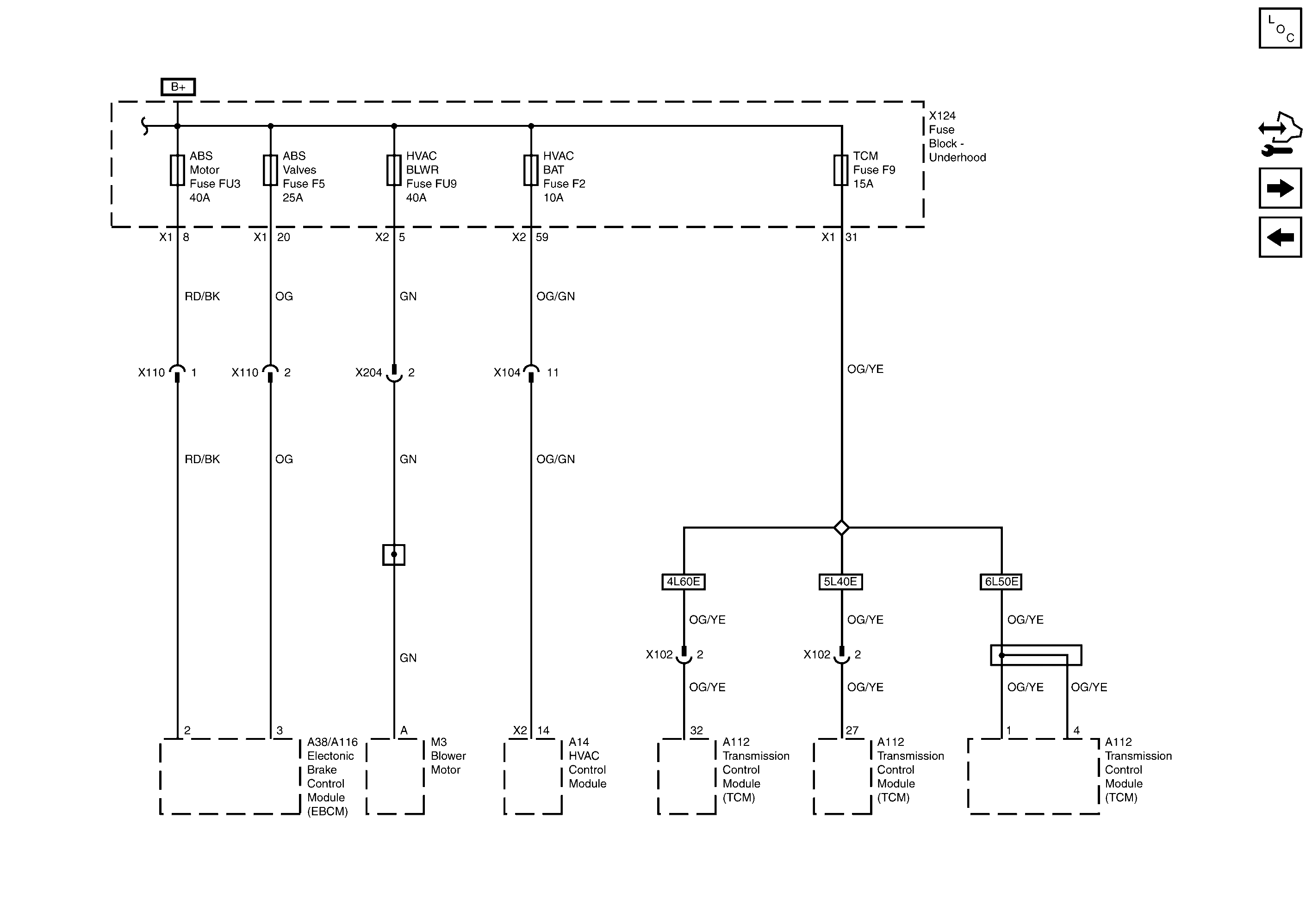
ABS Motor, ABS Valves, HVAC Blower, HVAC Batt and TCM Fuses
Batt Main 1, Door Locks, Inadvert Power/LED DIM and SIR Fuses and Power Seat Circuit Breaker
B+ Bus - 1 of 2
Figure 5:

ABS Motor, ABS Valves, HVAC Blower, HVAC Batt and TCM Fuses


Object Number: 2012554  Size: FS
Master Electrical Component List
Control Module References
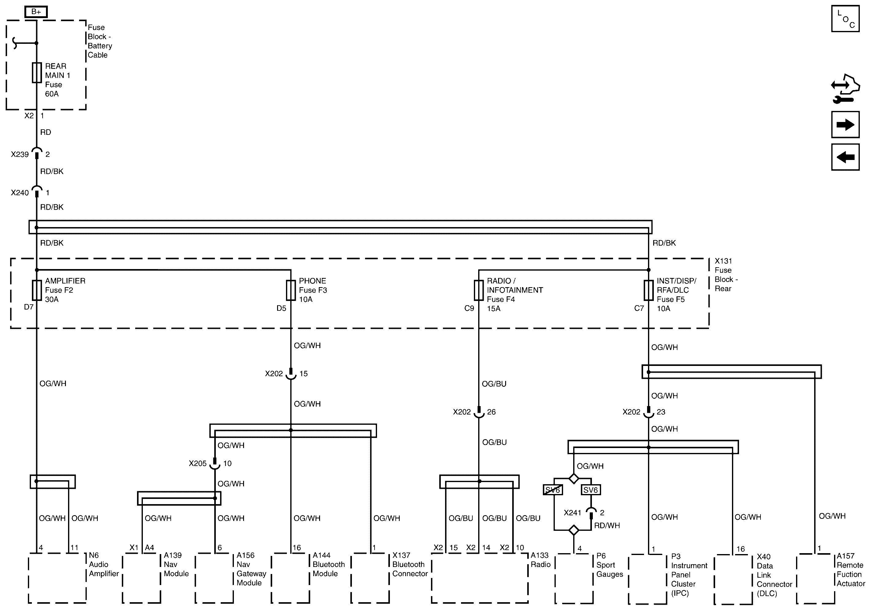
Rear Main 1, Amplifier, Phone, Radio/Infotainment and INST/DISP/RFA/DLC Fuses
Batt Main 2, Console Lighting, BCM Logic, Stop Lamps/Park Assist and IGNSW/Theft Fuses and Ignition Switch
B+ Bus - 1 of 2
Figure 6:

Rear Main 1, Amplifier, Phone, Radio/Infotainment and INST/DISP/RFA/DLC Fuses


Object Number: 2012555  Size: FS
Master Electrical Component List
Control Module References
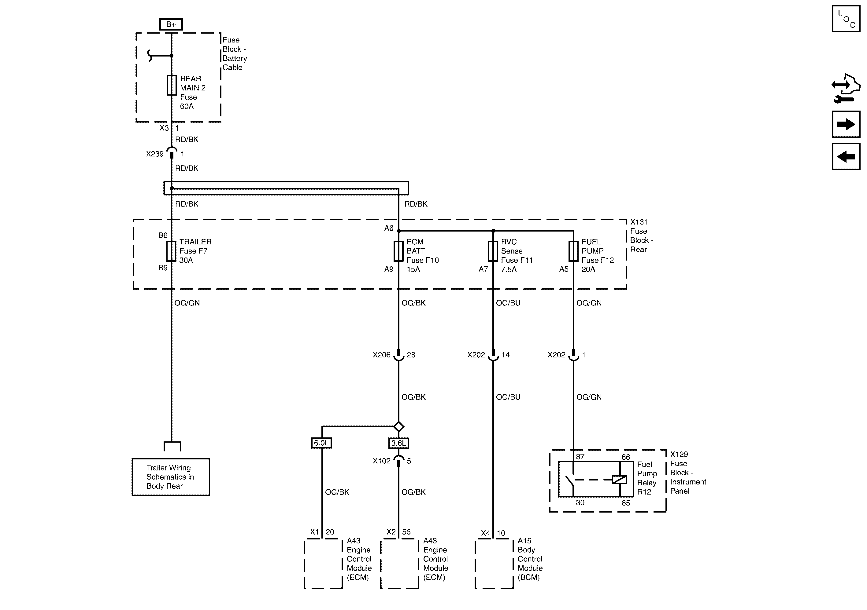
ECM, Fuel Pump, Rear Main, RVC Sense and Trailer Fuses
ABS Motor, ABS Valves, HVAC Blower, HVAC Batt and TCM Fuses
B+ Bus - 1 of 2
Figure 7:

Rear Main 2, ECM, Fuel Pump, RVC Sense and Trailer Fuses


Object Number: 2021902  Size: FS
Master Electrical Component List
Control Module References
Batt Main 2, Console Lighting, BCM Logic, Stop Lamps/Park Assist and IGNSW/Theft Fuses and Ignition Switch
Rear Main 1, Amplifier, Phone, Radio/Infotainment and INST/DISP/RFA/DLC Fuses
B+ Bus - 1 of 2
Trailer Wiring
Figure 8:

Batt Main 2, Console Lighting, BCM Logic, Stop Lamps/Park Assist and IGNSW/Theft Fuses and Ignition Switch


Object Number: 2012556  Size: FS
Master Electrical Component List
Control Module References
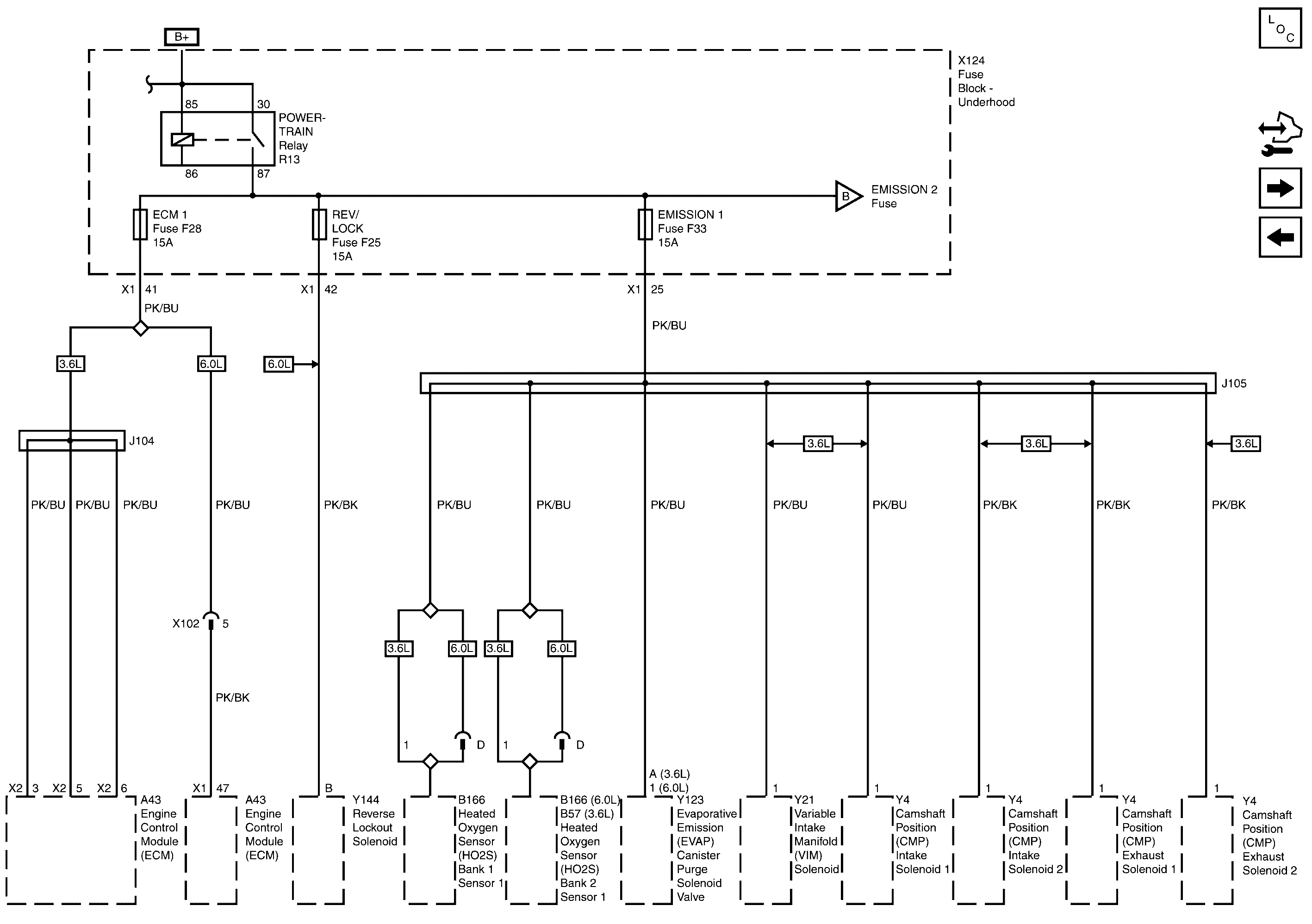
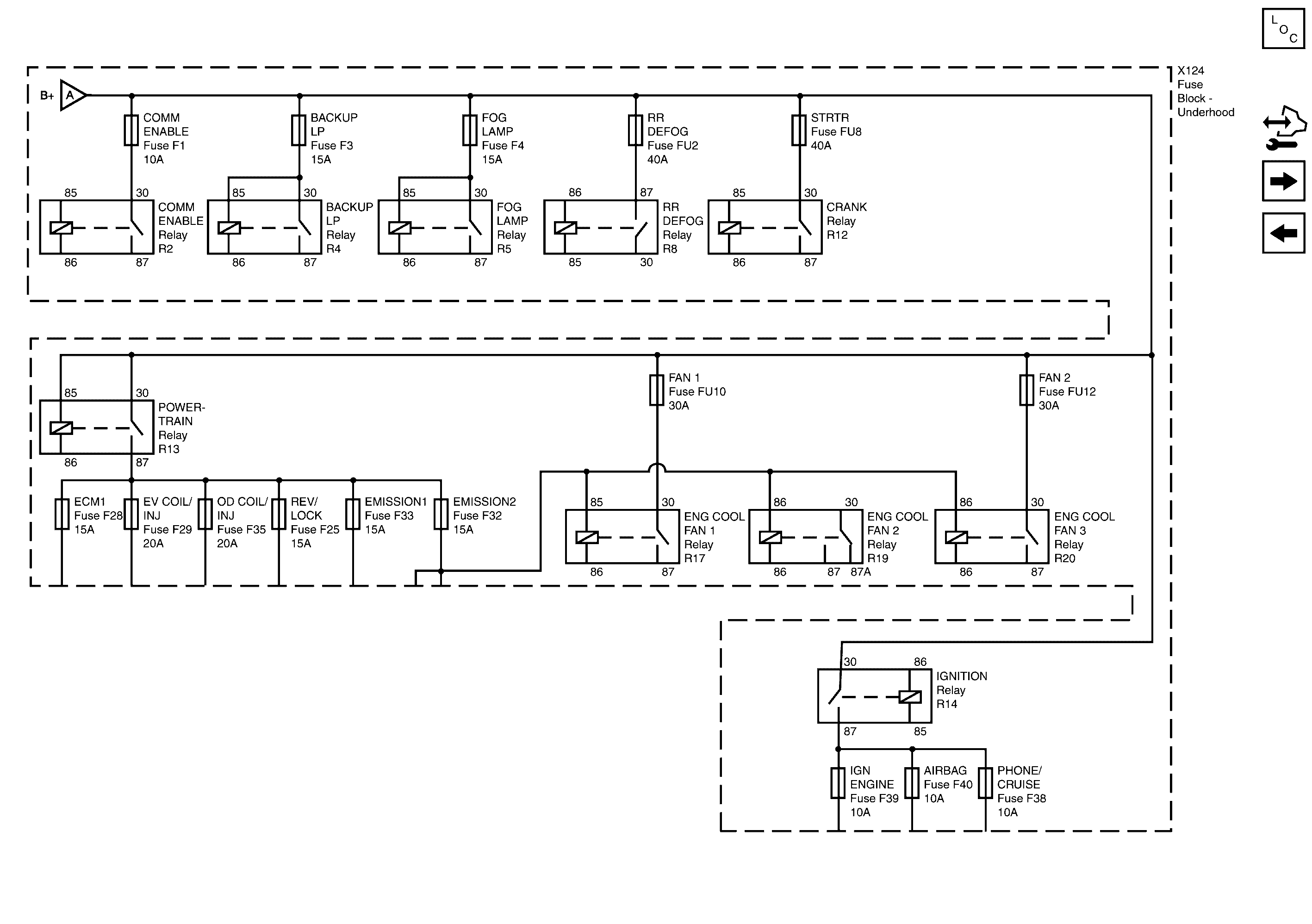
PWR/TRN Bus - ECM 1, Emission 1 and REV/LOCK Fuses
ECM, Fuel Pump, Rear Main, RVC Sense and Trailer Fuses
B+ Bus - 1 of 2
Figure 9:

PWR/TRN Bus - ECM 1, Emission 1 and REV/LOCK Fuses


Object Number: 2012557  Size: FS
Master Electrical Component List
Control Module References
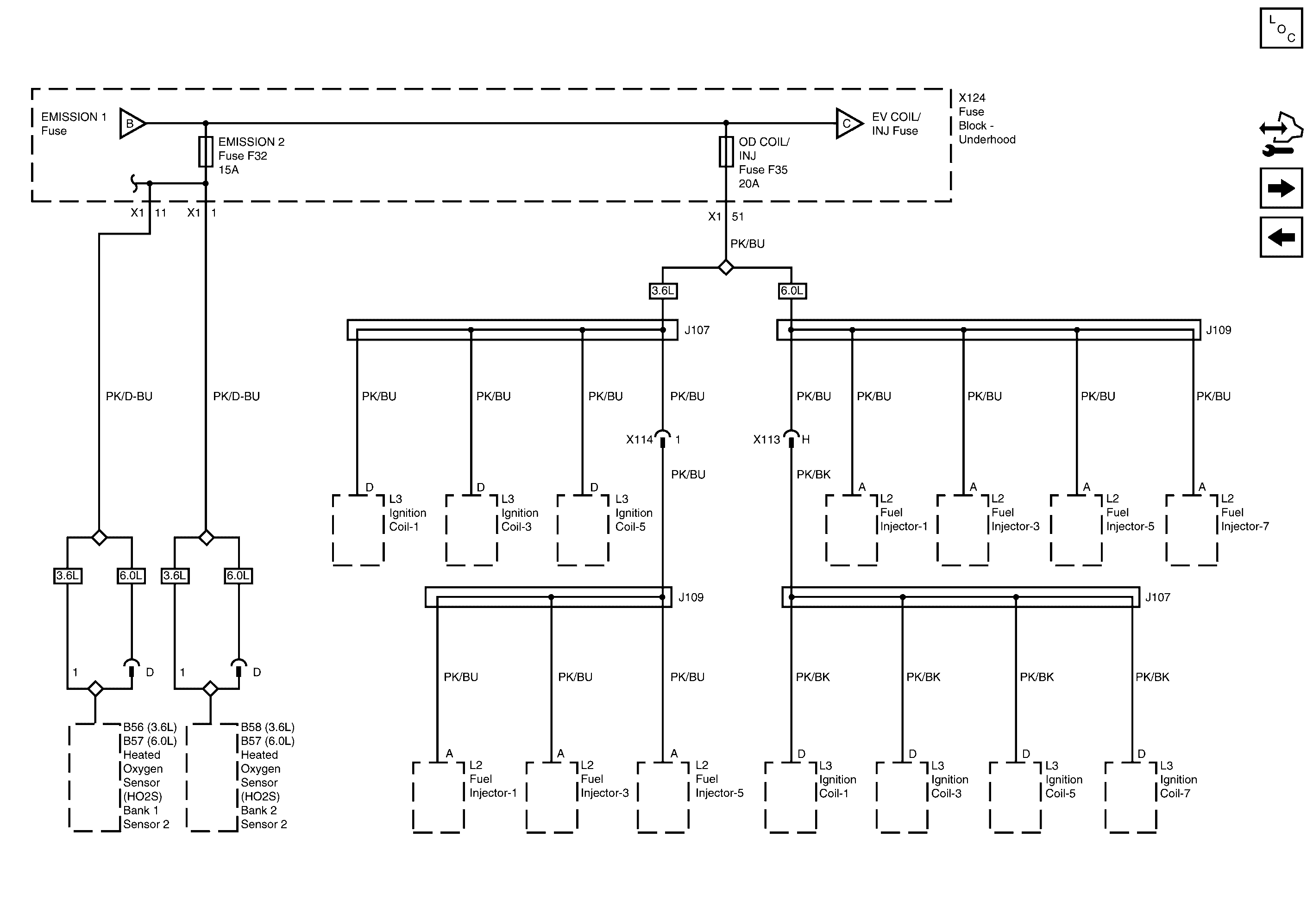
PWR/TRN Bus - Emission 2 and ODCOIL/INJ Fuses
Batt Main 2, Console Lighting, BCM Logic, Stop Lamps/Park Assist and IGNSW/Theft Fuses and Ignition Switch
B+ Bus - 2 of 2
PWR/TRN Bus - Emission 2 and ODCOIL/INJ Fuses
Figure 10:

PWR/TRN BUS - EMISSION 2 and ODCOIL/INJ Fuses


Object Number: 2021904  Size: FS
Master Electrical Component List
Control Module References
PWR/TRN BUS - EVCOIL/INJ Fuses
PWR/TRN Bus - ECM 1, Emission 1 and REV/LOCK Fuses
PWR/TRN BUS - EVCOIL/INJ Fuses
PWR/TRN Bus - ECM 1, Emission 1 and REV/LOCK Fuses
Figure 11:

PWR/TRN BUS - EVCOIL/INJ Fuses


Object Number: 1963978  Size: FS
Master Electrical Component List
Control Module References
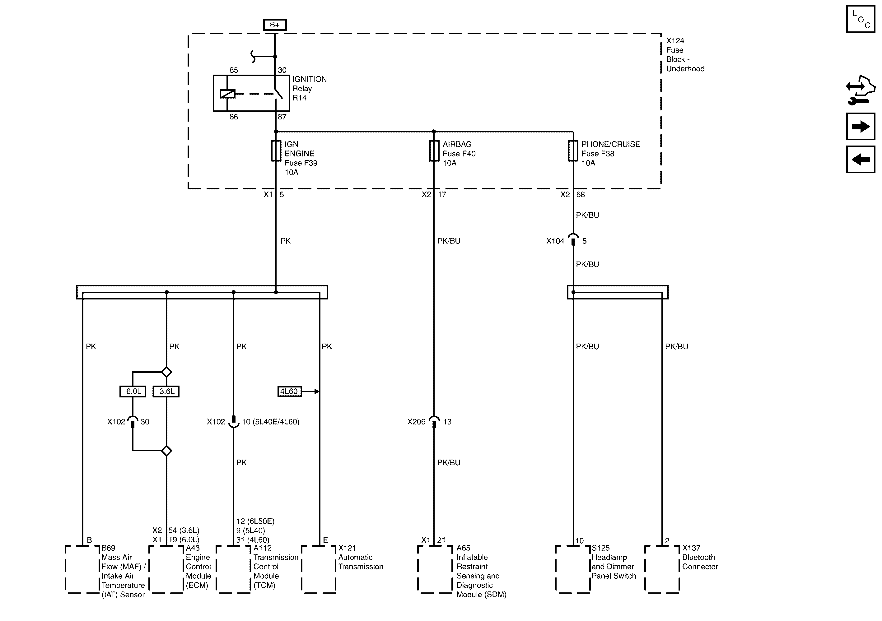
IGN II/III Bus - Airbag, IGN Engine and Phone/Cruise
PWR/TRN Bus - Emission 2 and ODCOIL/INJ Fuses
PWR/TRN Bus - Emission 2 and ODCOIL/INJ Fuses
Figure 12:

IGN II/III Bus - Airbag, IGN Engine and Phone/Cruise


Object Number: 2012558  Size: FS
Master Electrical Component List
Control Module References
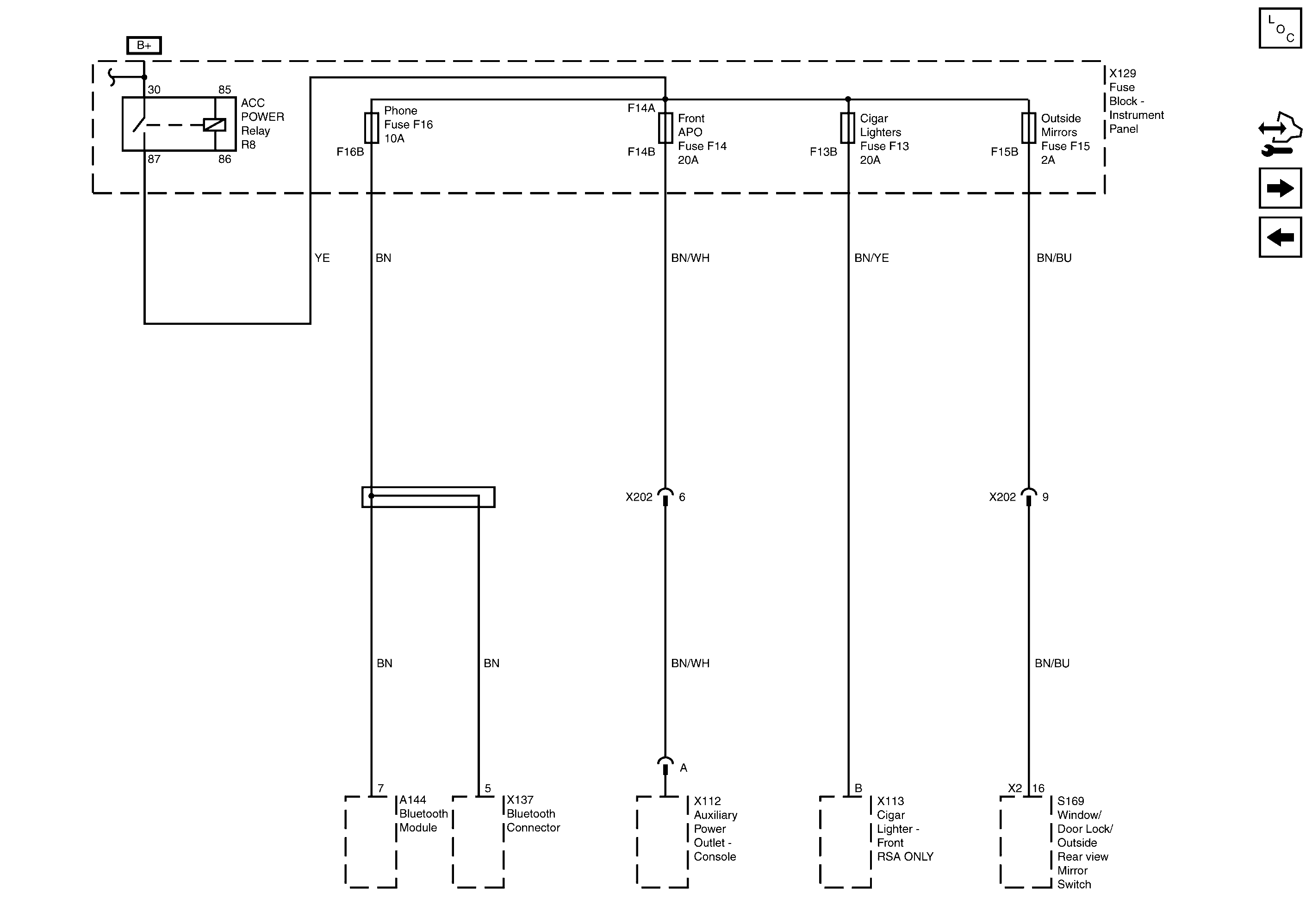
IGN II/III Bus, Cigar Lighters, Front APO, Outside Mirrors and Phone Fuses
PWR/TRN BUS - EVCOIL/INJ Fuses
B+ Bus - 2 of 2
Figure 13:

IGN II/III BUS - Cigar Lighters, Front APO, Outside Mirrors and Phone Fuses


Object Number: 2012559  Size: FS
Master Electrical Component List
Control Module References
FRT WASH, HORN, LT HI BEAM, LT LO BEAM, RT HI BEAM, RT HI BEAM, RT LO BEAM and THEFT HORN Fuses
IGN II/III Bus - Airbag, IGN Engine and Phone/Cruise
Batt Main 2, Console Lighting, BCM Logic, Stop Lamps/Park Assist and IGNSW/Theft Fuses and Ignition Switch
Figure 14:

FRT WASH, HORN,LT HI BEAM,LT LO BEAM,RT HI BEAM,RT LO BEAM and THEFT HORN Fuses


Object Number: 1963981  Size: FS
Master Electrical Component List
Control Module References
LT PRK and RT PRK Fuses
IGN II/III Bus, Cigar Lighters, Front APO, Outside Mirrors and Phone Fuses
B+ Bus - 1 of 2
Figure 15:

LT PRK and RT PRK Fuses


Object Number: 2012560  Size: FS
Master Electrical Component List
Control Module References
FRT WASH, HORN, LT HI BEAM, LT LO BEAM, RT HI BEAM, RT HI BEAM, RT LO BEAM and THEFT HORN Fuses
B+ Bus - 1 of 2