| Figure 1: |
ECM Power, Ground and Serial Data
|
| Figure 2: |
Camshaft Position Sensors and Solenoids
|
| Figure 3: |
5 Volt Reference
|
| Figure 4: |
Low Reference
|
| Figure 5: |
Fuel Injectors
|
| Figure 6: |
Odd Ignition Coils
|
| Figure 7: |
Even Ignition Coils
|
| Figure 8: |
Crankshaft Position and Knock Sensors
|
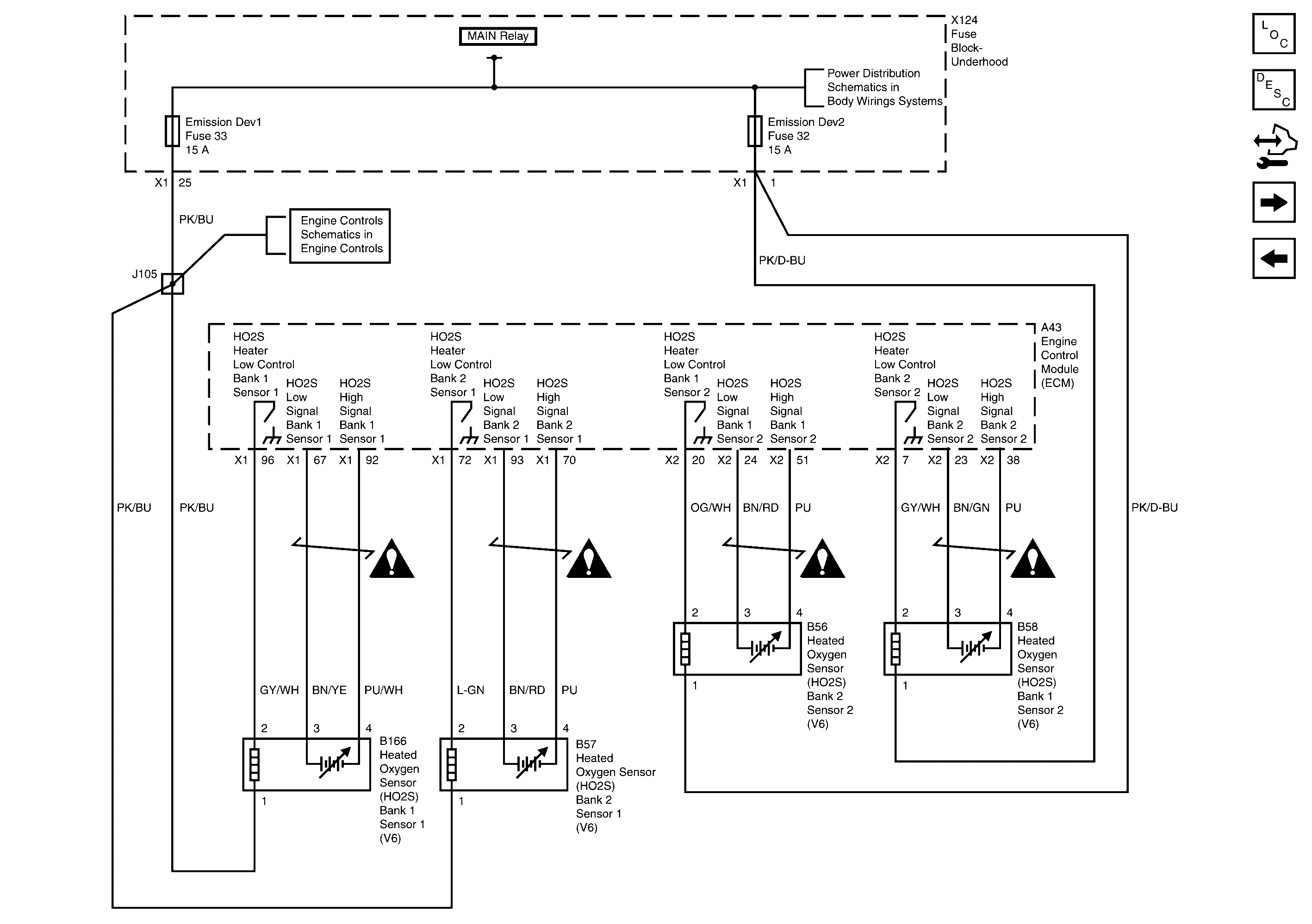
| Figure 9: |
Heated Oxygen Sensors
|
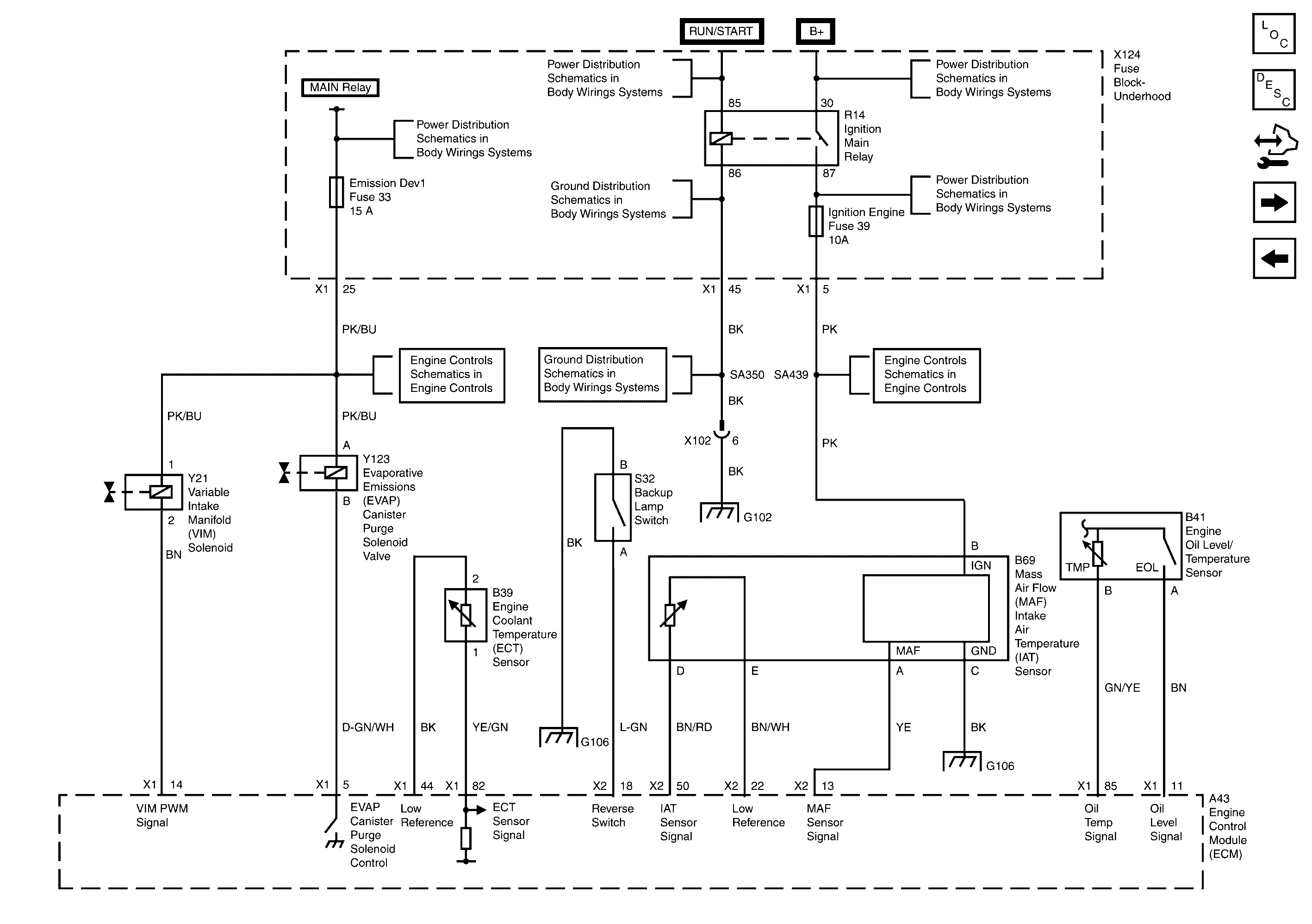
| Figure 10: |
VIM, EVAP Canister Purge Solenoid Coolant Temp
Sensor, MAF Sensor, Oil Level and Temp Sensor and Backup Lamp Switch
|
| Figure 11: |
Throttle Body and APP Sensor
|
| Figure 12: |
ECM Inputs and Outputs
|
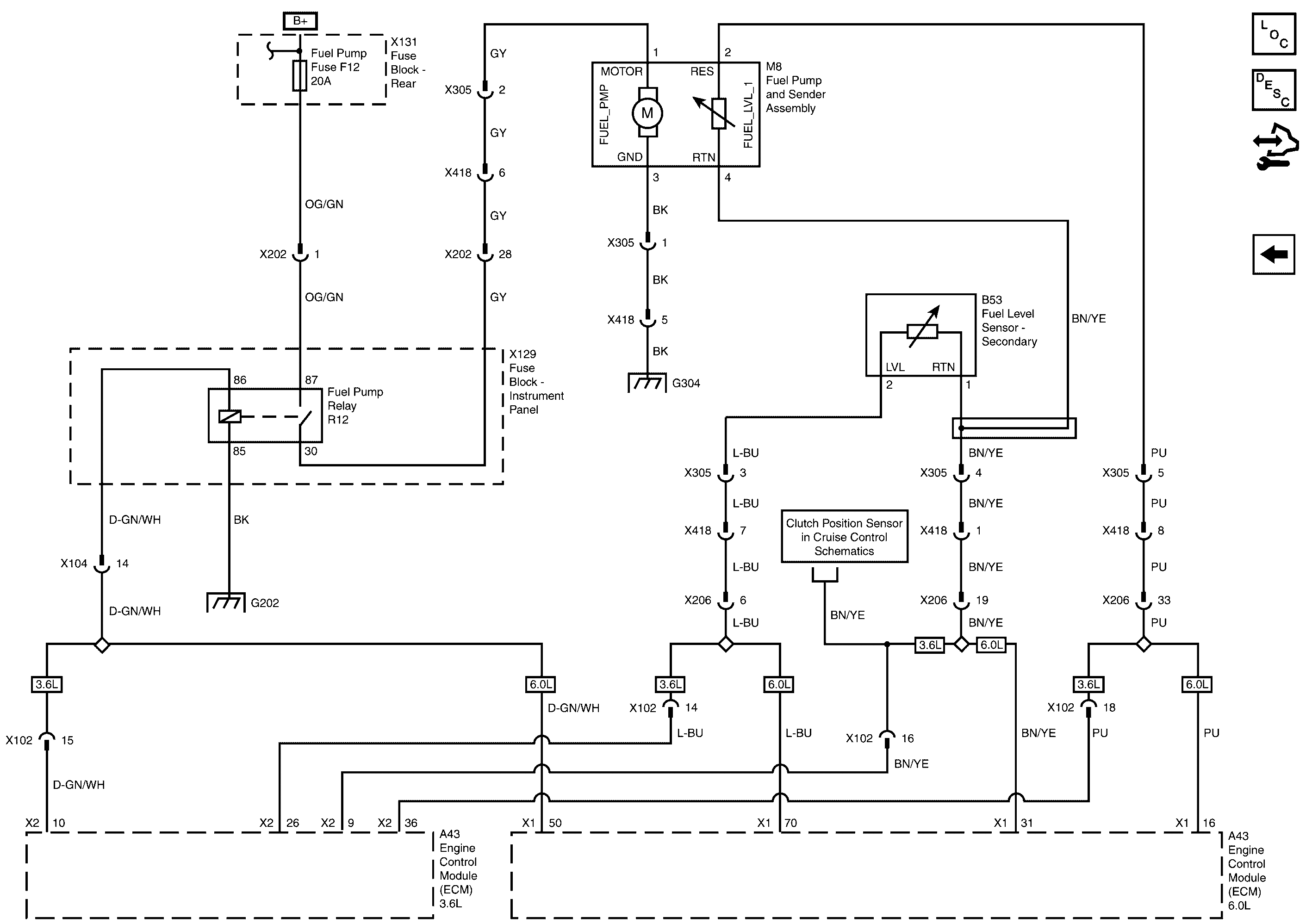
| Figure 13: |
Fuel Pump and Fuel Level Sensor
|
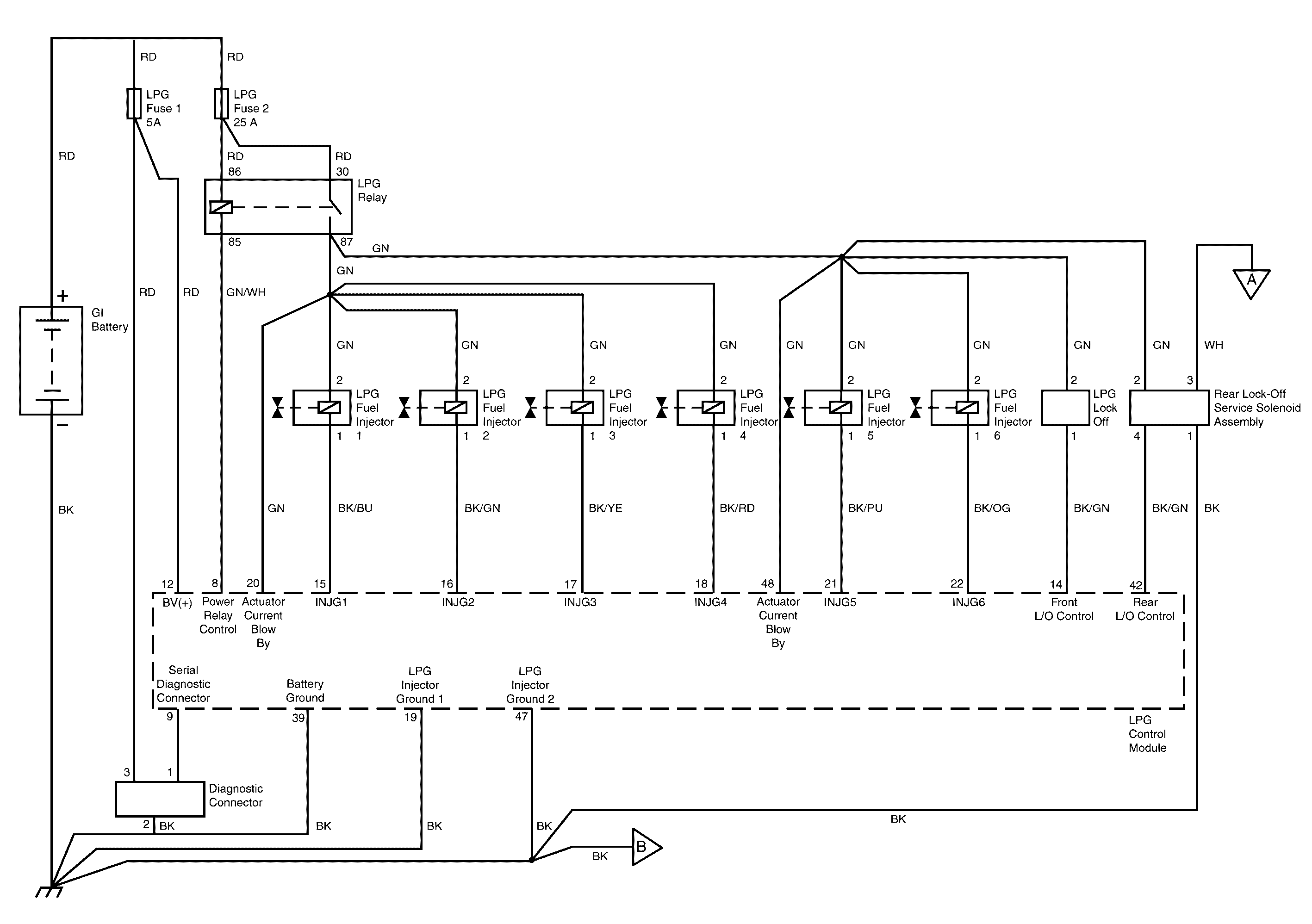
| Figure 14: |
ECM/LPG Injectors Power and Ground, Diagnostic
Connector, LPG Lock-Off and Rear Lock-Off/Service Solenoid Assembly
|
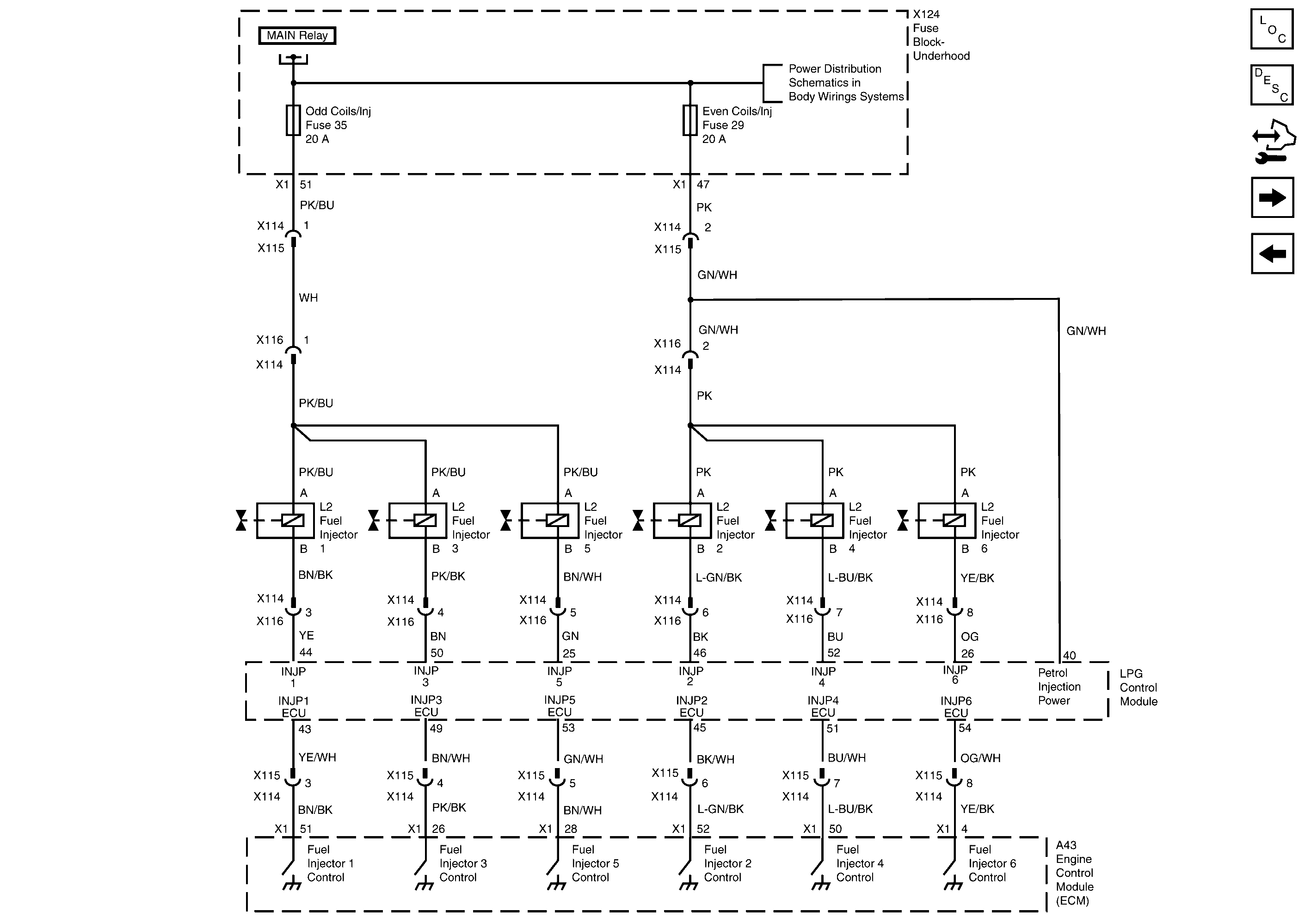
| Figure 15: |
Petrol Fuel Injectors Power and Ground, LPG Control
Module Petrol Fuel Injector Recognition
|
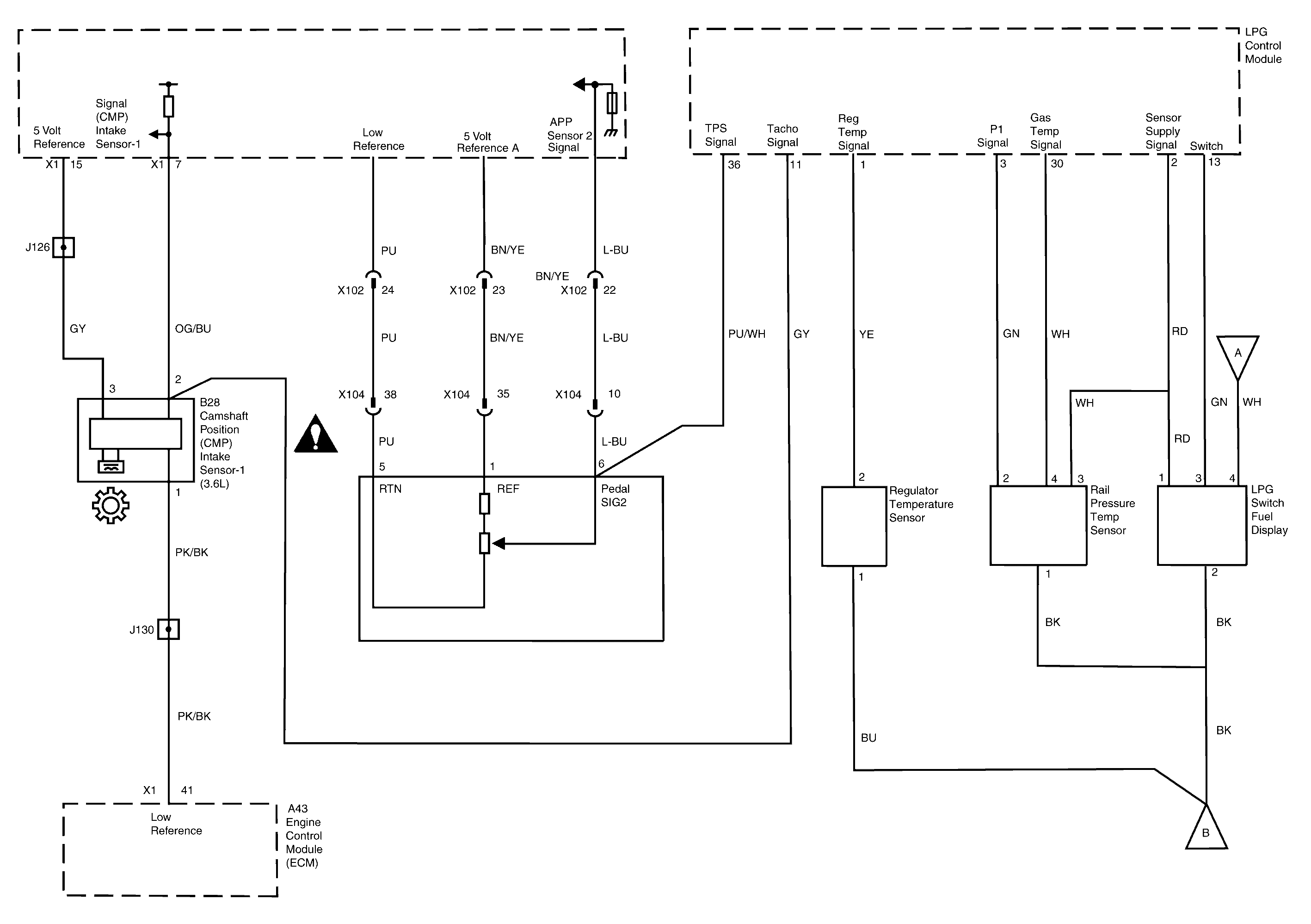
| Figure 16: |
Camshaft Position Sensor, Accelerator Pedal Position
(APP) Sensor, Regulator Temperature Sensor, Rail Pressure/Temp Sensor, LPG Switch/Fuel
Display
|