GM Service Manual Online
For 1990-2009 cars only
Makes
🢒
Holden
🢒
2009
🢒
VE Ute
🢒
Safety and Security
🢒
Seat Belts
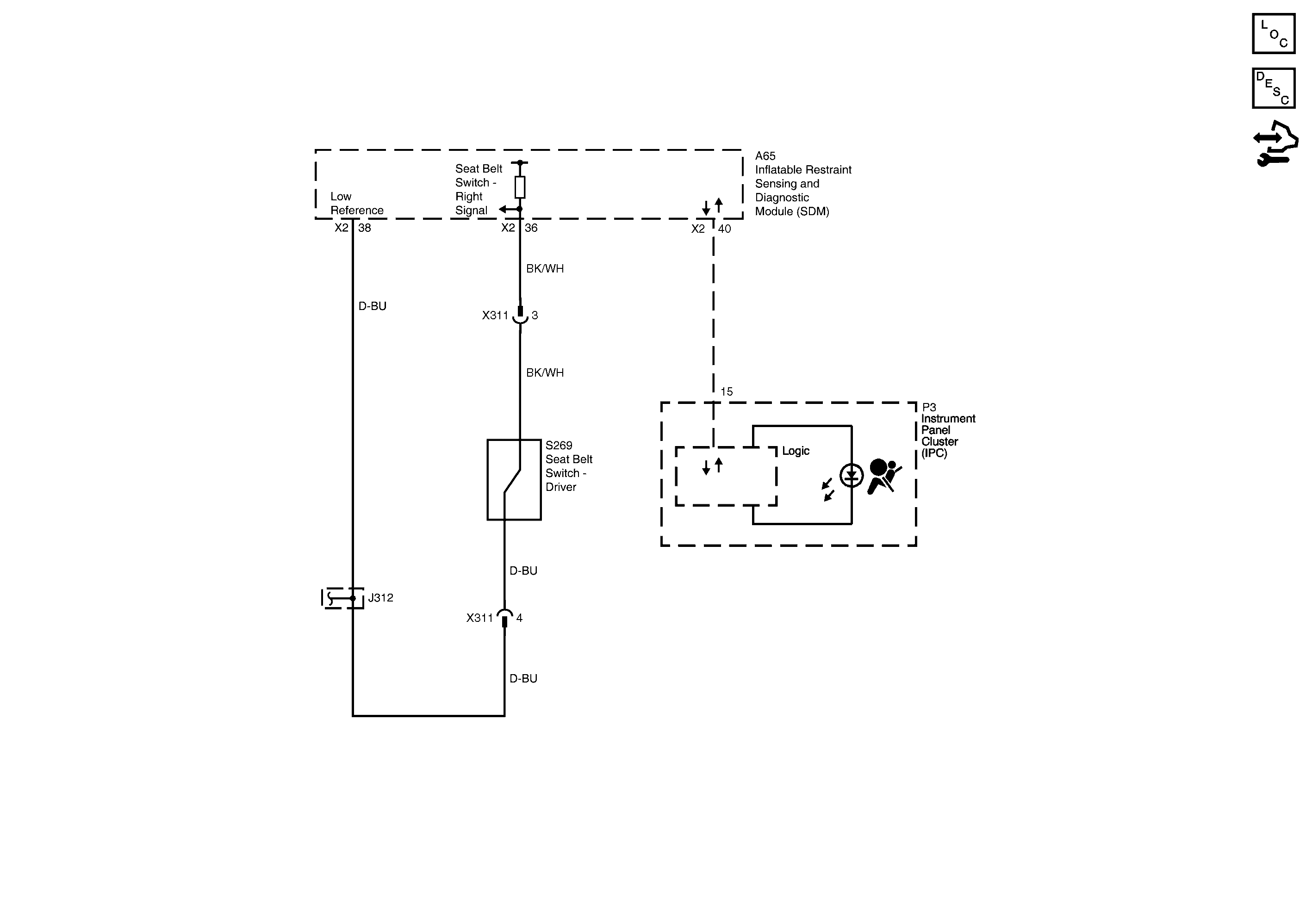
🢒 Seat Belt Schematics
Seat Belt Switch and Serial Data
Master Electrical Component List
Seat Belt System Description and Operation
Control Module References