GM Service Manual Online
For 1990-2009 cars only

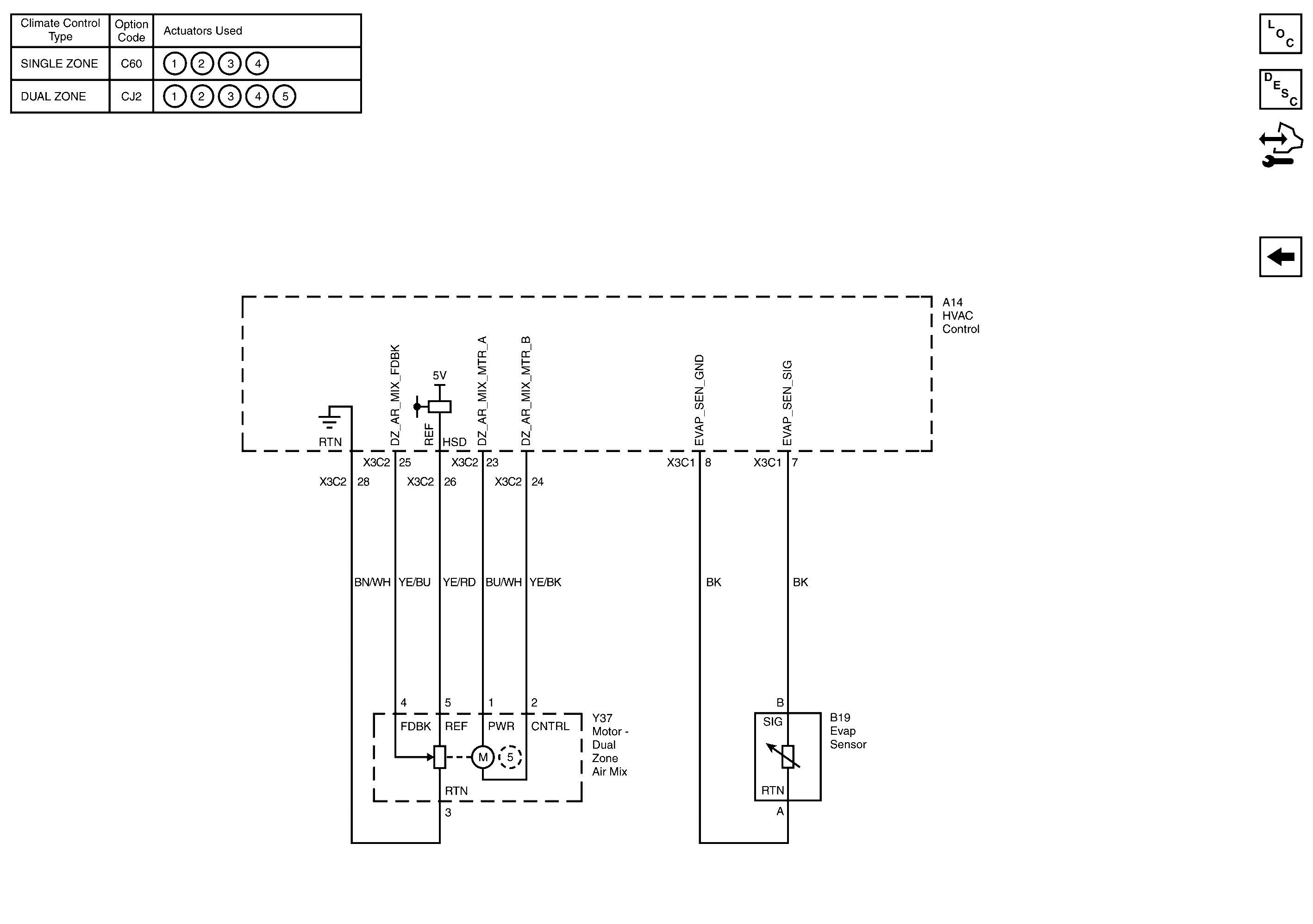
HVAC Actuators and Evap Sensor

HVAC Actuators and Evap Sensor


Object Number: 2011690  Size: FS
Master Electrical Component List
Automatic HVAC Description and Operation
Transmission Component and System Description
Control Module References
HVAC Actuators