GM Service Manual Online
For 1990-2009 cars only
Makes
🢒
Holden
🢒
2009
🢒
VE Ute
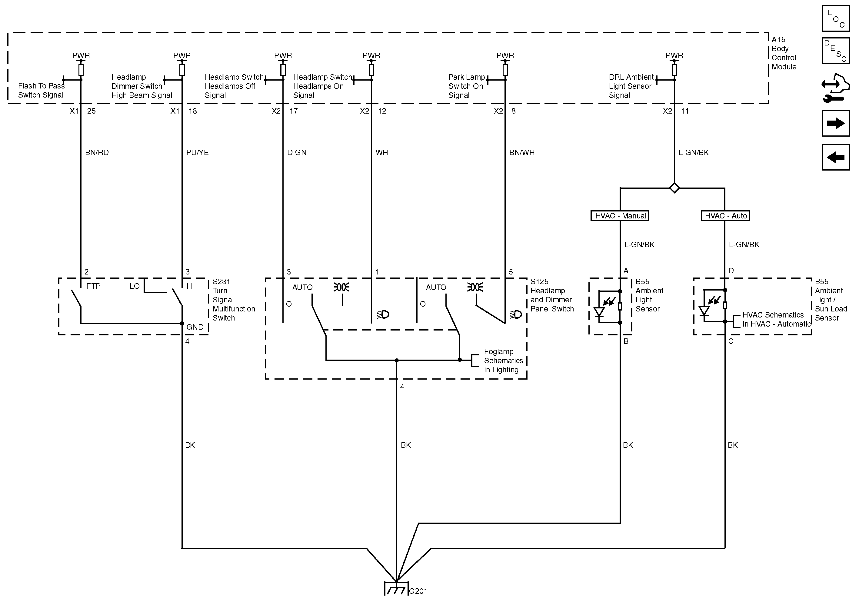
🢒 Headlamps and Turn Signal Multifuction Switcher and Ambient Light Sensors
Headlamps and Turn Signal Multifuction Switcher and Ambient Light Sensors
Headlamp and Turn Signal Multifunction Switches and Ambient Light Sensors
Master Electrical Component List
Exterior Lighting Systems Description and Operation
Control Module References
Headlamps Power and Ground
Fog Lights and Fog Lights Switch Power and Ground
G201