GM Service Manual Online
For 1990-2009 cars only
Makes
🢒
Holden
🢒
2009
🢒
VE Ute
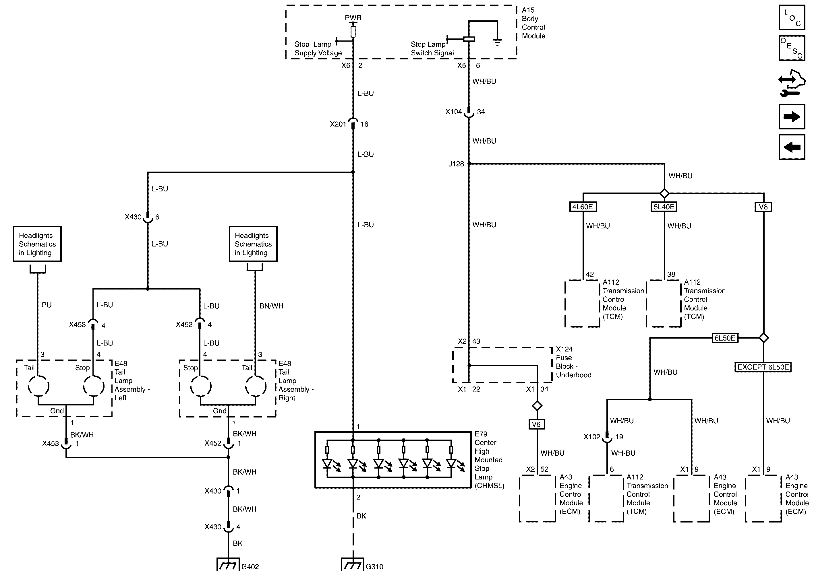
🢒 Stop Lamps Power and Ground
Stop Lamps Power and Ground
Stop Lamps Power and Ground
Master Electrical Component List
Exterior Lighting Systems Description and Operation
Control Module References
Parklamps and License Plate Lamps Power and Ground
Backup Lamps Power and Ground
G311 and G402
G102 and G310
Parklamps and License Plate Lamps Power and Ground
Parklamps and License Plate Lamps Power and Ground