GM Service Manual Online
For 1990-2009 cars only
Makes
🢒
Holden
🢒
2009
🢒
VE Ute
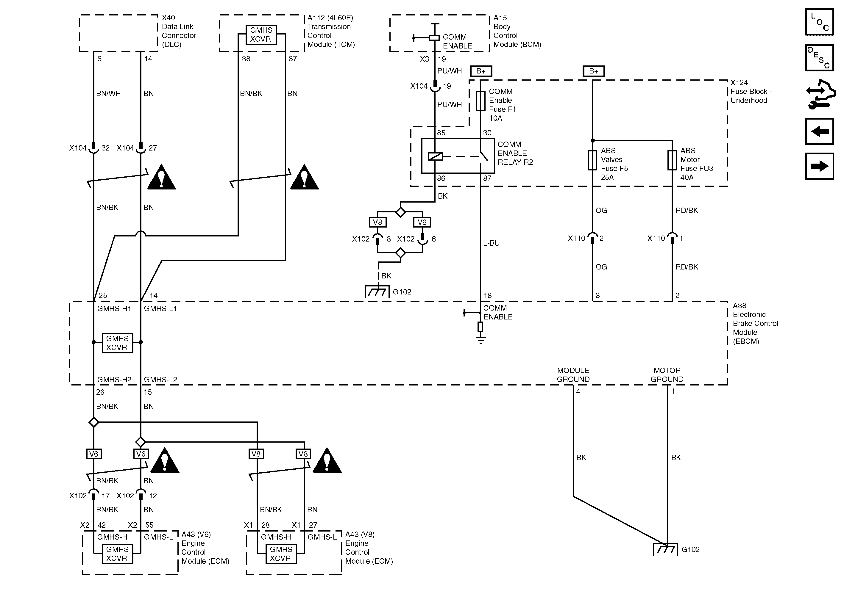
🢒 Module Power, Ground and Serial Data
Module Power, Ground and Serial Data
Module Power, Ground and Serial Data
Master Electrical Component List
ABS Description and Operation
Control Module References
Electronic Stability Program Sensors
Wheel Speed Sensors
B+ Bus - 2 of 2
B+ Bus - 1 of 2
G102 and G310
G102 and G310
Antilock Brake System Schematic Icons
Antilock Brake System Schematic Icons
Antilock Brake System Schematic Icons
Antilock Brake System Schematic Icons