GM Service Manual Online
For 1990-2009 cars only
Makes
🢒
Holden
🢒
2007
🢒
WM Sedan
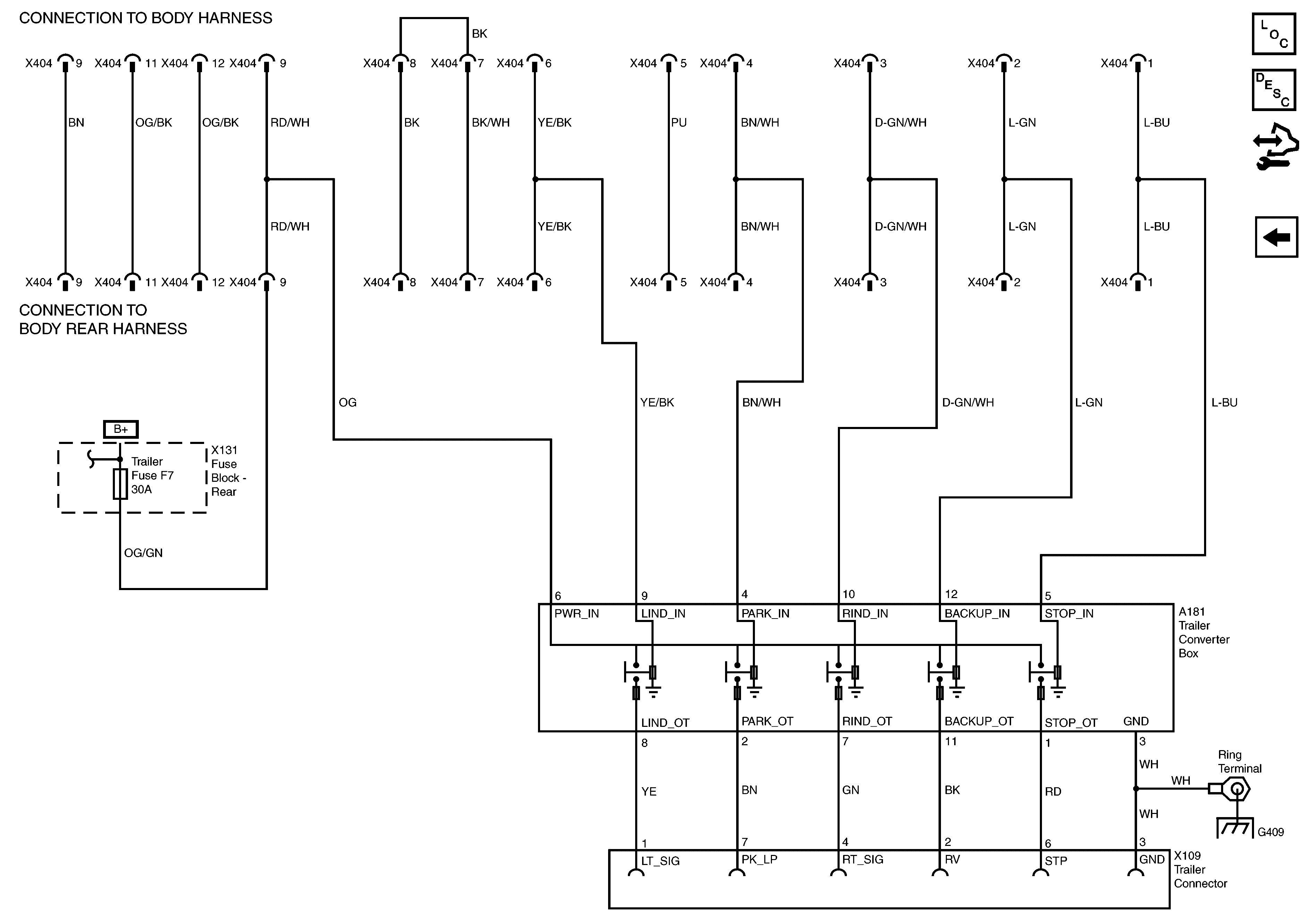
🢒 Trailer Wiring
Trailer Wiring
Trailer Wiring
Master Electrical Component List
Power Door Locks Description and Operation
Control Module References
Rear Compartment Lid Latch Assembly and Release Switch
G202
G401 and G409