GM Service Manual Online
For 1990-2009 cars only
Figure 1:

Module Power, Ground and Serial Data


Object Number: 2152915  Size: FS
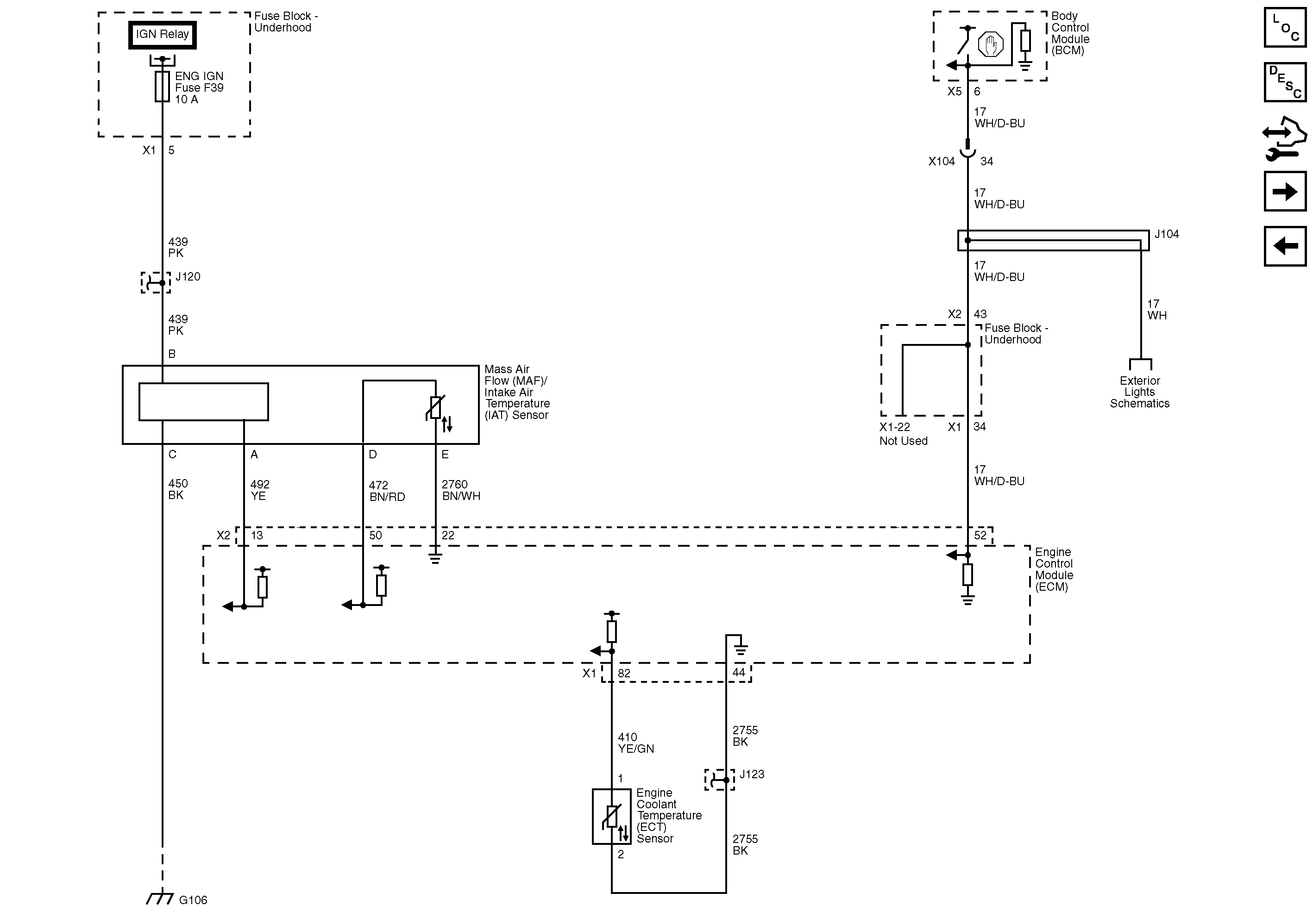
Figure 2:

Engine Data Sensors - 5-Volt and Low Reference 1 of 2


Object Number: 2152931  Size: FS
Figure 3:

Engine Data Sensors - 5-Volt and Low Reference 2 of 2


Object Number: 2152964  Size: FS
Figure 4:

Engine Data Sensors - Pressure and Temperature


Object Number: 2152972  Size: FS
Figure 5:

Engine Data Sensors - Oxygen Sensors


Object Number: 2153008  Size: FS
Figure 6:

Engine Data Sensors - Throttle Controls


Object Number: 2152980  Size: FS
Figure 7:

Ignition Controls - Ignition System Coils 1, 3, and 5


Object Number: 2153017  Size: FS
Figure 8:

Ignition Controls - Ignition System Coils 2, 4, and 6


Object Number: 2153023  Size: FS
Figure 9:

Ignition Controls - Sensors 1 of 2


Object Number: 2153030  Size: FS
Figure 10:

Ignition Controls - Sensors 2 of 2


Object Number: 2153038  Size: FS
Figure 11:

Fuel Controls - Fuel Pump and Injector Controls


Object Number: 2153056  Size: FS
Figure 12:

Fuel Controls - EVAP Controls


Object Number: 2153064  Size: FS
Figure 13:

Controlled/Monitored Subsystem References


Object Number: 2153193  Size: FS
Figure 14:

Fuel Controls - Fuel Pump and Injector Controls


Object Number: 2196083  Size: FS
Figure 15:

Fuel Controls - Fuel Pump and Injector Controls


Object Number: 2196085  Size: FS
Figure 16:

Fuel Controls - Fuel Pump and Injector Controls


Object Number: 2196090  Size: FS