GM Service Manual Online
For 1990-2009 cars only
Makes
🢒
Holden
🢒
2009
🢒
WM Sedan
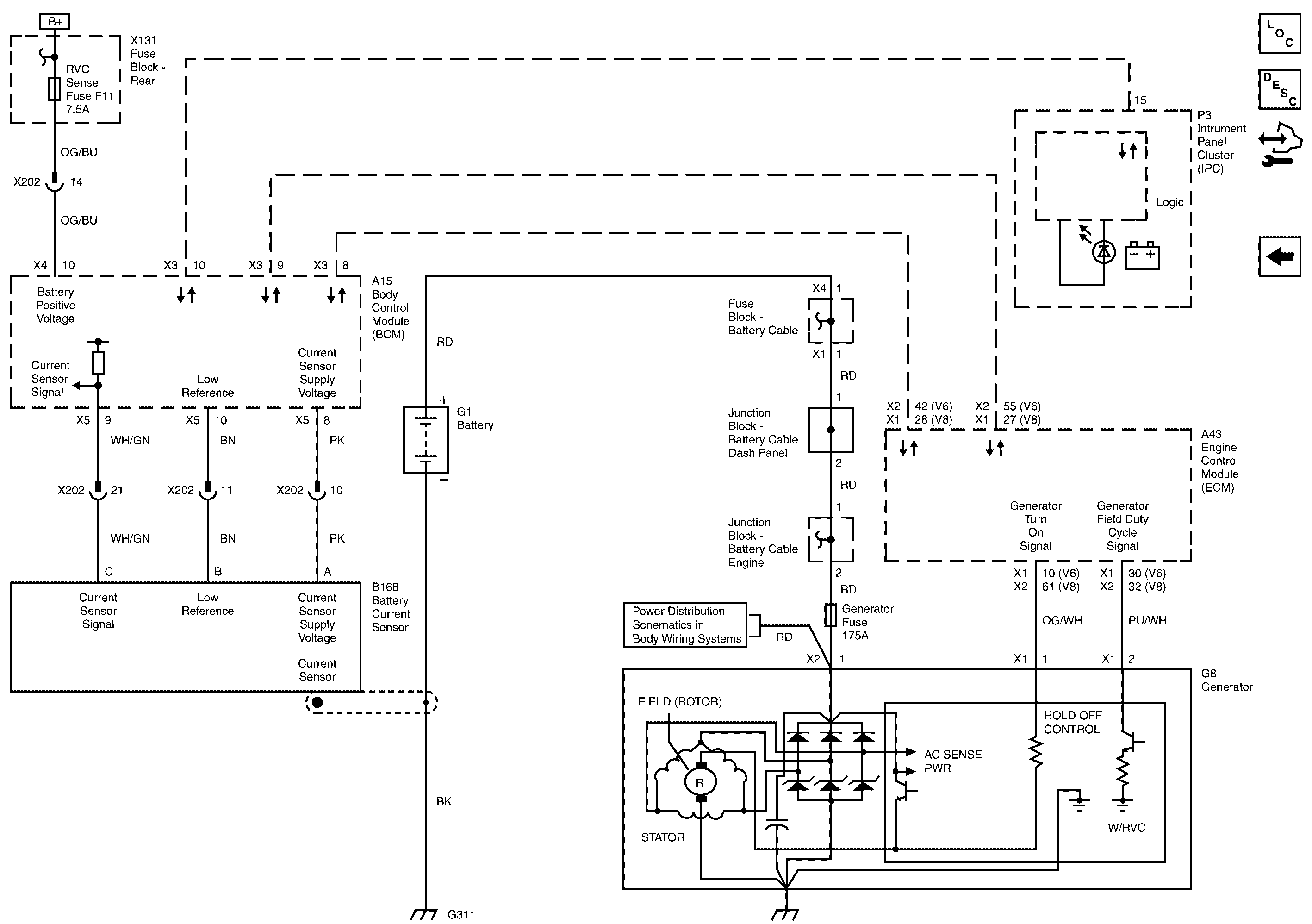
🢒 Battery Current Sensor and Generator, Inputs and Outputs
Battery Current Sensor and Generator, Inputs and Outputs
Battery Current Sensor and Generator, Inputs and Outputs
Master Electrical Component List
Starting System Description and Operation
Control Module References
Battery, Starter and Ignition Switch, Inputs and Outputs
ECM, Fuel Pump, Rear Main, RVC Sense and Trailer Fuses
B+ Bus - 1 of 2
G311 and G402