GM Service Manual Online
For 1990-2009 cars only
Makes
🢒
Holden
🢒
2009
🢒
WM Sedan
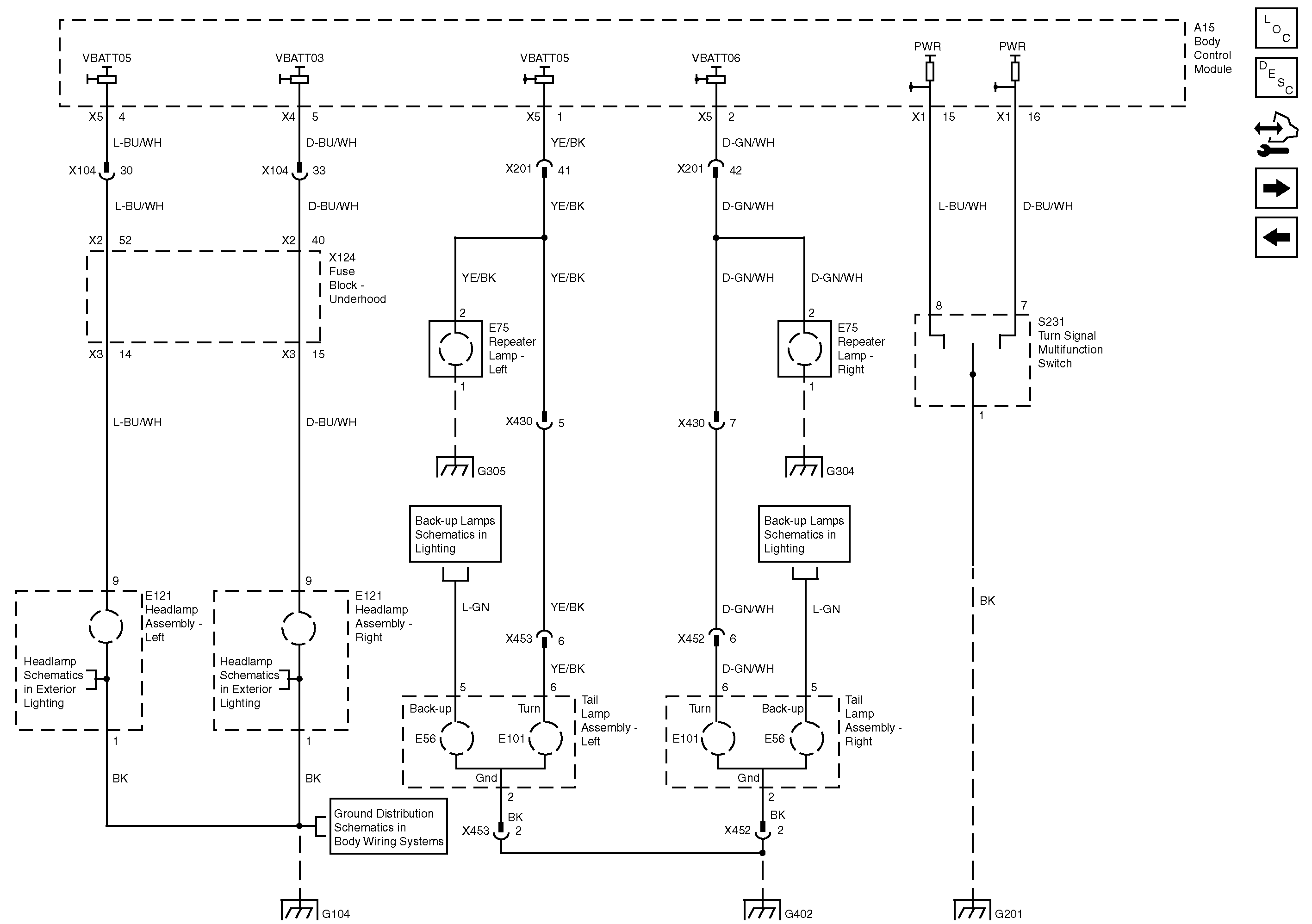
🢒 Turn Signal Multifuction Switch, Front, Side and Rear Repeater Lamps Power and Ground
Turn Signal Multifuction Switch, Front, Side and Rear Repeater Lamps Power and Ground
Turn Signal Multifunction Switch, Front, Side and Rear Repeater Lamps Power and Ground
Master Electrical Component List
Exterior Lighting Systems Description and Operation
Control Module References
Trailer Wiring
Parklamps and License Plate Lamps Power and Ground
G305
G303, G304 and G308
G104
G311 and G402
G201
Backup Lamps Power and Ground
Backup Lamps Power and Ground
G104