GM Service Manual Online
For 1990-2009 cars only

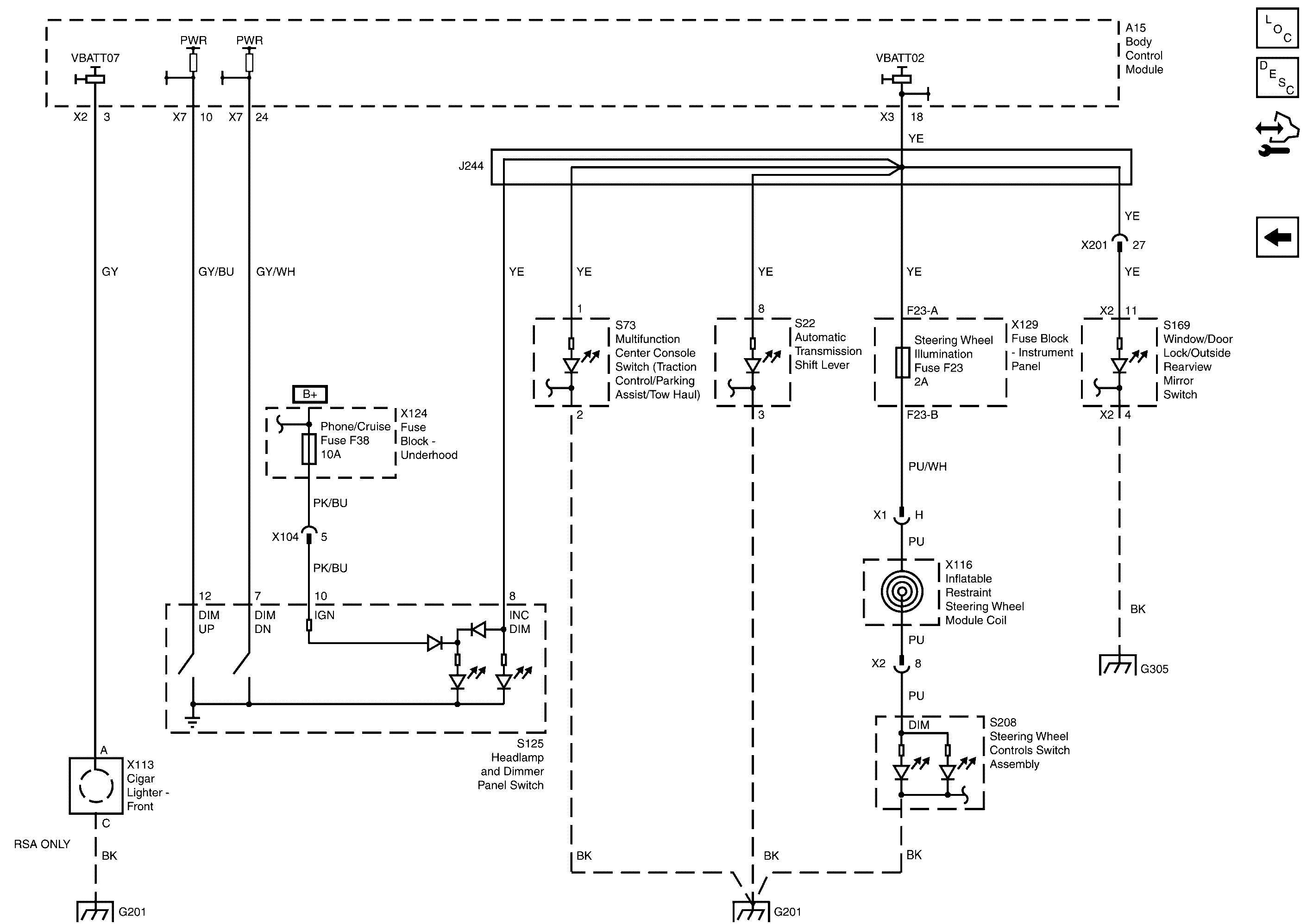
Cigar Lighter, Multifunction Center Console Switch, Headlamp and Dimmer Switch, Auto Transmission Shift Lever Switch, Steering Wheel Switches, Window/Door Lock and Mirror Swich Illumination

Cigar Lighter, Multifunction Center Console Switch, Headlamp and Dimmer Switch, Auto Transmission Shift Lever Switch, Steering Wheel Switches, Window/Door Lock and Mirror Switch Illumination


Object Number: 2012535  Size: FS
Master Electrical Component List
Interior Lighting Systems Description and Operation
Control Module References
Ignition Key Cylinder Lamp, Cargo Lamps and Dome Lamp
IGN II/III Bus - Airbag, IGN Engine and Phone/Cruise
G201
G201
G305