GM Service Manual Online
For 1990-2009 cars only
Figure 1:

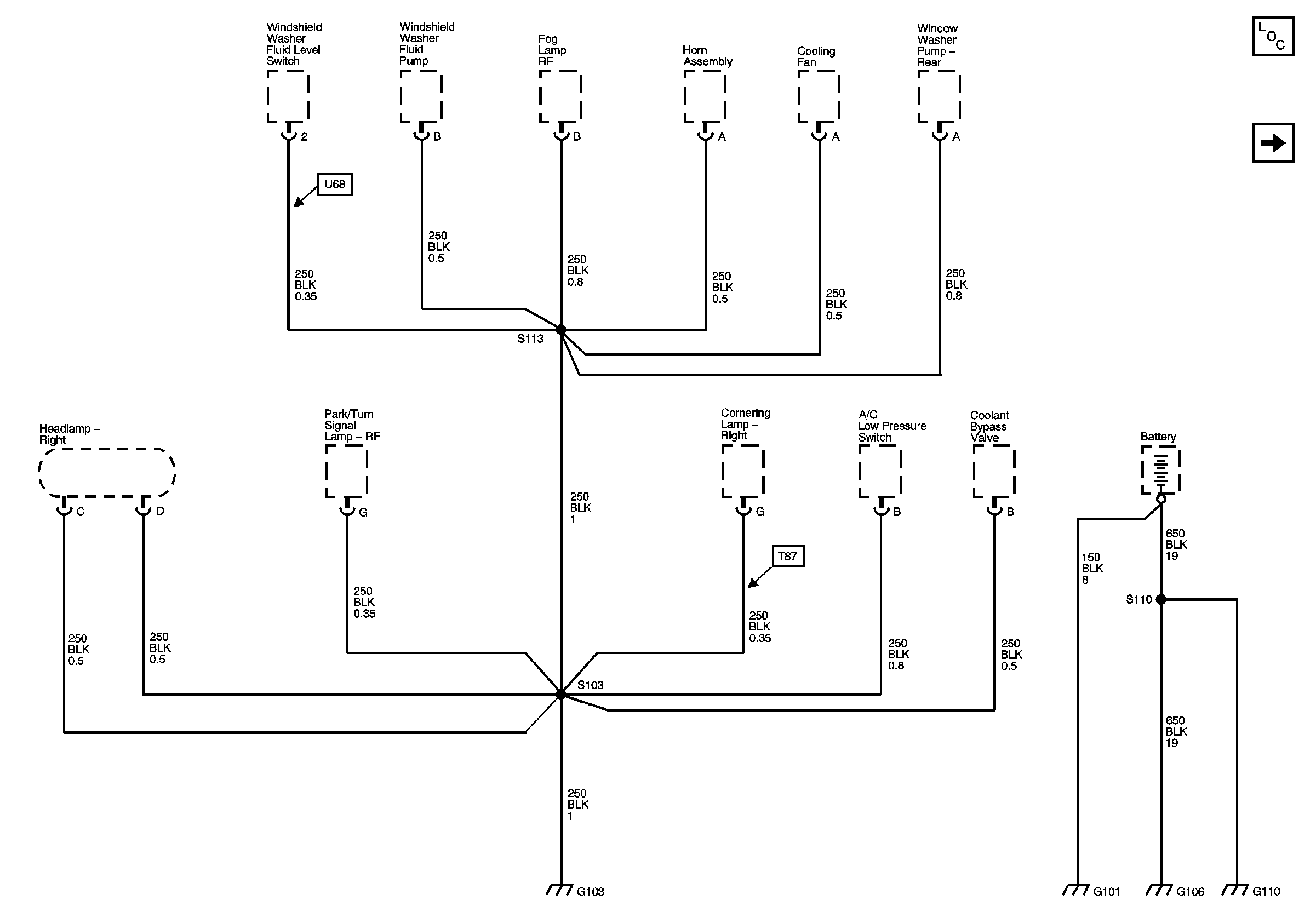
G101, G103, G106, and G110


Object Number: 903160  Size: FS
Master Electrical Component List
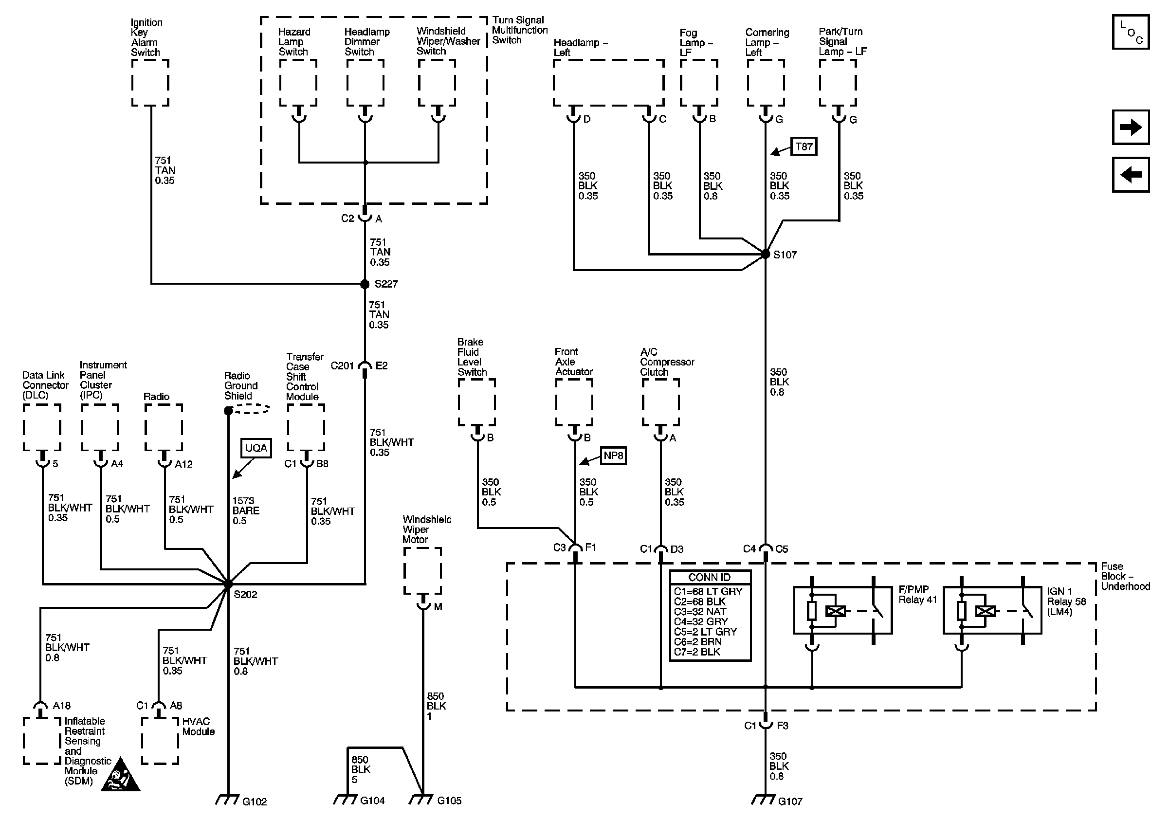
G102, G104, G105, and G107
Figure 2:

G102, G103, G105, and G107


Object Number: 903161  Size: FS
Master Electrical Component List
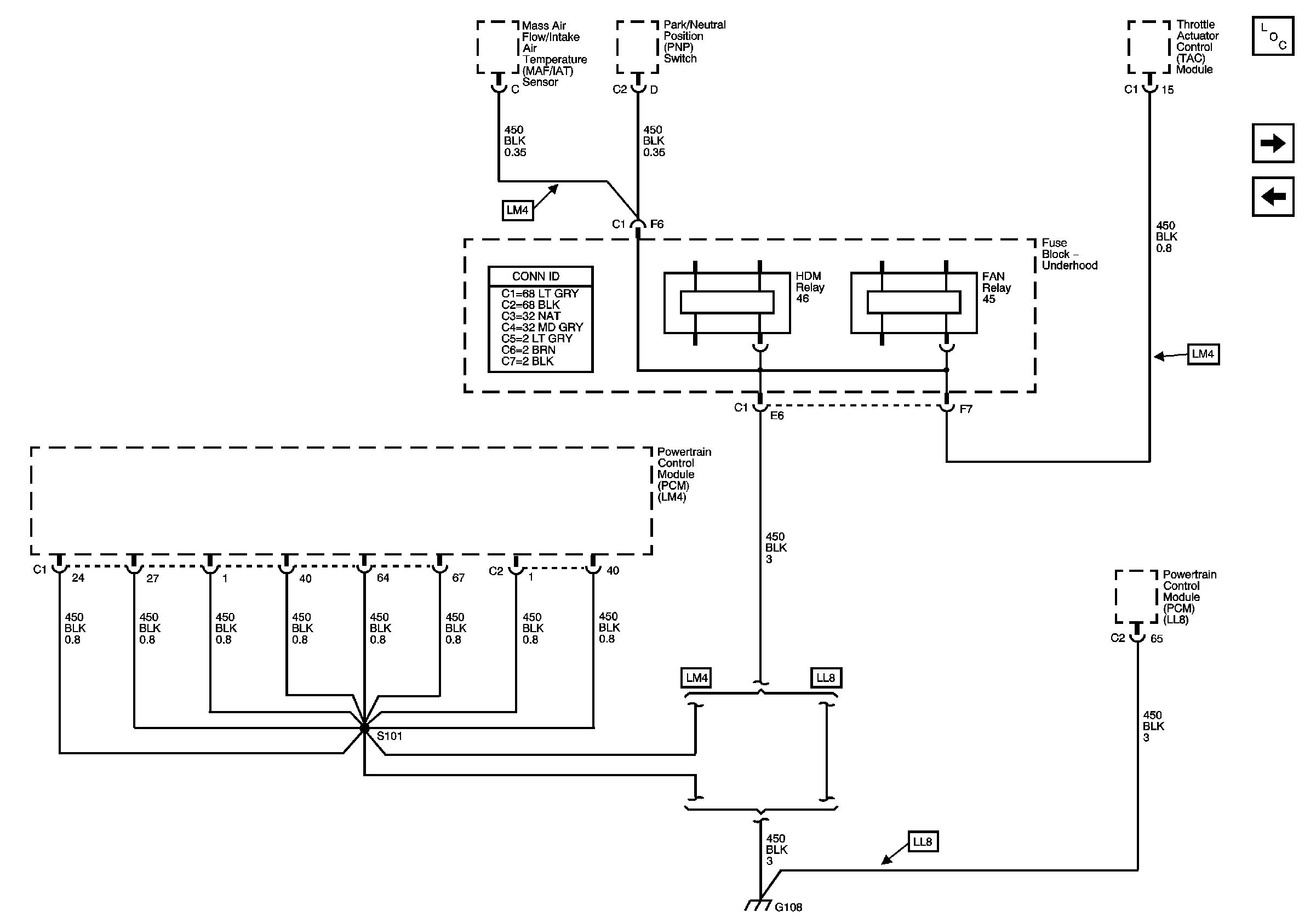
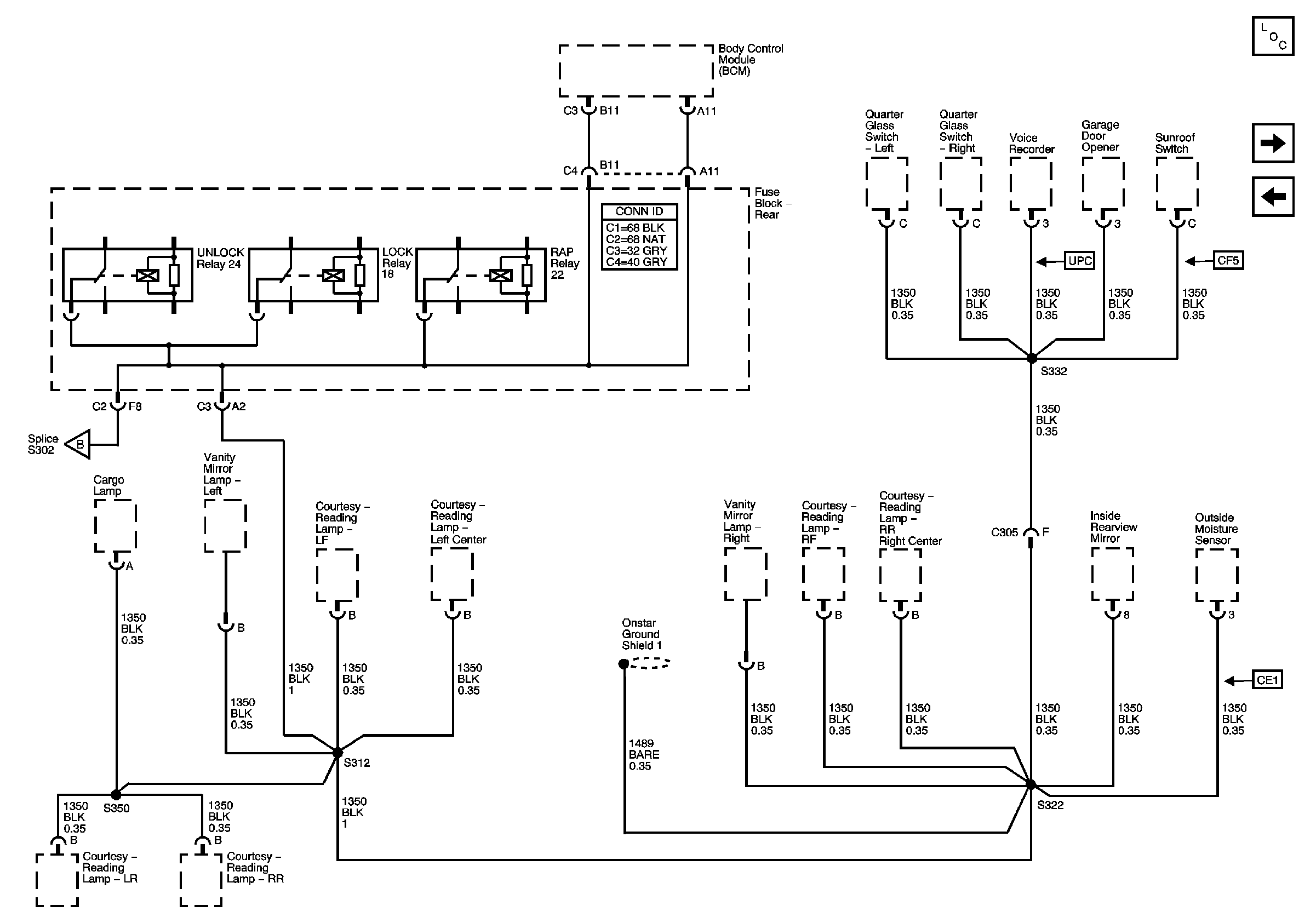
G108
G101, G103, G106, and G110
SIR Caution for Zoning
Figure 3:

G108


Object Number: 903166  Size: FS
Master Electrical Component List
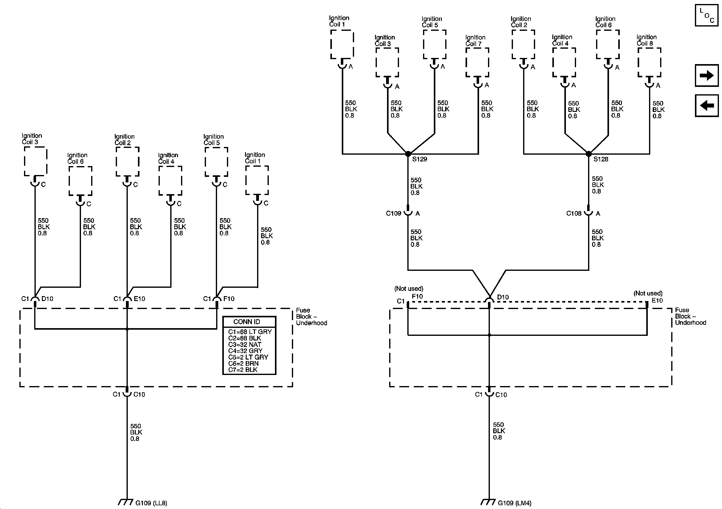
G109
G102, G104, G105, and G107
Figure 4:

G109


Object Number: 903162  Size: FS
Master Electrical Component List
G201, 1 of 2
G108
Figure 5:

G201-1 of 2


Object Number: 903168  Size: FS
Master Electrical Component List
G201-2 of 2, G305, G306
G109
G201-2 of 2, G305, G306
SIR Caution for Zoning
Figure 6:

G201-2 of 2, G305 and G306


Object Number: 903169  Size: FS
Master Electrical Component List
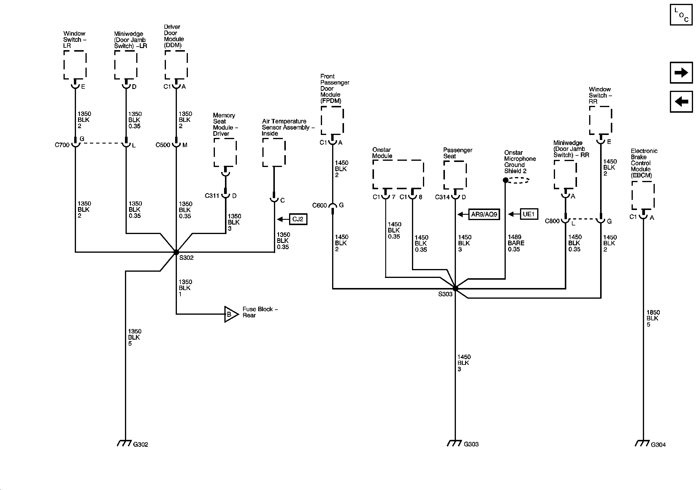
G302-1 of 2, G303, and G304
G201, 1 of 2
G201, 1 of 2
Figure 7:

G302, 1 of 2


Object Number: 903170  Size: FS
Master Electrical Component List
G302, 2 of 2
G201-2 of 2, G305, G306
G302, 2 of 2
Figure 8:

G302, 2 of 2


Object Number: 903171  Size: FS
Master Electrical Component List
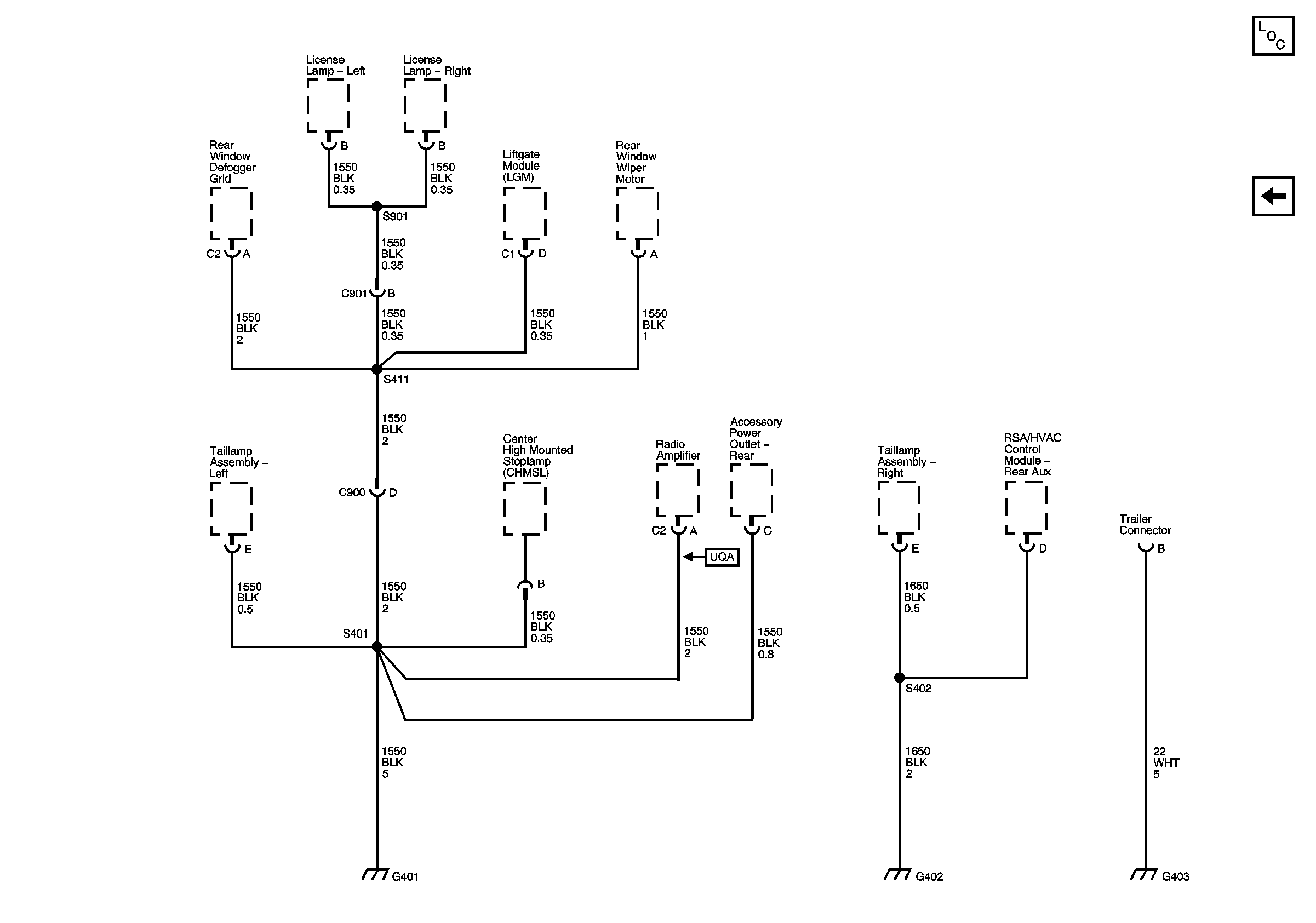
G401, G402, and G403
G302-1 of 2, G303, and G304
G302-1 of 2, G303, and G304
Figure 9:

G4401, G402 and G403


Object Number: 903172  Size: FS
Master Electrical Component List
G302, 2 of 2