GM Service Manual Online
For 1990-2009 cars only

Important: After assembling the shift lock actuator, turn the ignition forward but do not start (auxiliary position) and attempt to pull the lever from PARK with and without the brake pedal depressed to verify there is no gear access without the brake pedal depressed.

Important: Ensure the key cannot be removed from the ignition unless both the shiftier is in PARK and the shift knob button has been depressed.

Removal Procedure


    Object Number: 1234306  Size: SH
  1. Remove the console. Refer to Console Replacement in Instrument Panel, Gages, and Console.

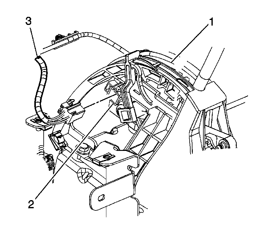
  2. Object Number: 896664  Size: SH
  3. Disconnect the shift lock actuator (3) electrical connector.

  4. Object Number: 1199544  Size: SH
  5. Shift assembly to the LOW position.
  6. Loosen and remove the screw at the rear of the shifter assembly.
  7. Shift the assembly to the NEUTRAL position.
  8. Loosen and remove the top screw of the shift lock actuator through the lever slot.
  9. Pull lever to the DRIVE position and remove the shift lock actuator.

Installation Procedure


    Object Number: 1199544  Size: SH
  1. In DRIVE position, depress the shift lock actuator button and realign into the shifter lever.
  2. Push lever to NEUTRAL.
  3. Notice: Refer to Fastener Notice in the Preface section.

  4. Install the top screw through the lever slot.
  5. Tighten
    Tighten the actuator screw to 1.65 N·m (15 lb in).

  6. Shift lever to LOW.
  7. Install screw at the rear of the shifter assembly.
  8. Tighten
    Tighten the actuator screw to 1.65 N·m (15 lb in).


    Object Number: 896664  Size: SH
  9. Connect the electrical connector (3).

  10. Object Number: 1234306  Size: SH
  11. Verify the shift lock actuator functions properly.
  12. Install the console. Refer to Console Replacement in Instrument Panel, Gages, and Console.