GM Service Manual Online
For 1990-2009 cars only
Makes
🢒
Isuzu
🢒
2003
🢒
Ascender - 2WD
🢒
HVAC
🢒
Heating, Ventilation and Air Conditioning
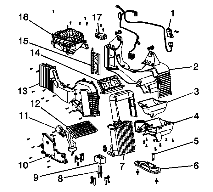
🢒 Auxiliary HVAC Module Case Sump Replacement
Removal Procedure
Remove the evaporator core-auxiliary. Refer to
Auxiliary Air Conditioning Evaporator Replacement
.
Remove the HVAC module-auxiliary case sump (4) from the HVAC module.
Installation Procedure
Install the HVAC module-auxiliary case sump (4) to theHVAC module.
Install the evaporator core-auxiliary. Refer to
Auxiliary Air Conditioning Evaporator Replacement
.