GM Service Manual Online
For 1990-2009 cars only
Figure 1:

Six Cylinder Engine, Left Side


Object Number: 747710  Size: MF
(1)A/C Compressor Clutch Connector
(2)A/C Compressor
Figure 2:

Body Front End


Object Number: 747711  Size: MF
(1)Ambient Air Temperature Sensor
Figure 3:

A/C Refrigerant Pressure Sensor, Six Cylinder Engine


Object Number: 797101  Size: MF
(1)Air Conditioning Refrigerant Pressure Sensor
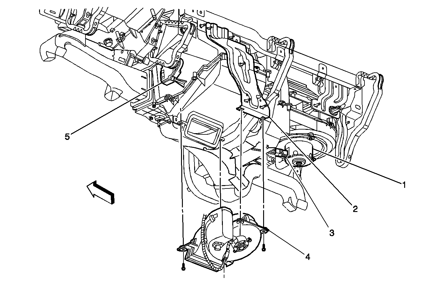
(2)A/C Compressor
Figure 4:

Engine Compartment, Right Rear


Object Number: 747714  Size: MF
(1)A/C Low Pressure Switch
Figure 5:

Coolant Bypass Valve


Object Number: 825659  Size: MF
(1)Accumulator
(2)Coolant Bypass Valve
Figure 6:

Instrument Panel Carrier


Object Number: 747715  Size: MF
(1)Blower
(2)IP Center Support
(3)Blower Motor Control Processor
(4)Blower-Auxiliary
(5)Air Temperature Actuator-Left
Figure 7:

Instrument Panel Carrier-Right Side


Object Number: 747716  Size: MF
(1)Lower Air Temperature Sensor-Right
Figure 8:

Instrument Panel Carrier-Center Section


Object Number: 747731  Size: MF
(1)Lower Air Temperature Sensor-Left
Figure 9:

Instrument Panel Carrier, Left and Right


Object Number: 747718  Size: MF
(1)Air Temperature Actuator-Right
(2)Air Temperature Actuator-Left
(3)Defrost Actuator
(4)Mode Actuator
Figure 10:

Instrument Panel Carrier, Cowl Side


Object Number: 747719  Size: MF
(1)Recirculation Actuator
Figure 11:

Instrument Panel Carrier-Air Duct


Object Number: 747721  Size: MF
(1)Upper Air Temperature Sensors
Figure 12:

Instrument Panel


Object Number: 747798  Size: MF
(1)Ambient Light/Sunload Sensor
Figure 13:

Instrument Panel, Center


Object Number: 747722  Size: MF
(1)HVAC Control Module
Figure 14:

Steering Wheel Controls


Object Number: 894975  Size: MF
(1)HVAC Control Switch
(2)Radio Control Switch
(3)Driver Information Switch
(4)Driver Information Switch-Fuel/Trip
Figure 15:

Lower I/P, Right Side


Object Number: 891676  Size: MF
(1)Blower Motor Control Processor
(2)Blower Motor
Figure 16:

Front Auxiliary Blower Motor Switch


Object Number: 826160  Size: MF
(1)Lower Console
(2)Blower Motor Switch-Auxiliary
Figure 17:

B-Pillar, Left


Object Number: 747723  Size: MF
(1)Inside Air Temperature Sensor
Figure 18:

Lower Console


Object Number: 872448  Size: MF
(1)Lower Console
(2)HVAC Control Module-Auxiliary or RSA/HVAC Control Module-Auxiliary
(3)Console Mode Actuator
(4)C309
(5)C307
Figure 19:

HVAC Module-Auxiliary


Object Number: 872310  Size: MF
(1)Mode Actuator-Auxiliary
(2)Blower-Auxiliary
(3)Air Temperature Actuator-Auxiliary
(4)C401
(5)In-Line 30A Fuse
Figure 20:

Blower Motor Control Processor-Auxiliary


Object Number: 1208964  Size: MF
(1)Body Rear Opening
(2)Blower Motor Control Processor-Auxiliary
(3)Rear Evaporator and Heater Core