GM Service Manual Online
For 1990-2009 cars only
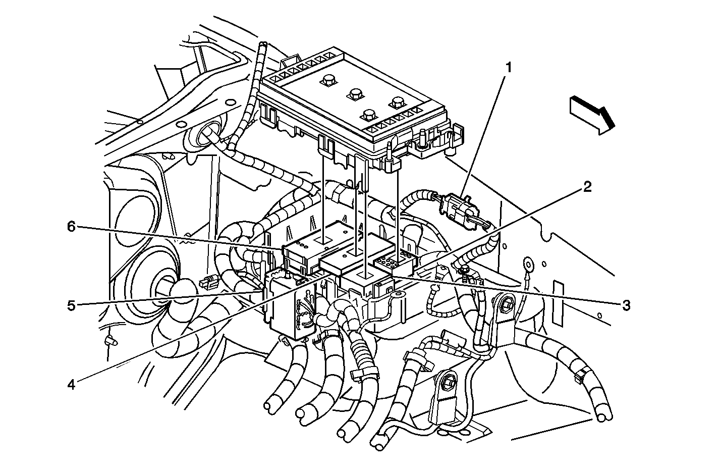
Figure 1:

Forward Lamp Harness, Fuse Block-Underhood


Object Number: 748823  Size: MF
(1)C105
(2)Forward Lamp Harness
(3)G101
(4)Brake Fluid Level Connector
(5)G105
(6)G102
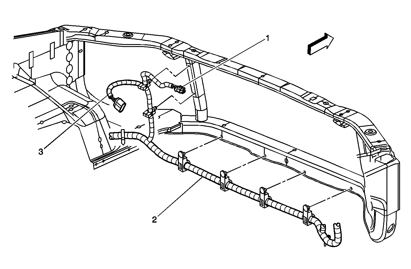
Figure 2:

Forward Lamp Harness, Fuse Block-Underhood


Object Number: 748813  Size: MF
(1)G101
(2)Forward Lamp Harness
(3)Fuse Block-Underhood, C4
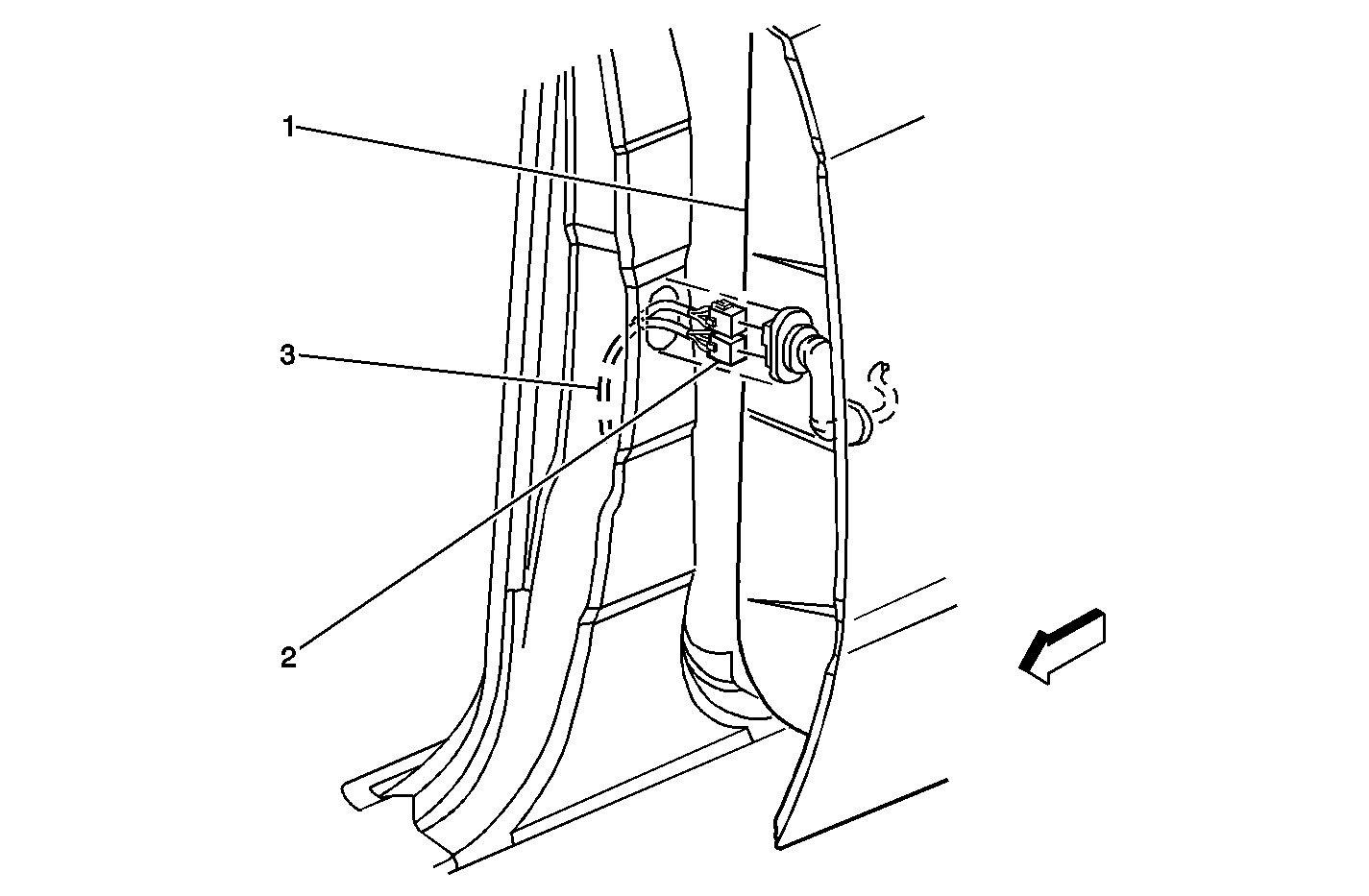
Figure 3:

Forward Lamp Harness, Front


Object Number: 748819  Size: MF
(1)Ambient Air Temperature Sensor Connector
(2)Forward Lamp Harness
(3)Engine Fan Connector, C118
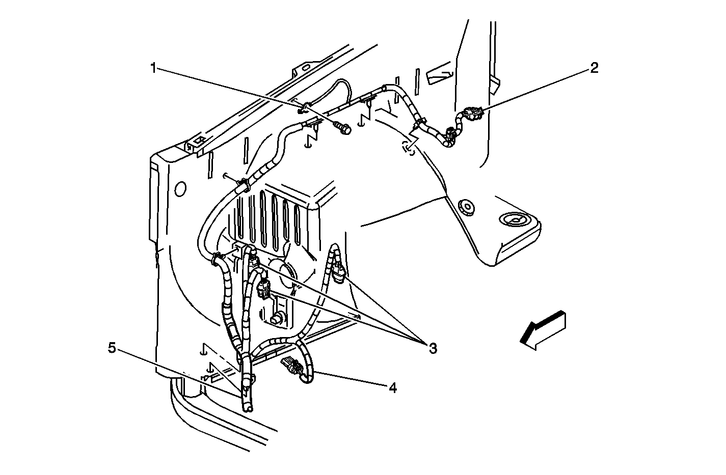
Figure 4:

Forward Lamp Harness, Right Side


Object Number: 748820  Size: MF
(1)G103
(2)A/C Low Pressure Switch
(3)Winshield Washer Fluid Pump Connectors
(4)Windshield Washer Fluid Level Switch
(5)Forward Lamp Harness
Figure 5:

Engine Harness, Fuse Block-Underhood


Object Number: 748821  Size: MF
(1)C105, I/P to Forward Lamp Harness, Fuse Block-Underhood
(2)C4, Forward Lamp Harness, Fuse Block-Underhood
(3)C3, Chassis Harness, Fuse Block-Underhood
(4)C2, Instrument Panel Harness, Fuse Block-Underhood
(5)C101, I/P to Chassis Harness
(6)C1, Engine Harness, Fuse Block-Underhood
Figure 6:

Engine Harness, Fuse Block-Underhood (Six Cylinder Engine, 4.2L)


Object Number: 748824  Size: MF
(1)PCM
(2)C100, Engine Harness to I/P Harness
(3)C1, Fuse Block-Underhood
(4)PCM Connectors
(5)Engine Harness
Figure 7:

Engine Harness, Right Side (Six Cylinder Engine, 4.2L)


Object Number: 748825  Size: MF
(1)Engine Harness
(2)C104, Engine to Fuel Injection Harness
Figure 8:

Engine Harness, Right Front (Six Cylinder Engine, 4.2L)


Object Number: 748826  Size: MF
(1)Engine Harness
(2)Oil Pressure Sensor Connector
Figure 9:

Fuse Block-Underhood (V8 Engine, 5.3L)


Object Number: 853181  Size: MF
(1)C101
(2)C107
Figure 10:

Engine Harness, C108 (V8 Engine, 5.3L)


Object Number: 853169  Size: MF
(1)Throttle Actuator Control (TAC)
(2)C108
(3)Fuel Injector
Figure 11:

Engine Harness, C109 (V8 Engine, 5.3L)


Object Number: 853168  Size: MF
(1)Evaporative Emission (EVAP) Canister Purge Solenoid
(2)C115, Engine Harness
(3)Manifold Absolute Pressure (MAP) Sensor
(4)C115, Knock Sensor Harness
(5)Fuel Injector
(6)Ignition Coil
(7)C109
Figure 12:

Engine Harness, Automatic Transmission


Object Number: 748827  Size: MF
(1)Engine Harness
(2)Engine Harness
Figure 13:

Engine Harness, Transfer Case


Object Number: 799400  Size: MF
(1)Transfer Case Motor Encoder Connector
(2)C310, Engine to Chassis Harness
(3)Engine Harness
(4)Chassis Harness
Figure 14:

Connector C201


Object Number: 748385  Size: MF
(1)Multi-function Switch
(2)C201
Figure 15:

Front Passenger and Driver Seats


Object Number: 800582  Size: MF
(1)C312
(2)C313
(3)C311
(4)C315
(5)C316
(6)C314
Figure 16:

Chassis Harness, Underhood


Object Number: 748836  Size: MF
(1)Chassis Harness
(2)Chassis Harness
(3)Axle Switch Connector
Figure 17:

Chassis Harness, Frame-Left Side


Object Number: 748838  Size: MF
(1)Chassis Harness
(2)Electronic Brake Control Module (EBCM)
(3)G304
Figure 18:

Chassis Harness, Fuel Tank


Object Number: 748841  Size: MF
(1)Fuel Pump and Sender Assembly
(2)Canister Vent Solenoid Connector
(3)Fuel Tank Pressure (FTP) Sensor
(4)Chassis Harness
Figure 19:

Chassis Harness, Frame Grounds


Object Number: 748851  Size: MF
(1)G304
(2)G305
(3)G403
Figure 20:

Chassis Harness, Rear Frame


Object Number: 748853  Size: MF
(1)Chassis Harness
(2)Backup Lamp Socket
Figure 21:

Underhood Fuse Block


Object Number: 748854  Size: MF
(1)G104
(2)G105
(3)C105, Instrument to Forward Lamp Harness
(4)C101, Instrument to Chassis Harness
(5)G102
(6)Windshield Wiper Connector
Figure 22:

Instrument Harness, Engine Compartment (Six Cylinder Engine, 4.2L)


Object Number: 748860  Size: MF
(1)C104, Engine to Fuel Injector Harness
(2)C100, I/P to Engine Harness
(3)C105, I/P to Forward Lamp Harness
(4)Fuse Block Underhood, C2
(5)C101, Instrument to Chassis Harness
(6)PCM Connector, C1
Figure 23:

Instrument Harness, Left I/P


Object Number: 748862  Size: MF
(1)Headlamp Switch Connectors
(2)Splice Pack SP205
(3)Grommet
(4)Instrument Panel Harness
Figure 24:

Instrument Harness, Instrument Panel


Object Number: 748865  Size: MF
(1)Connector C203
(2)Accessory Power Connector
(3)Cigar Lighter Connector
(4)Rear Window Wiper/Washer Connector
(5)Headlamp Switch
Figure 25:

Instrument Harness, Console


Object Number: 748867  Size: MF
(1)C307, I/P to Console Harness
Figure 26:

Instrument Panel, Right Side


Object Number: 879165  Size: MF
(1)Instrument Panel
(2)Body Harness
(3)C203, Body Harness
(4)C203, I/P Harness
Figure 27:

Instrument Harness, Floor


Object Number: 748869  Size: MF
(1)SP201, Ground Splice Pack
(2)Instrument Panel Harness
(3)C307, I/P to Console Harness
(4)Sensing and Diagnostic Module Connector
(5)C304, I/P to Body Harness
(6)C301, I/P to Body Harness
Figure 28:

Instrument Harness, Rear Floor


Object Number: 748868  Size: MF
(1)Body Control Module (BCM) Connectors
(2)Fuse Block-Rear, I/P Connector, C1
(3)Fuse Block-Rear, Body Connector, C2
(4)Fuse Block-Rear, Headliner Connector, C3
(5)I/P Harness
(6)VCIM Connectors
(7)Splice Pack SP306
Figure 29:

Body Wiring Harness Extension Harness


Object Number: 841111  Size: MF
(1)Body Control Module (BCM)
(2)Body Wiring Harness Extension Harness
(3)Fuse Block-Rear
Figure 30:

Body Harness, Rear Floor


Object Number: 849565  Size: MF
(1)C301
(2)C304
(3)Body Harness
(4)Rear Floor
(5)Instrument Panel Harness
Figure 31:

Body Harness, Left Rear Floor


Object Number: 849569  Size: MF
(1)Fuse Block-Rear
(2)Body Harness
(3)Headliner Harness
(4)C306
Figure 32:

Body Harness, Floor Console


Object Number: 855630  Size: MF
(1)Front Floor Panel
(2)Front Floor Console
(3)Body Harness
(4)C309
Figure 33:

Body Harness, C401


Object Number: 872310  Size: MF
(1)Mode Actuator-Auxiliary
(2)Blower-Auxiliary
(3)Air Temperature Actuator-Auxiliary
(4)C401
(5)Blower Motor Control Processor-Auxiliary
(6)In-Line 30A Fuse
Figure 34:

Headliner Harness, Overhead Console


Object Number: 795316  Size: MF
(1)Overhead Console
(2)C305
Figure 35:

Headliner Harness, Left B-Pillar


Object Number: 748876  Size: MF
(1)Headliner Harness
(2)Door Frame
(3)G302
Figure 36:

Sunroof Harness With Headliner Removed


Object Number: 813455  Size: MF
(1)C308
(2)Sunroof Motor Connector
(3)Connector C1
(4)Sunroof Module
(5)Connector C2
Figure 37:

Front Doors, C500 and C600


Object Number: 1232491  Size: MF
(1)Door, LF
(2)Body Wiring Harness
(3)C500, C600 similar on right side
Figure 38:

Rear Doors, C700 and C800


Object Number: 755998  Size: MF
(1)Door, LR
(2)C700, C800 similar on right side
(3)Body Wiring Harness
Figure 39:

G401, G402


Object Number: 826159  Size: MF
(1)Body Side Lower Reinforcement
(2)Body Harness
(3)G401; G402 Similar on Opposite Side
Figure 40:

Tailgate Connector


Object Number: 755995  Size: MF
(1)Liftgate
(2)C900
(3)Body Opening