GM Service Manual Online
For 1990-2009 cars only
Figure 1:

Fuse Block-Underhood


Object Number: 750749  Size: MF
(1)Fuse Block-Underhood
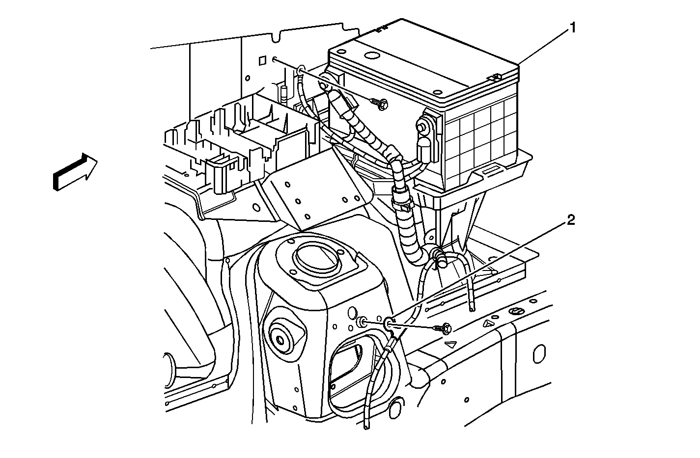
Figure 2:

Battery, G106


Object Number: 750750  Size: MF
(1)Battery
(2)G106
Figure 3:

Left Underhood Grounds - G102, G104, and G105


Object Number: 750751  Size: MF
(1)G104
(2)G105
(3)G102
Figure 4:

Right Underhood Ground - G103


Object Number: 750753  Size: MF
(1)G103
Figure 5:

Engine Block Grounds G107, G108, G109, G110 (Six Cylinder Engine, 4.2L)


Object Number: 750754  Size: MF
(1)G108
(2)G109
(3)G110
(4)G107
Figure 6:

Engine Ground G108, Lower Left Front (V8 Engine, 5.3L)


Object Number: 853156  Size: MF
(1)G108
(2)Engine Harness
(3)Engine
Figure 7:

Engine Grounds G109, G107, Left Side (V8 Engine, 5.3L)


Object Number: 853162  Size: MF
(1)G109
(2)Engine Harness
(3)G107
Figure 8:

Left Side of Engine (5.3L V8 Engine)


Object Number: 872285  Size: MF
(1)G110
(2)G108
Figure 9:

Ground Splice Pack - SP201


Object Number: 750755  Size: MF
(1)SP201
(2)Instrument Panel Harness
Figure 10:

Ignition Switch


Object Number: 900962  Size: MF
(1)Ignition Switch
(2)Passlock Sensor
(3)Ignition Key Alarm Switch
(4)Ignition Lock Cylinder Control Actuator
(5)Steering Column
Figure 11:

Left B-Pillar - G302


Object Number: 750756  Size: MF
(1)Door Frame
(2)G302
Figure 12:

Fuse Block-Rear


Object Number: 750757  Size: MF
(1)Fuse Block-Rear
Figure 13:

G304


Object Number: 750760  Size: MF
(1)Chassis Harness
(2)G304
Figure 14:

Left Frame - G305


Object Number: 750762  Size: MF
(1)Chassis Harness
(2)G305
Figure 15:

G401, G402


Object Number: 826159  Size: MF
(1)Body Side Lower Reinforcement
(2)Body Harness
(3)G401; G402 Similar on Opposite Side
Figure 16:

G403


Object Number: 826161  Size: MF
(1)G403
(2)Frame, Left Rear
Figure 17:

Left Rear Body Side Panel


Object Number: 825548  Size: MF
(1)Body Side Lower Trim Panel
(2)Auxiliary Power Outlet-Rear
Figure 18:

Body Left Side G306


Object Number: 825646  Size: MF
(1)G306, Headliner Harness
(2)Body Side Panel-Left