GM Service Manual Online
For 1990-2009 cars only
Makes
🢒
Isuzu
🢒
2003
🢒
Ascender - 2WD
🢒
Body and Accessories
🢒
Wiring Systems
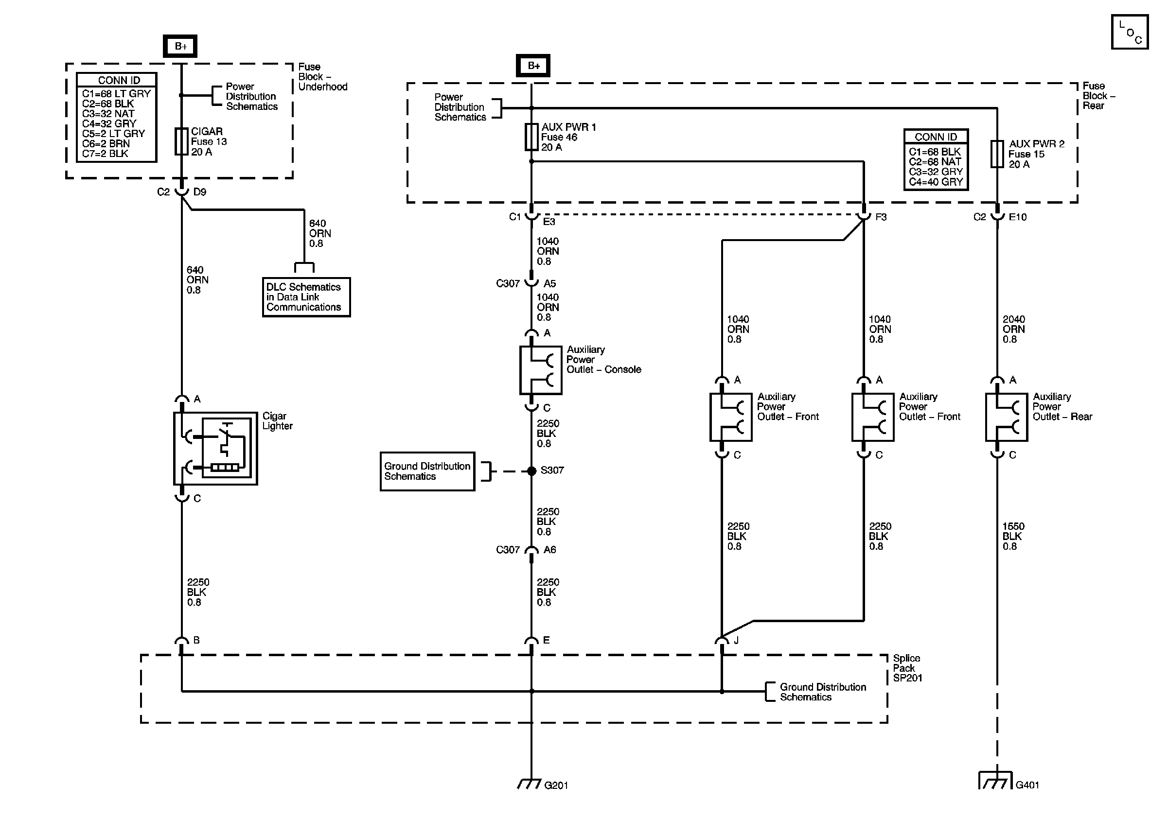
🢒 Cigar Lighter/Power Outlet Schematics
Master Electrical Component List
G201, 1 of 2
G401, G402, and G403
G201, 1 of 2
Data Link Connector
IGN E and PCM I Fuses
IGN 0, TBC IG, TBC ACC, FRT WIPER ,RAIN SEN, HVAC, 4WD Fuses