GM Service Manual Online
For 1990-2009 cars only
Makes
🢒
Isuzu
🢒
2004
🢒
Ascender - 2WD
🢒
Transmission/Transaxle
🢒
Automatic Transmission - 4L60-E/4L65-E
🢒 Automatic Transmission Controls Schematics
Figure
1:
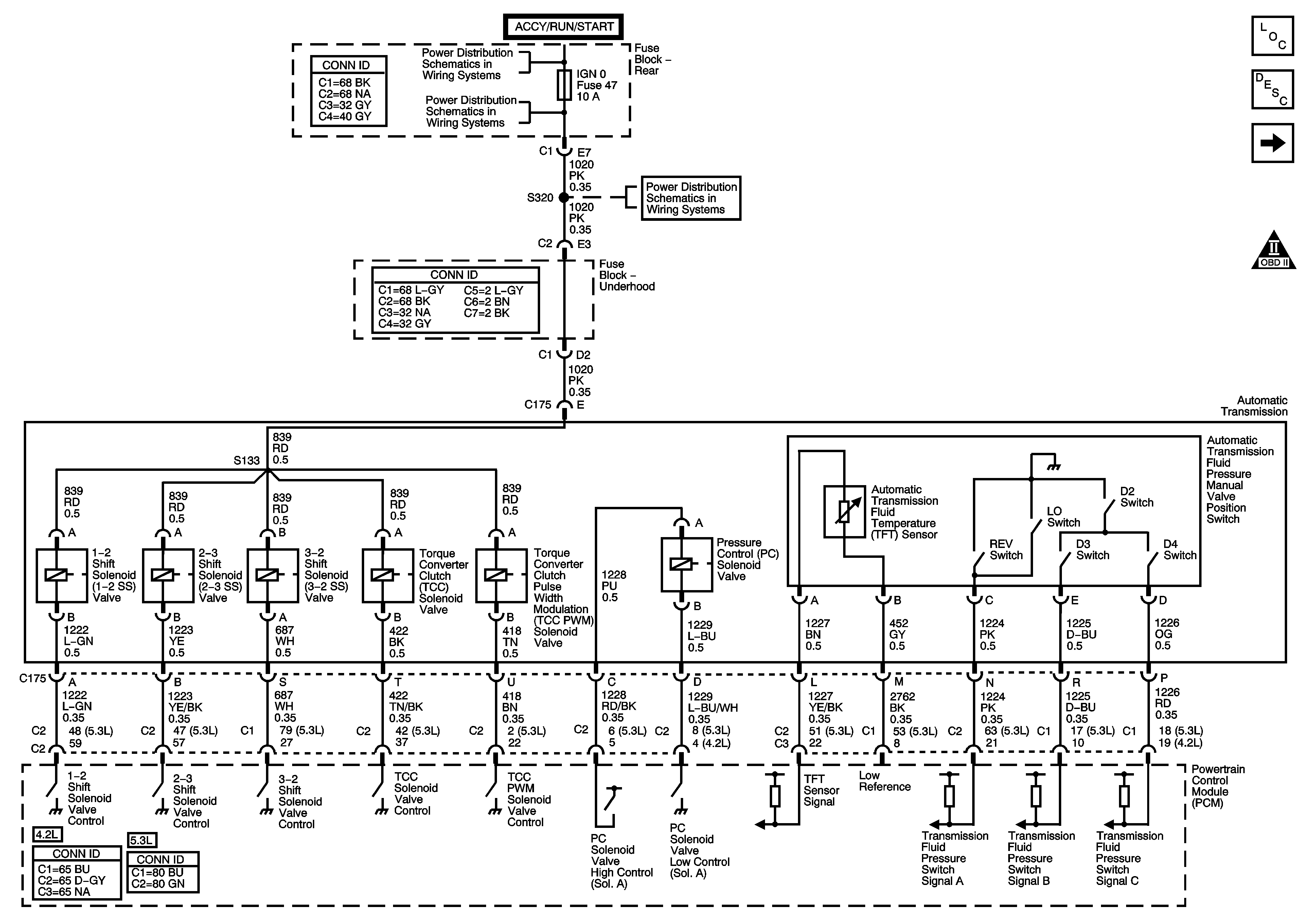
Transmission Controls
Master Electrical Component List
Electronic Component Description
PNP Switch and Indicator
OBD II Symbol Description Notice
ACCY/RUN/START, RUN, and START Bus Bars
IGN 0, TBC IG, TBC ACC, FRT WPR, and RAIN Fuses
IGN 0, TBC IG, TBC ACC, FRT WPR, and RAIN Fuses
Figure
2:
PNP Switch and Indicator
Master Electrical Component List
Electronic Component Description
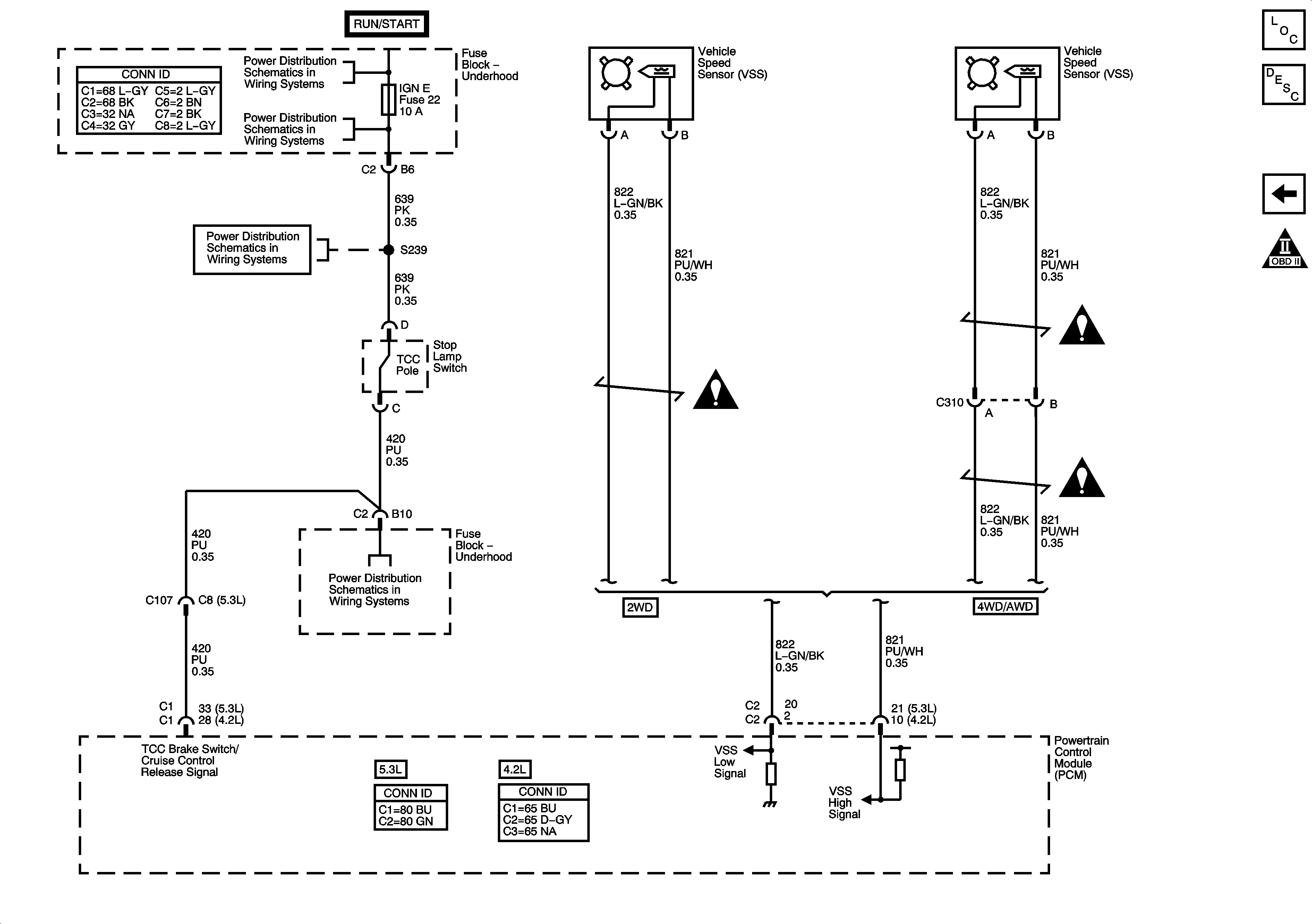
Stop Lamp Switch Signal and Vehicle Speed Sensor
Transmission Controls
OBD II Symbol Description Notice
Power, Ground, Data Link Connector, and SP205
G109
Figure
3:
Stop Lamp Switch Signal and Vehicle Speed Sensor
Master Electrical Component List
Electronic Component Description
PNP Switch and Indicator
OBD II Symbol Description Notice
ACCY/RUN and RUN/START Bus Bars
IGN E, TBC IGN 1, BACKUP, BTSI, and TRLR B/U Fuses
IGN E, TBC IGN 1, BACKUP, BTSI, and TRLR B/U Fuses
Automatic Transmission Schematic Icons
Automatic Transmission Schematic Icons
Automatic Transmission Schematic Icons
IGN E, TBC IGN 1, BACKUP, BTSI, and TRLR B/U Fuses