GM Service Manual Online
For 1990-2009 cars only
Makes
🢒
Isuzu
🢒
2004
🢒
Ascender - 2WD
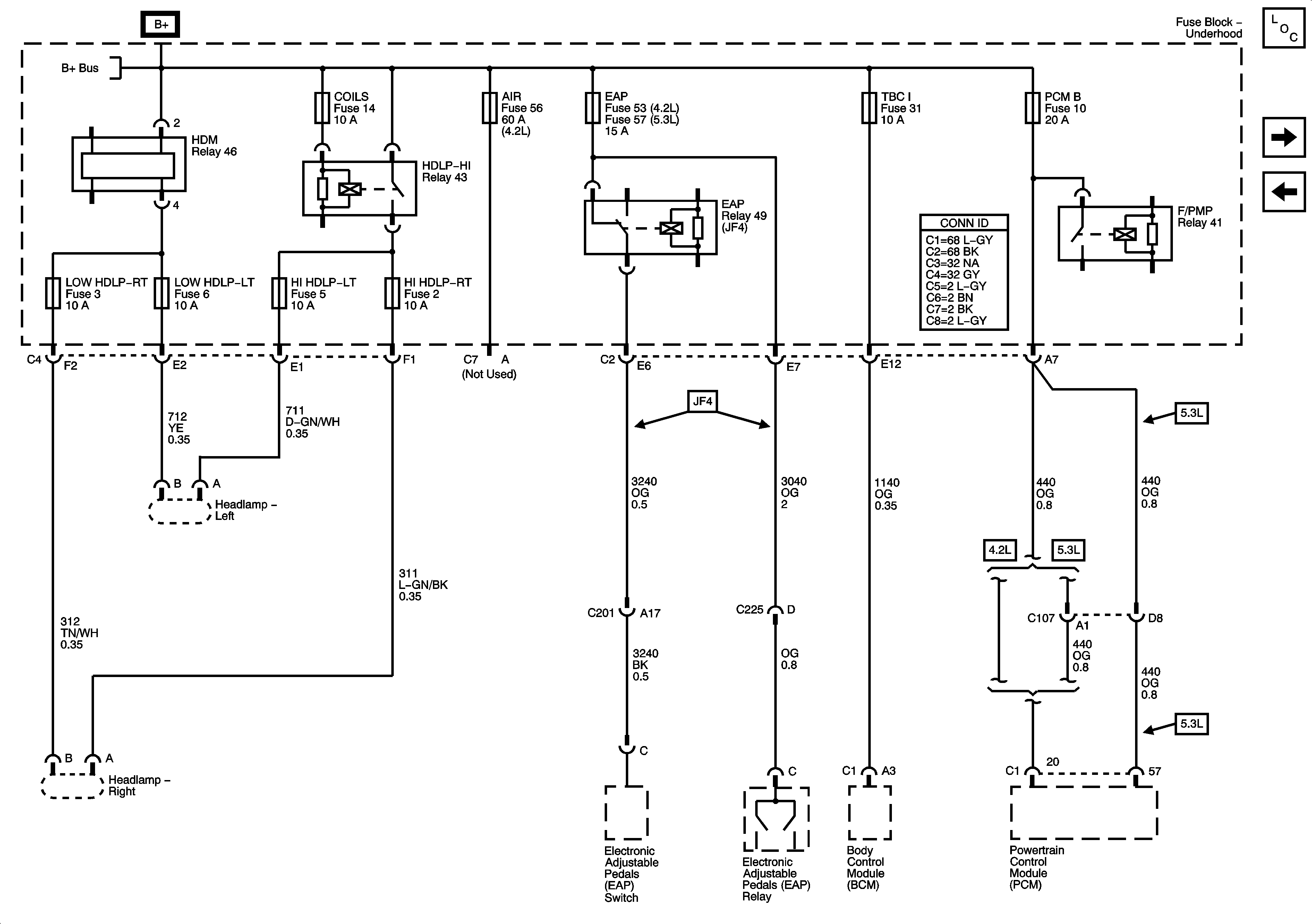
🢒 COILS, AIR, EAP, TBC 1, PCM B, LOW HDLP-LT, LOW HDLP-RT, HI HDLP-LT, and HI HDLP-RT Fuses
COILS, AIR, EAP, TBC 1, PCM B, LOW HDLP-LT, LOW HDLP-RT, HI HDLP-LT, and HI HDLP-RT Fuses
COILS, AIR, EAP, TBC 1, PCM B, LOW HDLP-RT, LOW HDLP-LT, HI HDLP-LT, and HI HDLP-RT Fuses
Master Electrical Component List
CANISTER VENT, TAC, INJ A and INJ B Fuses - 5.3L
CIGAR, ABS, ATC, BLOWER, ECAS, IPC/DIC, FLASH, ST/LP, ELEK BRK, and TRAILER Fuses
B+ Bus - Underhood Fuse Block