GM Service Manual Online
For 1990-2009 cars only
Makes
🢒
Isuzu
🢒
2004
🢒
Ascender - 2WD
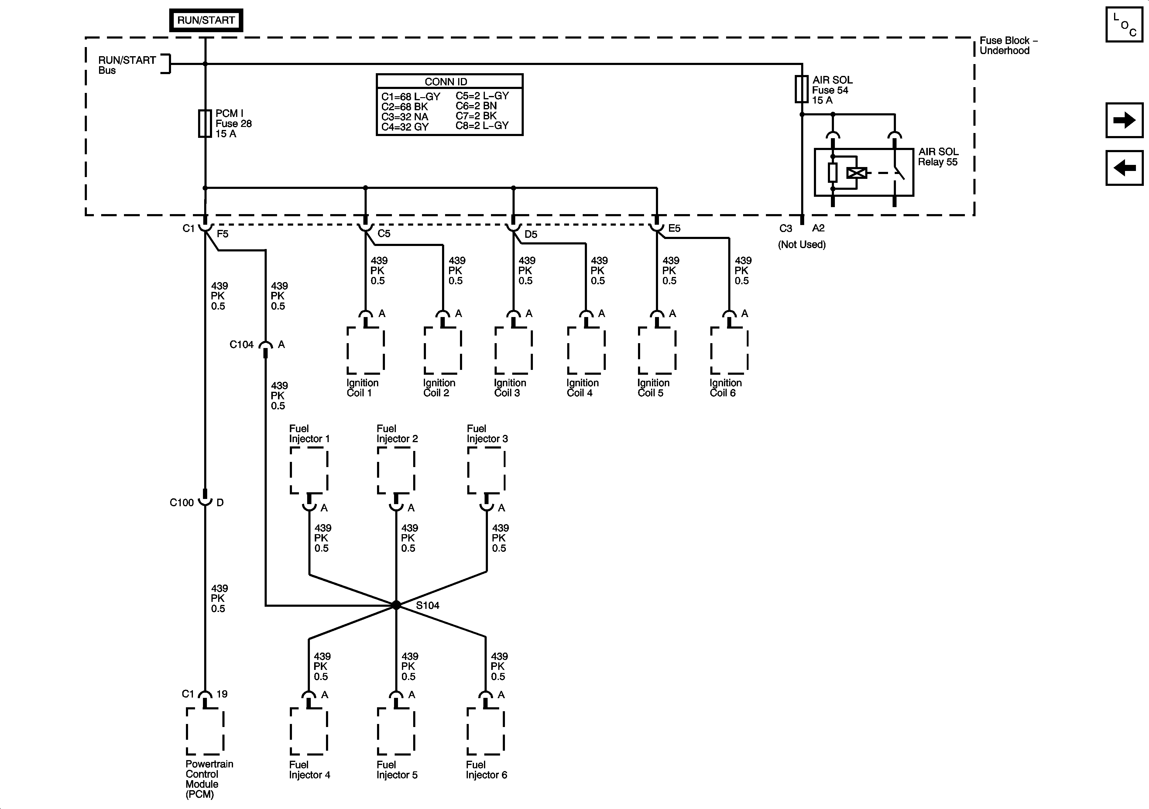
🢒 PCM I and AIR SOL Fuses - 4.2L
PCM I and AIR SOL Fuses - 4.2L
PCM I and AIR SOL Fuses - 4.2L