GM Service Manual Online
For 1990-2009 cars only
Makes
🢒
Isuzu
🢒
2004
🢒
Ascender - 2WD
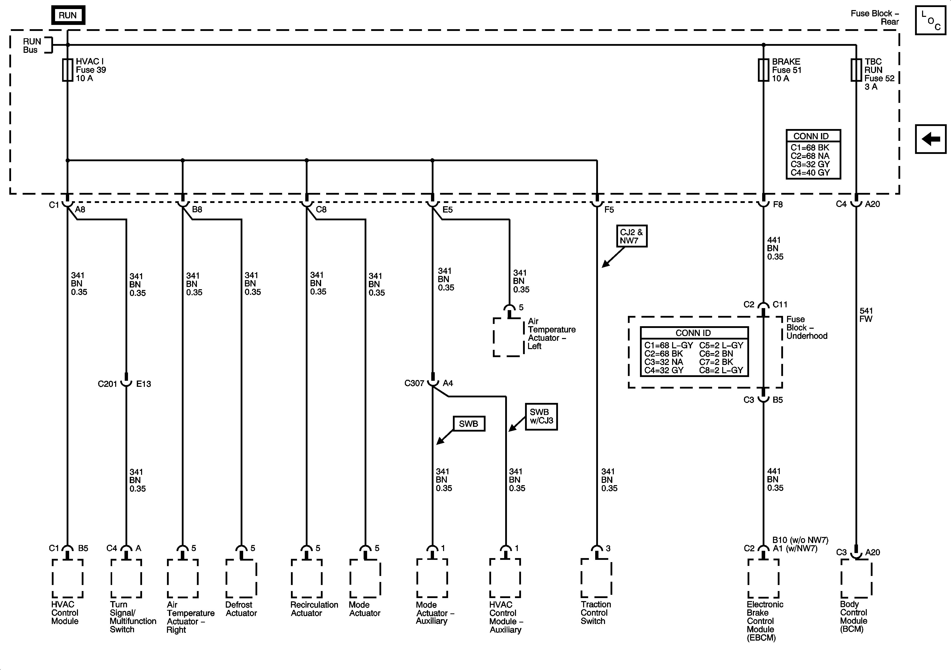
🢒 HVAC I, BRAKE, and TBC RUN Fuses
HVAC I, BRAKE, and TBC RUN Fuses
HVAC I, BRAKE, and TBC RUN Fuses
Master Electrical Component List
O2, TAC, SIR, ENG I, HVAC, and 4WD Fuses
ACCY/RUN/START, RUN, and START Bus Bars