GM Service Manual Online
For 1990-2009 cars only
Makes
🢒
Isuzu
🢒
2004
🢒
Ascender - 2WD
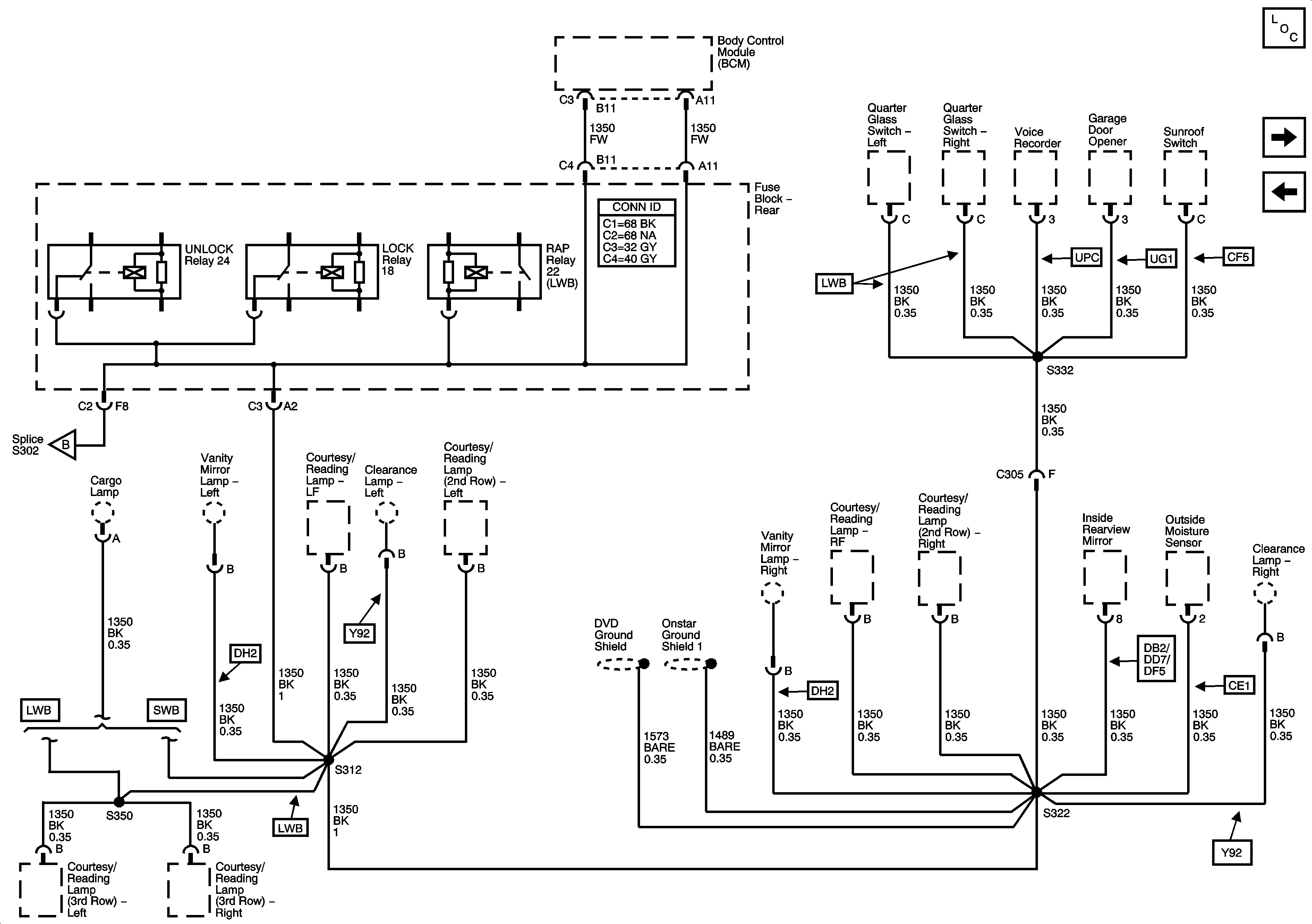
🢒 G302 - 2 of 2
G302 - 2 of 2
G302 - 2 of 2
Master Electrical Component List
G401, G402, and G403
G302 - 1 of 2, G303, and G304
G302 - 1 of 2, G303, and G304