GM Service Manual Online
For 1990-2009 cars only
Makes
🢒
Isuzu
🢒
2004
🢒
Ascender - 2WD
🢒 Charging System
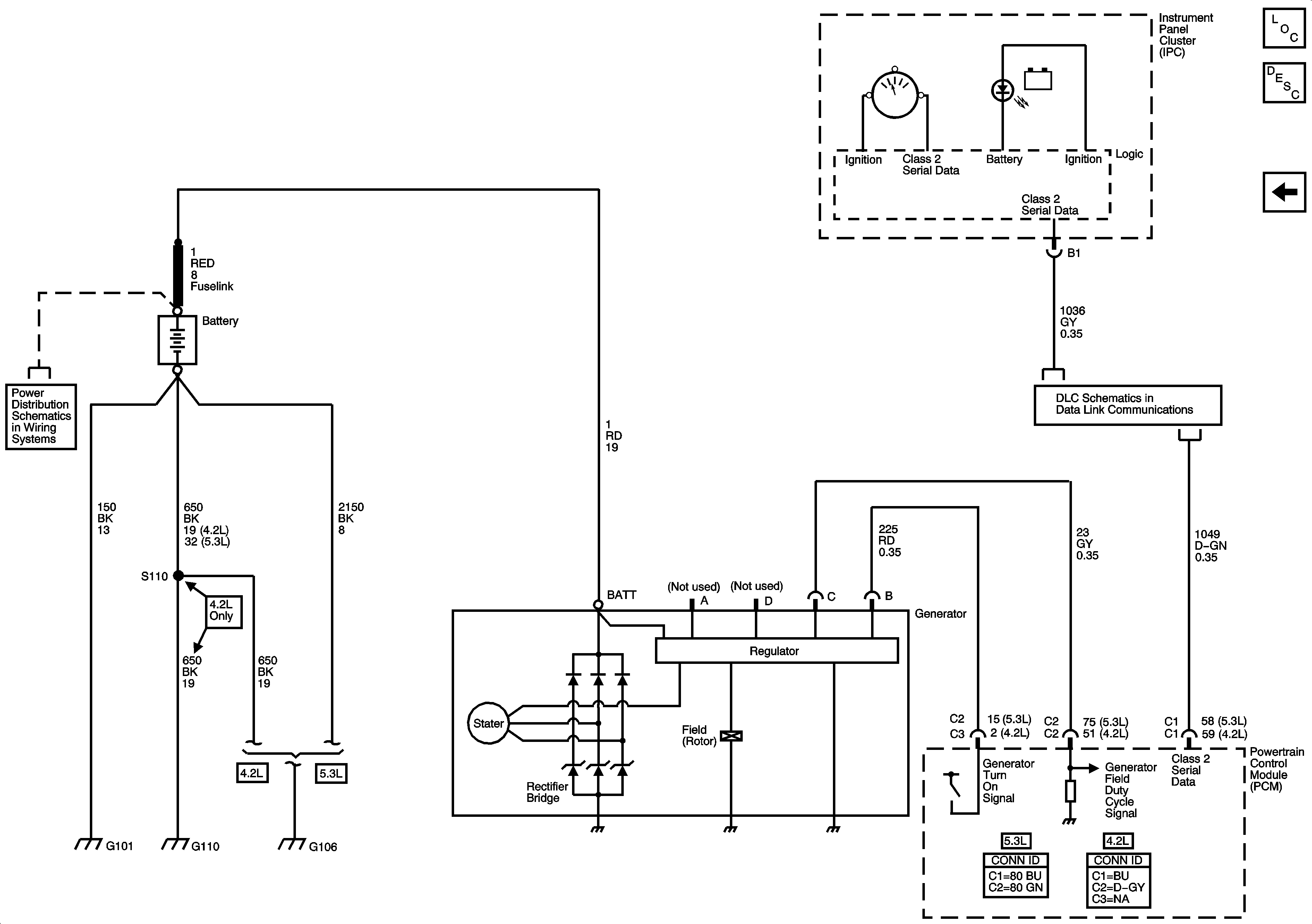
Charging System
Charging System
Master Electrical Component List
Starting System Description and Operation
Starting System
B+ Bus - Underhood Fuse Block
Power, Ground, Data Link Connector, and SP205