GM Service Manual Online
For 1990-2009 cars only
Makes
🢒
Isuzu
🢒
2004
🢒
Ascender - 2WD
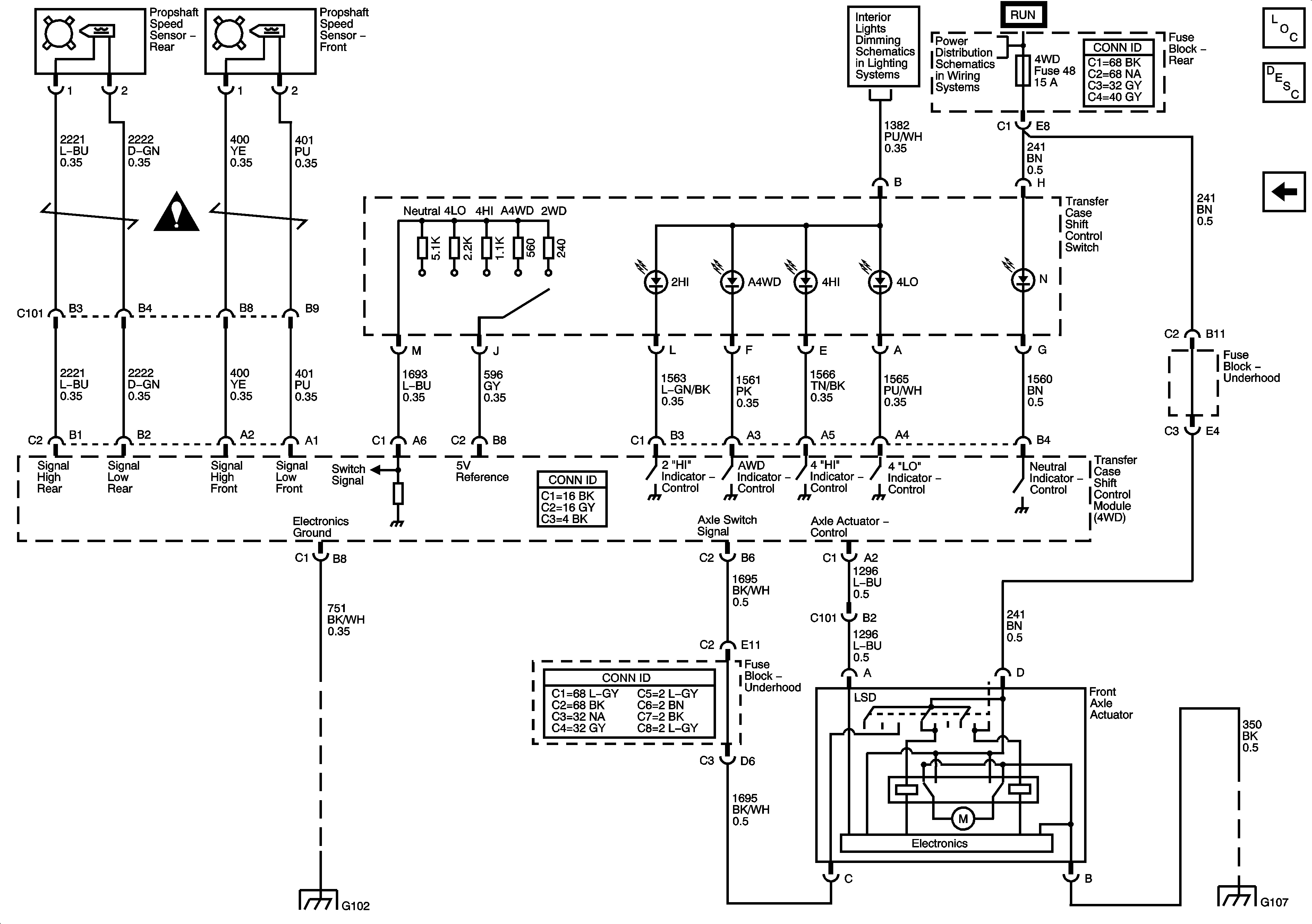
🢒 Speed Signal, Front Axle Actuator Control, and Indicators
Speed Signal, Front Axle Actuator Control, and Indicators
Speed Signal, Front Axle Actuator Control, and Indicators
Master Electrical Component List
Transfer Case Description and Operation
Power, Ground, Serial Data, and Transfer Case Encoder Motor
Courtesy Lamp Supply - 2 of 2
O2, TAC, SIR, ENG I, HVAC, and 4WD Fuses
Transfer Case Control Schematic Icons
G102
G104, G105, and G107