GM Service Manual Online
For 1990-2009 cars only
Makes
🢒
Isuzu
🢒
2004
🢒
Ascender - 2WD
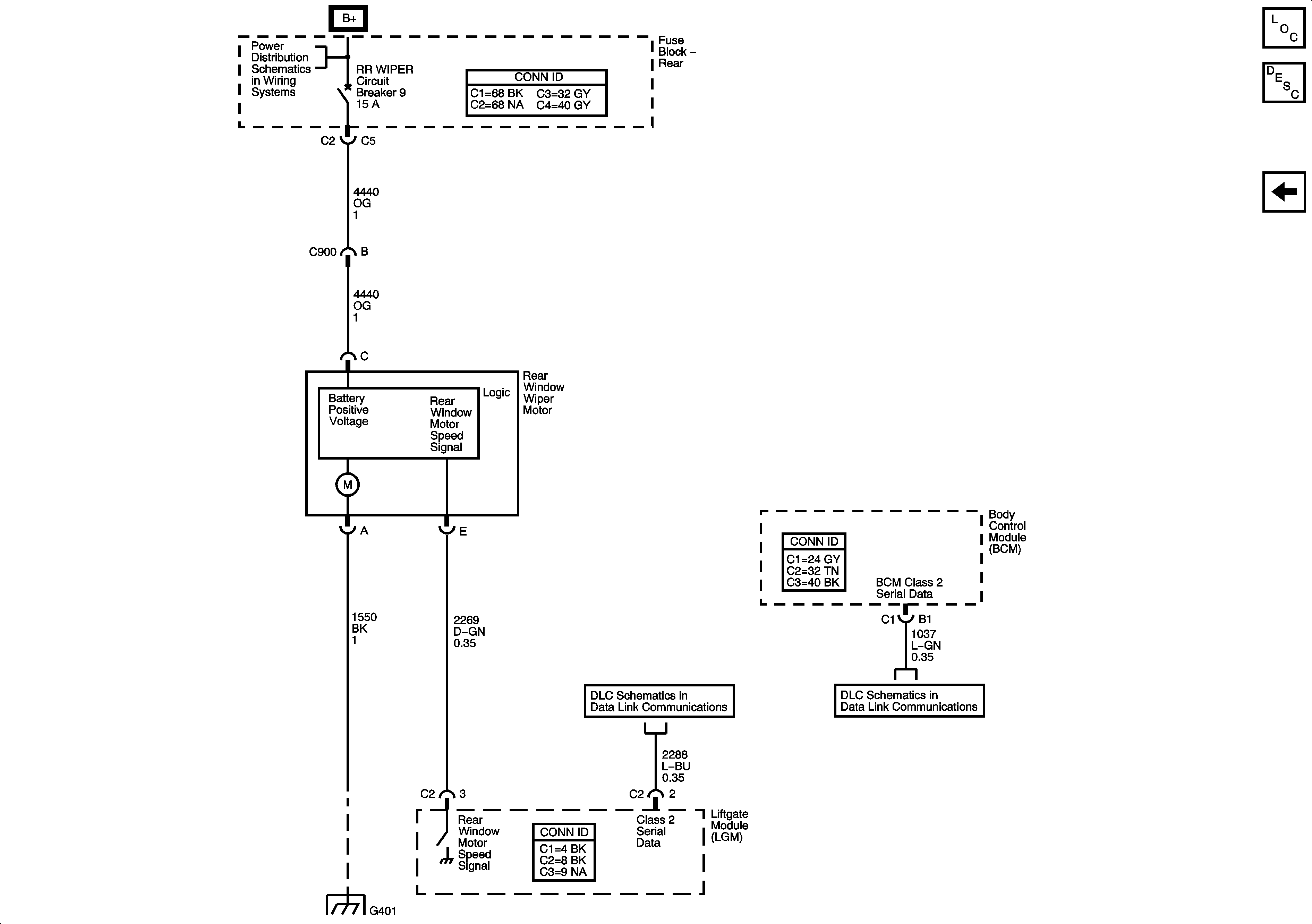
🢒 Rear Window Wiper Motor - CD6
Rear Window Wiper Motor - CD6
Rear Window Wiper Motor - CD6
Master Electrical Component List
Rear Wiper/Washer System Description and Operation
Rear Wiper/Washer Controls - CD6
B+ Bus - Rear Fuse Block
G401, G402, and G403
SP306
Power, Ground, Data Link Connector, and SP205