GM Service Manual Online
For 1990-2009 cars only
Makes
🢒
Isuzu
🢒
2004
🢒
Ascender - 2WD
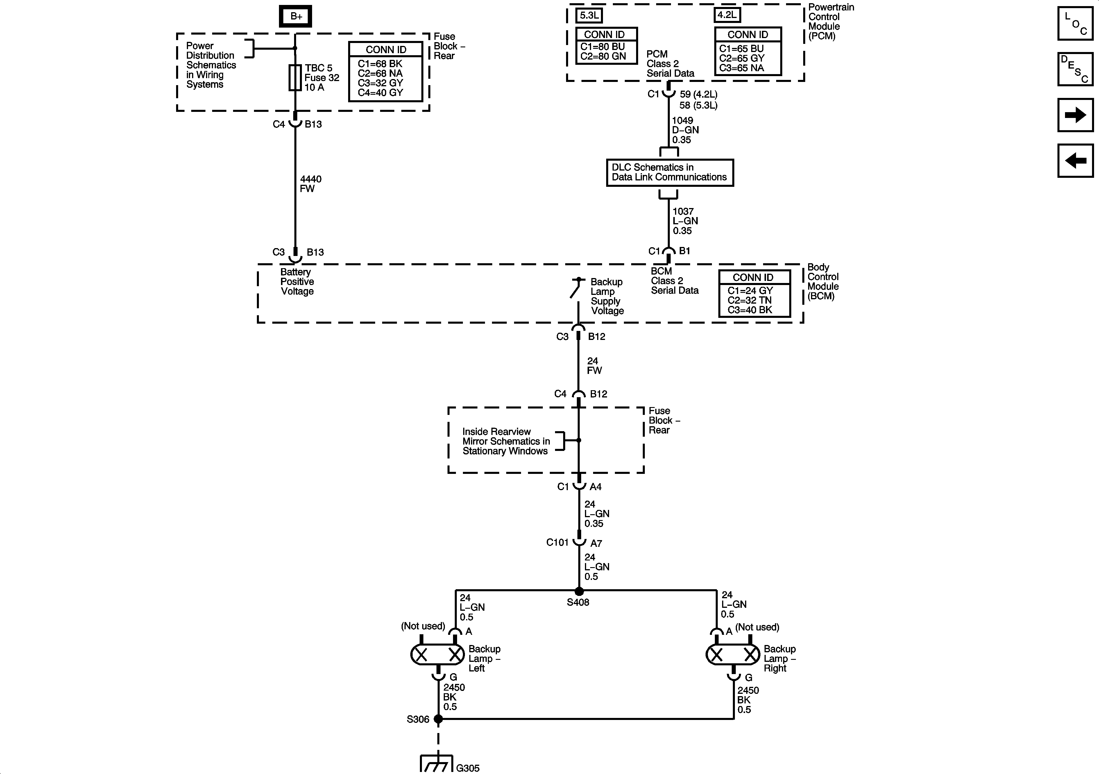
🢒 Backup Lamps
Backup Lamps
Backup Lamps
Master Electrical Component List
Exterior Lighting Systems Description and Operation
Trialer Wiring
Right Turn Signals
B+ Bus - Rear Fuse Block
Power, Ground, Data Link Connector, and SP205
G201 - 2 of 2, G305, and G306