GM Service Manual Online
For 1990-2009 cars only
Makes
🢒
Isuzu
🢒
2004
🢒
Ascender - 2WD
🢒 Right
Right
Right
Master Electrical Component List
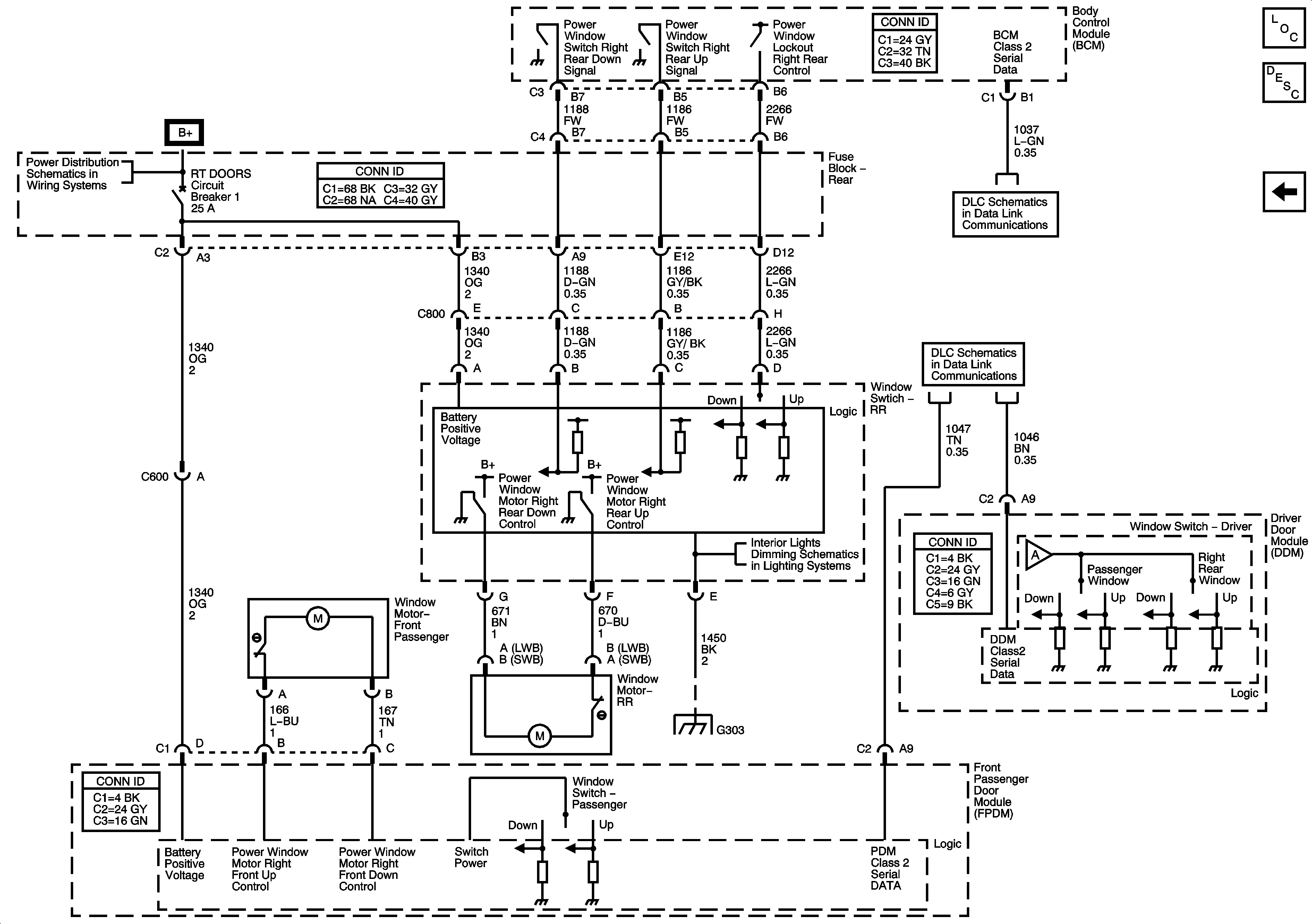
Power Windows Description and Operation
Left
B+ Bus - Rear Fuse Block
Power, Ground, Data Link Connector, and SP205
SP306
I/P Dimming Supply - 1 of 2
G302 - 1 of 2, G303, and G304
Left