GM Service Manual Online
For 1990-2009 cars only
Makes
🢒
Isuzu
🢒
2004
🢒
Ascender - 2WD
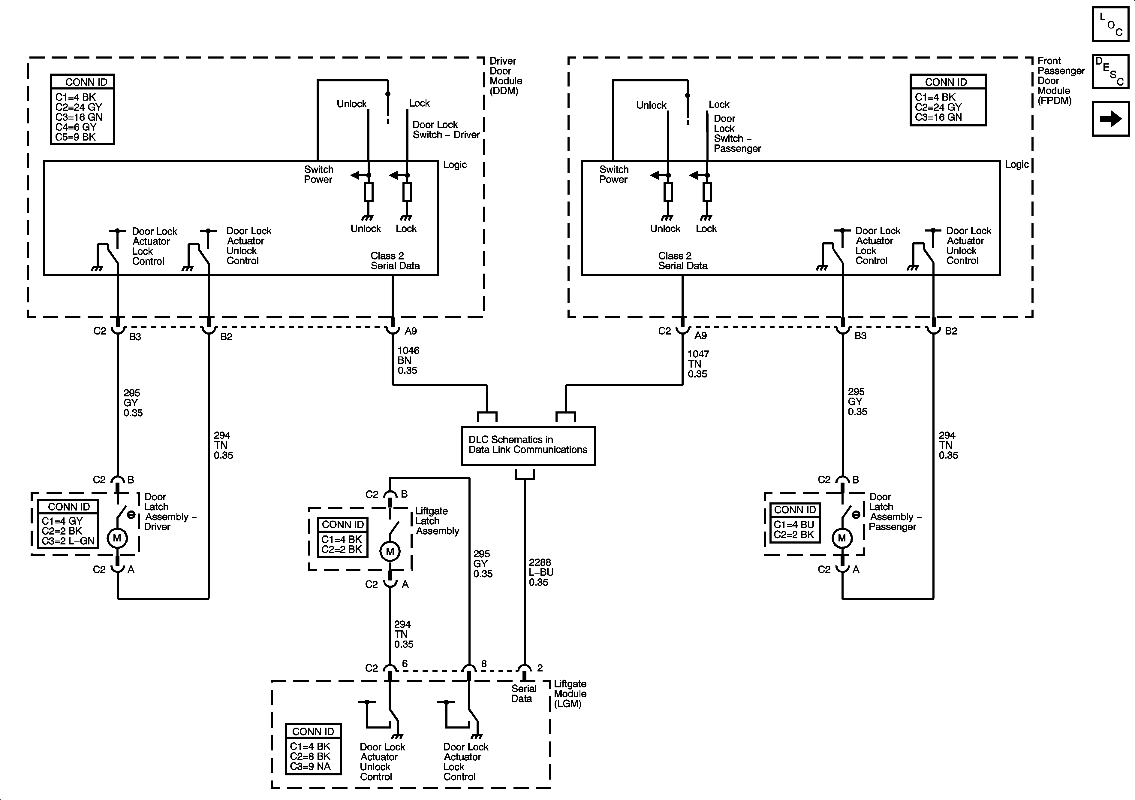
🢒 Front Doors and Liftgate
Front Doors and Liftgate
Front Doors and Liftgate
Master Electrical Component List
Power Door Locks Description and Operation
Rear Doors
SP306