GM Service Manual Online
For 1990-2009 cars only
Makes
🢒
Isuzu
🢒
2004
🢒
Ascender - 2WD
🢒 04 S/T Isuzu Outside Mirror Schematics
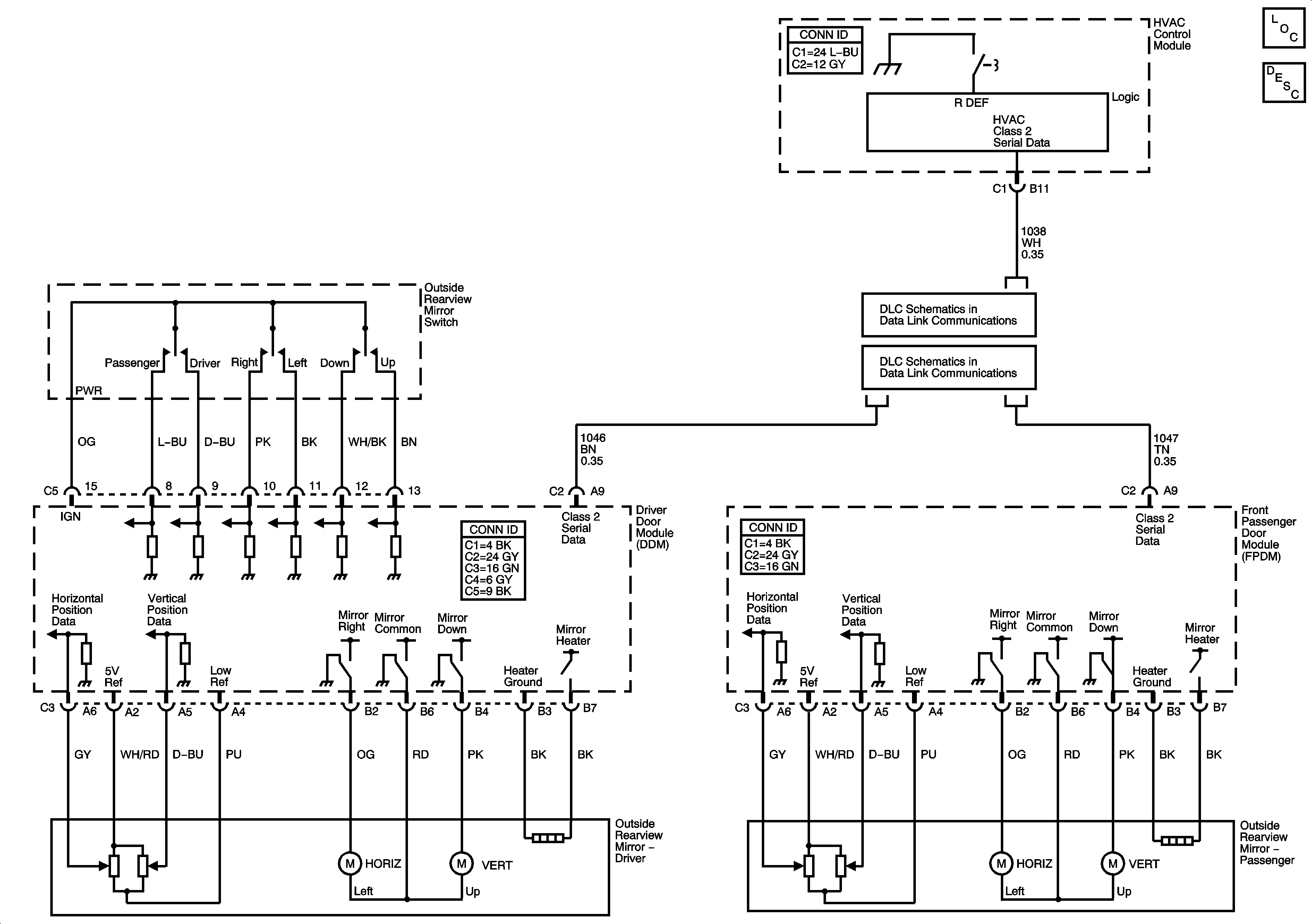
04 S/T Isuzu Outside Mirror Schematics
Master Electrical Component List
Outside Mirror Description and Operation Heated Mirrors
Power, Ground, Data Link Connector, and SP205
SP306