GM Service Manual Online
For 1990-2009 cars only

Tools Required

    • J 36660-A Torque Angle Meter
    • J 44219 Cover Alignment Pins
    • J 44227 Rear Seal Installer

Removal Procedure

  1. Remove the transmission. Refer to Transmission Replacement .

  2. Object Number: 637665  Size: SH
  3. Remove the flywheel bolts and remove the flywheel.

  4. Object Number: 1377386  Size: SH
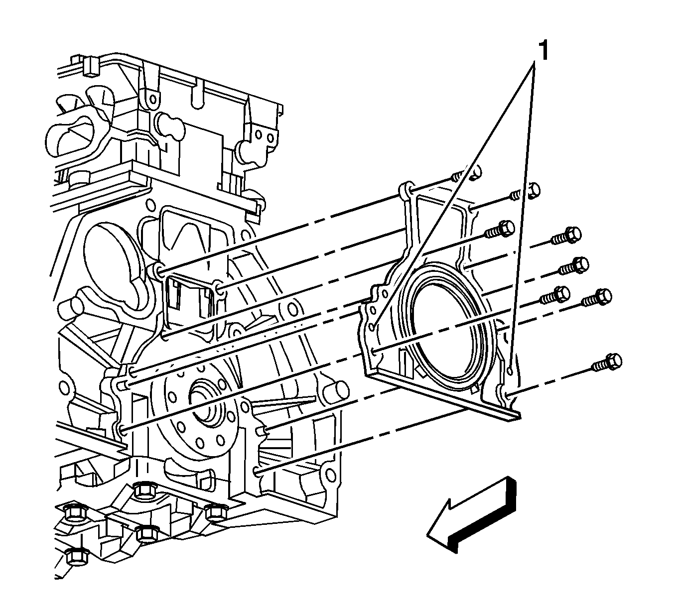
  5. Remove the crankshaft rear oil seal housing bolts.
  6. Install 2 bolts into the jackscrew holes (1) to release the cover from the block.
  7. Remove the crankshaft and rear oil seal housing.
  8. Remove the oil seal from the crankshaft snout.

Installation Procedure

  1. Use the J 44227 to install the crankshaft rear oil seal.
  2. Remove the J 44227 .

  3. Object Number: 637714  Size: SH

    Important: The crankshaft rear oil seal housing must be installed within 10 minutes from when the sealer is applied.

  4. Apply a 3 mm (0.12 in) bead of sealant (1) to the following:
  5. • The crankshaft rear oil seal housing, where the housing meets the engine block
    • The surface of the crankshaft rear oil seal housing, where the housing meets the oil pan
    • The surface of the oil pan, where the oil pan meets the housing
    • Refer to Adhesives, Fluids, Lubricants, and Sealers for the correct part number.

    Object Number: 1377394  Size: SH
  6. Install the J 44219 guide pins (1) into the block.
  7. Important: 

       • When installing a new seal, use the plastic installation sleeve supplied with the new seal.
       • The seal installation sleeve should come off after the seal is installed. Discard the sleeve.

  8. Slide the crankshaft rear oil seal housing over the alignment pins J 44219 and crankshaft.
  9. Install the crankshaft rear oil seal housing bolts, except the 2 in place of the guide pins.
  10. Remove the J 44219 guide pins.
  11. Notice: Refer to Fastener Notice in the Preface section.

  12. Install the remaining 2 crankshaft rear oil seal housing bolts.
  13. Tighten
    Tighten all the oil seal housing bolts to 10 N·m (89 lb in).


    Object Number: 1377395  Size: SH
  14. Wipe off any excess material from the bottom of the oil pan sealing area (1).

  15. Object Number: 637686  Size: SH
  16. Install the flywheel and secure with the bolts.
  17. Tighten
    Tighten the flywheel bolts in sequence to 25 N·m (18 lb ft).

  18. Use the J 36660-A to tighten the bolts an additional 50 degrees.
  19. Install the transmission. Refer to Transmission Replacement .