GM Service Manual Online
For 1990-2009 cars only
Makes
🢒
Isuzu
🢒
2005
🢒
Ascender - 2WD
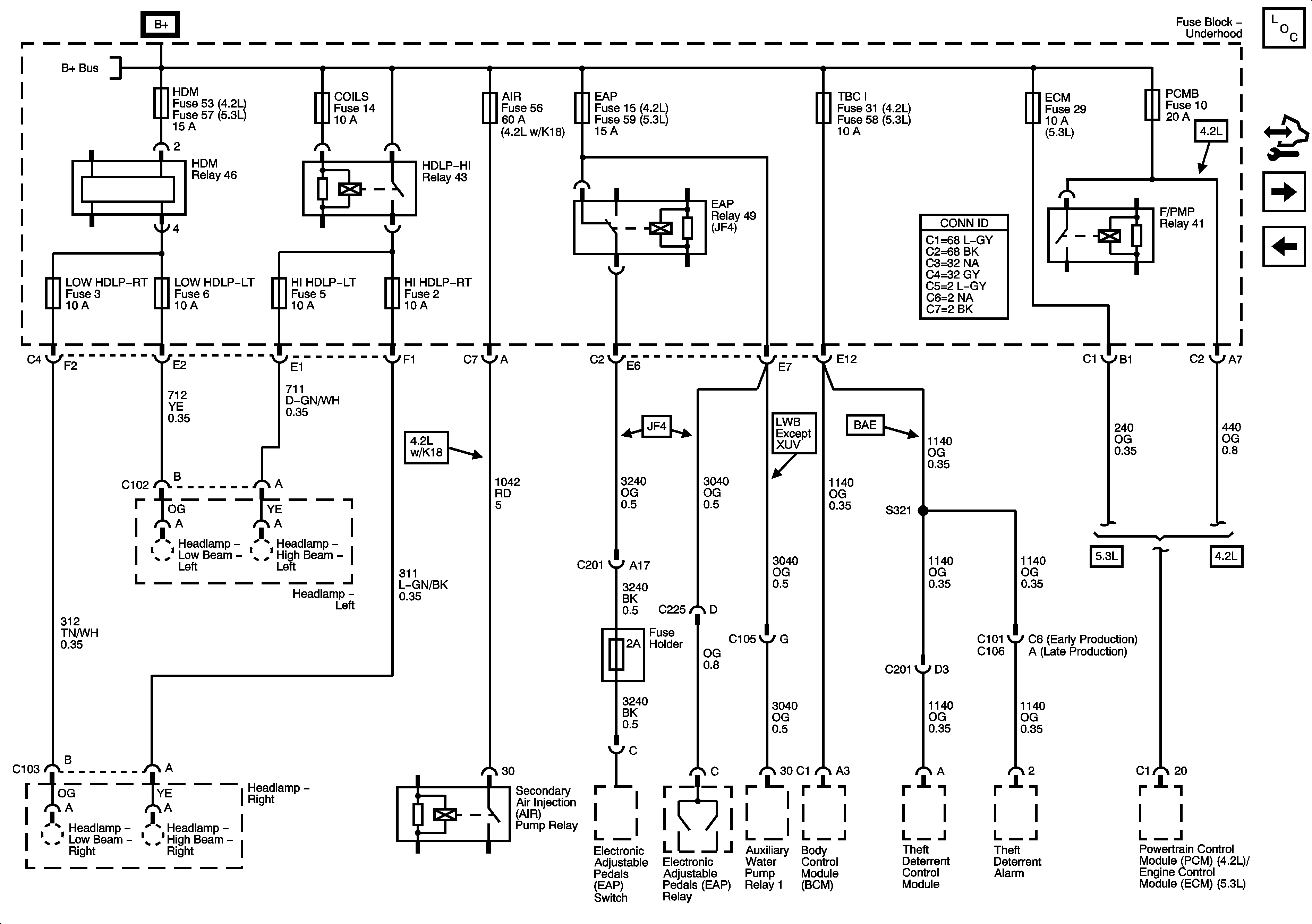
🢒 AIR, COILS, EAP, ECM, HDM, HI HDLP-LT, HI HDLP-RT, LOW HDLP-RT, LOW HDLP-LT, PCMB, and TCB1 Fuses
AIR, COILS, EAP, ECM, HDM, HI HDLP-LT, HI HDLP-RT, LOW HDLP-RT, LOW HDLP-LT, PCMB, and TCB1 Fuses
AIR, COILS, EAP, ECM, HDM, HI HDLP-LT, HI HDLP-RT, LOW HDLP-RT, LOW HDLP-LT PCMB, and TCB1 Fuses
Master Electrical Component List
Control Module References
HVAC B, LGM/DSM, OHBATT/ONSTAR, and RADIO Fuses
ABS, ATC, BLOWER, CIGAR, ECAS, ELEC BRK, FLASH, IPC/DIC, ST/LP, TRAILER, VEH CHMSL, and VEH STOP Fuses
B+ Bus - Underhood Fuse Block