GM Service Manual Online
For 1990-2009 cars only
Makes
🢒
Isuzu
🢒
2005
🢒
Ascender - 2WD
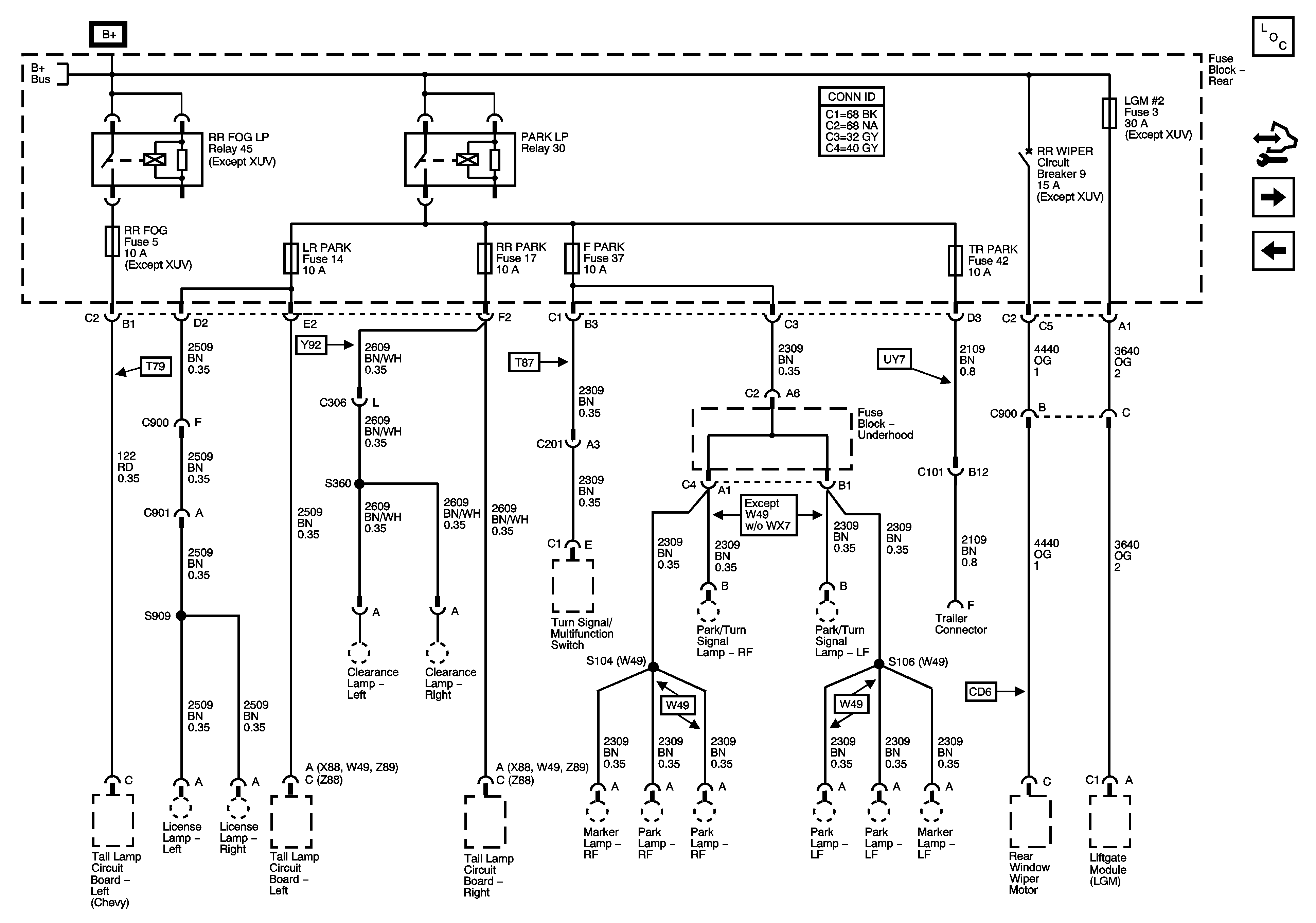
🢒 FPARK, LGM#2, LR PARK, RRFOG, RRPARK, TR PARK,Fuses, and RRWIPER Circuit Breaker
FPARK, LGM#2, LR PARK, RRFOG, RRPARK, TR PARK,Fuses, and RRWIPER Circuit Breaker
FPARK, LGM#2, LR PARK, RR FOG, RR PARK, TR PARK Fuses, and RR WIPER Circuit Breaker
Master Electrical Component List
Control Module References
EGM#2, EGM/DSM, PWRLATCH, ROOF Fuses, ENDGLASS REG, MIDGATE REG, and ROOF REG Circuit Breakers - XUV
AMP, DDM, PDM Fuses, LT DOORS, RT DOORS, and SEATS Circuit Breakers
B+ Bus - Rear Fuse Block