GM Service Manual Online
For 1990-2009 cars only
Makes
🢒
Isuzu
🢒
2005
🢒
Ascender - 2WD
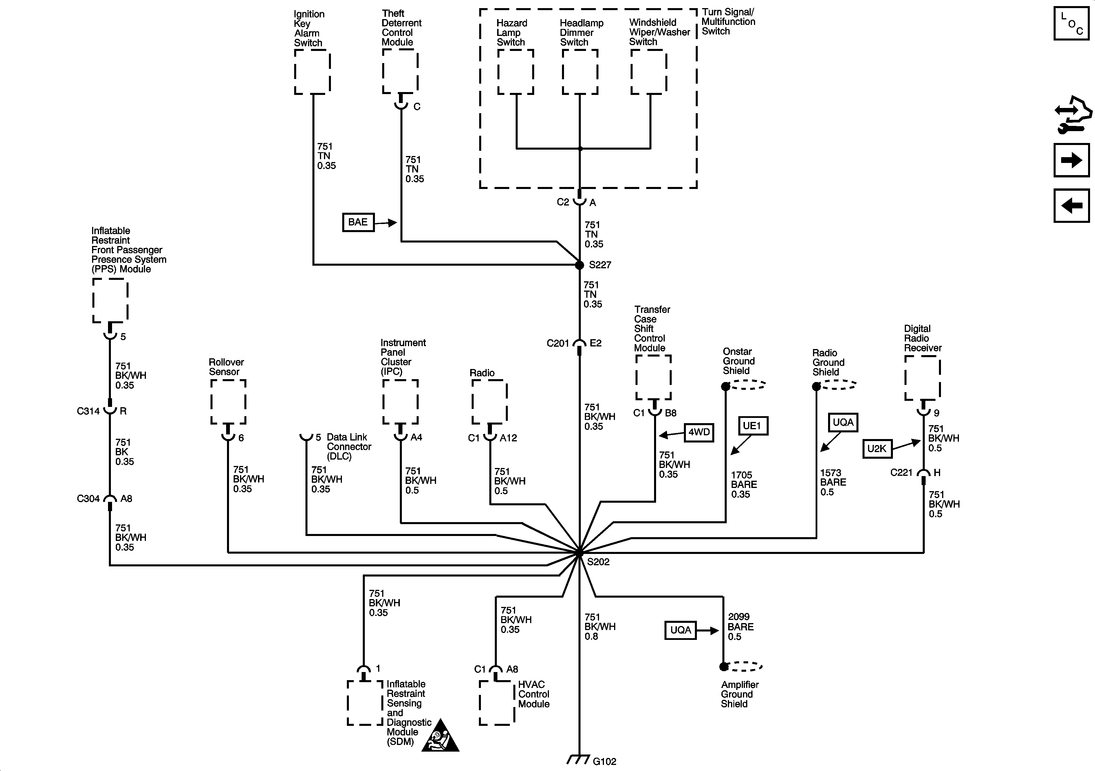
🢒 G102
G102
G102
Master Electrical Component List
Control Module References
G104, G105, and G107
G101, G103, G106, and G110
SIR Caution for Zoning