GM Service Manual Online
For 1990-2009 cars only
Makes
🢒
Isuzu
🢒
2005
🢒
Ascender - 2WD
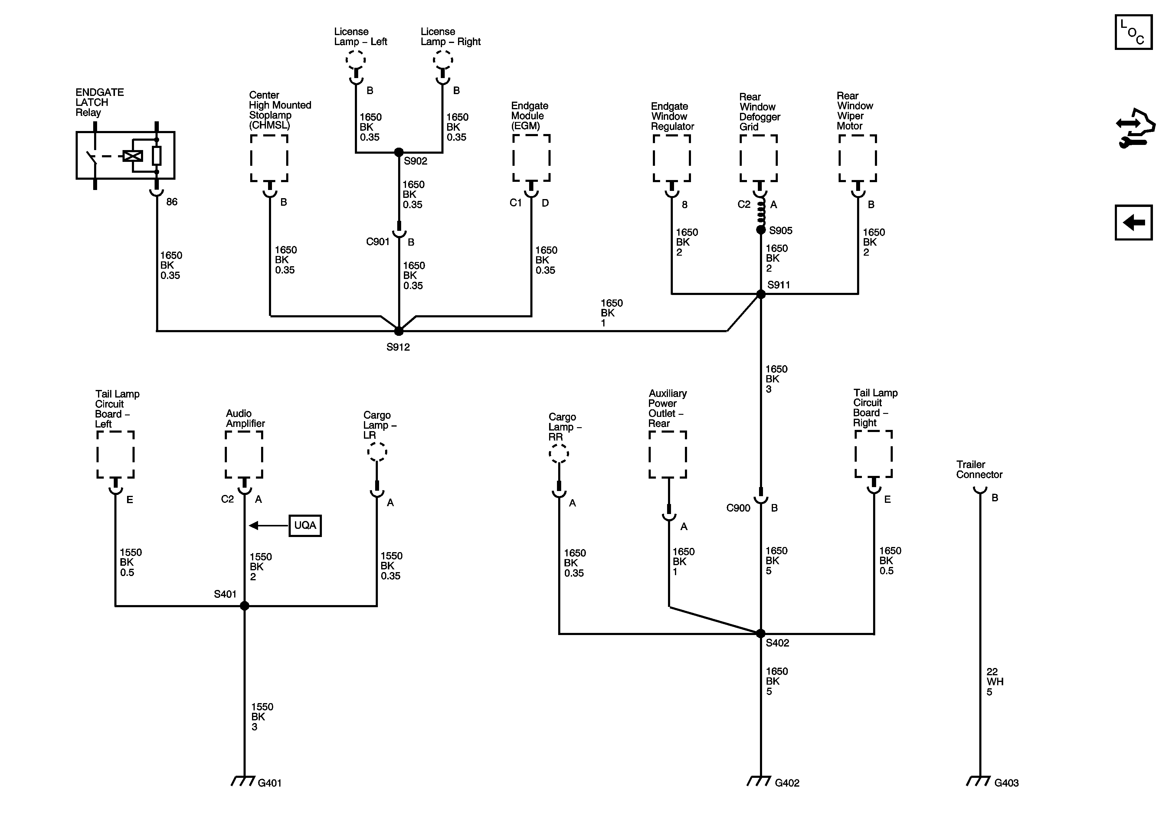
🢒 G401, G402, G403 - XUV
G401, G402, G403 - XUV
G401, G402, and G403 - XUV
Master Electrical Component List
Control Module References
G401, G402, and G403 - Except XUV