GM Service Manual Online
For 1990-2009 cars only
Makes
🢒
Isuzu
🢒
2005
🢒
Ascender - 2WD
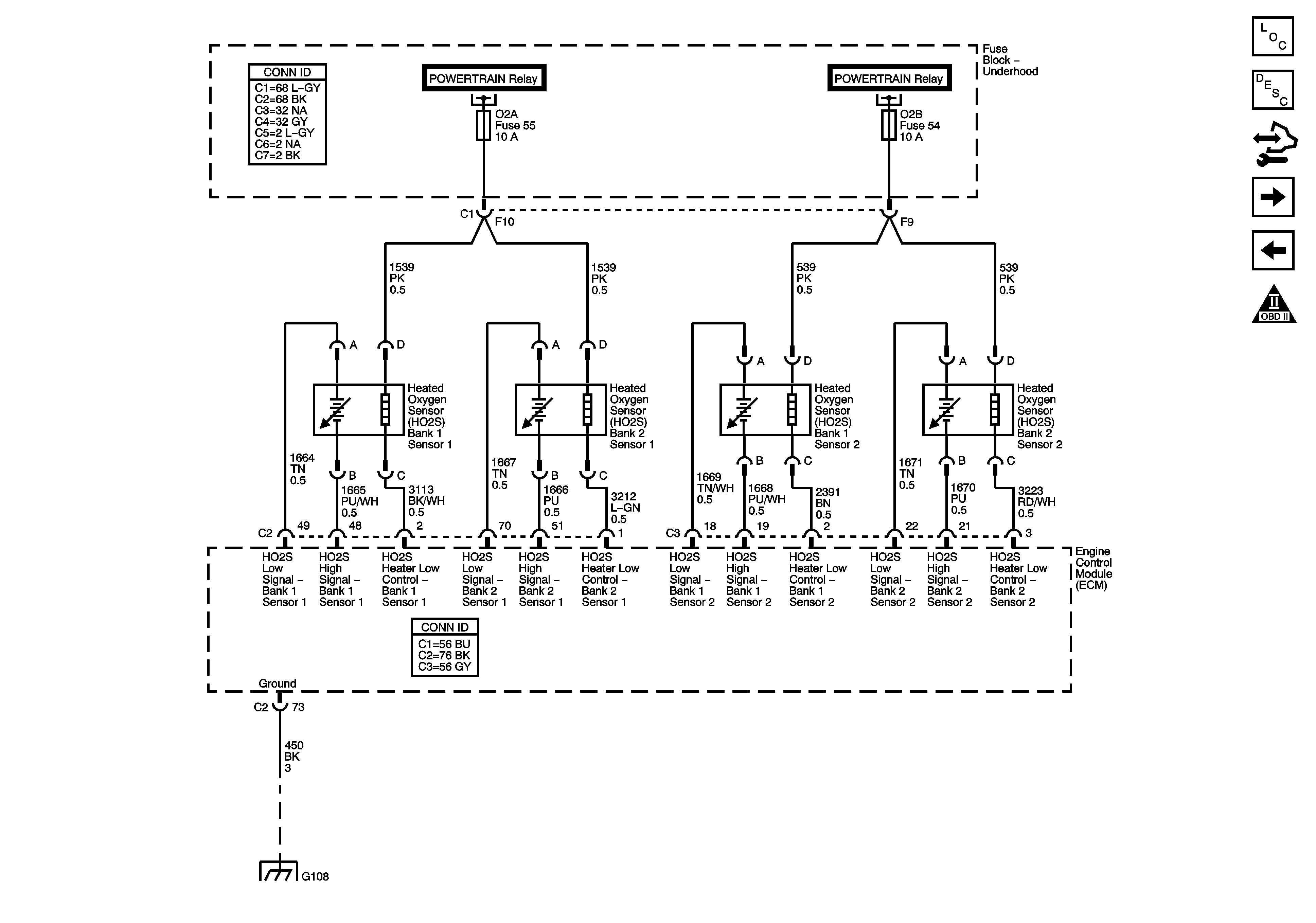
🢒 Engine Data Sensors - Oxygen Sensors
Engine Data Sensors - Oxygen Sensors
Engine Data Sensors - Oxygen Sensors
Master Electrical Component List
Engine Control Module Description
Control Module References
Engine Data Sensors - Throttle Actuator Controls
Engine Data Sensors - MAF, Pressure, Temperature, and VSS
OBD II Symbol Description Notice
Fuse Block - Underhood Powertrain Relay - 2 of 2
Fuse Block - Underhood Powertrain Relay - 2 of 2
G108