GM Service Manual Online
For 1990-2009 cars only
Makes
🢒
Isuzu
🢒
2005
🢒
Ascender - 2WD
🢒 Interior Lamps Controls
Interior Lamps Controls
Interior Lamps Controls
Master Electrical Component List
Interior Lighting Systems Description and Operation
Control Module References
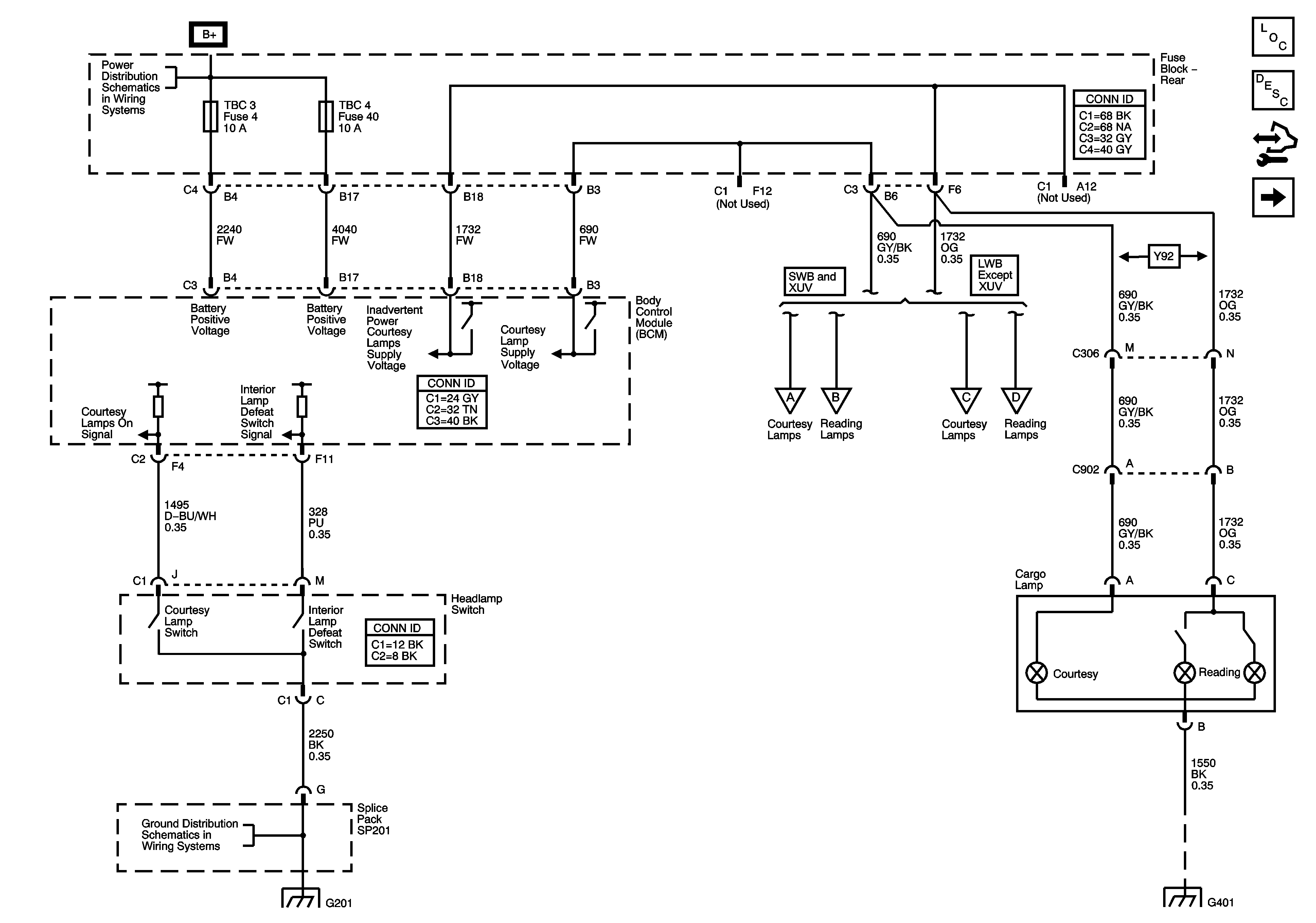
Interior Lamps - Short Wheel Base (SWB) and XUV
AUX PWR1, AUX PWR2, RRHVAC, SUNROOF, TBC2, TBC3, TBC4, TBC5, and TCM/CANISTER Fuses
Interior Lamps - Short Wheel Base (SWB) and XUV
Interior Lamps - Long Wheel Base (LWB) except XUV
G201 - 1 of 2
G201 - 1 of 2
G401, G402, and G403 - Except XUV